Effective resistance between two points using symmetry

Click For Summary

Homework Help Overview

The discussion revolves around determining the effective resistance between two points in a circuit using symmetry principles. Participants are exploring the implications of symmetry in a 2D circuit setup, particularly focusing on points C and D.

Discussion Character

  • Exploratory, Assumption checking, Conceptual clarification

Approaches and Questions Raised

  • Participants are attempting to apply symmetry to simplify the circuit and question how to argue that points C and D are equipotential despite their symmetry. There are discussions about redrawing the circuit and the implications of different paths between points A and B.

Discussion Status

The conversation is ongoing, with various participants suggesting methods to visualize the circuit better and clarify the symmetry argument. Some express confusion about the relationship between symmetry and equipotentiality, while others provide insights into how redrawing the circuit can aid understanding.

Contextual Notes

There is a mention of previous threads where similar symmetry arguments were discussed, highlighting the complexity of applying these concepts consistently across different circuit configurations. Participants are also navigating the challenge of visualizing the circuit in a way that makes the symmetry more apparent.

  • #31
Point D and C are equipotrntial so you can remove wire DC and see how the circuit look like

Sent from my Mi A1 using Tapatalk
 
Physics news on Phys.org
  • #32
Jahnavi said:
Thanks for replying .

This is exactly what I would like to understand [emoji2] .

Please assume this is a 2D circuit .

If I draw a line perpendicular to AB , the left and right parts are mirror image , this make points D and C symmetric . But symmetric points do not necessarily have to be equipotential . Right ?

How can then we argue that points C and D are equipotential .
Path symmetry indicates that D and C are equipotential

Sent from my Mi A1 using Tapatalk
 
  • #33
Jahnavi said:
Thanks !
Hello again,

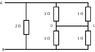
I kept quiet because I was obviously making it worse for you in your frustration -- but I couldn't think of a good way to help you out without giving it all away. The picture I had in mind was, of course

upload_2018-4-11_13-31-35.png


and once you have it in front of you like this, the path is clear (thanks to the fact that all four on the right have the same resistancce)
(note: in many cases you can't even get it as 'flat' as this and there are one or more crossovers left to make life edifficult)​

and now I have a question for you:

with hindsight, what would have been a good hint that could have helped you effectively at that point ? (after all, you will definitiely not be the last one to get stuck with a problem like this).and as a side note: you see that I don't agree with
ehild said:
The original circuit cannot be drawn in-plane
 

Attachments

  • upload_2018-4-11_13-31-35.png
    upload_2018-4-11_13-31-35.png
    1.5 KB · Views: 361
  • Like
Likes   Reactions: Jahnavi
  • #34
Hi BvU ,

BvU said:
and now I have a question for you:

with hindsight, what would have been a good hint that could have helped you effectively at that point ?

Not hint , but if you could have been a little more expressive and had written - "Please try my suggestion and you would clearly see how the two points C and D are equipotential using the same technique (drawing a line perpendicular to AB) you are trying to employ in the OP " . That would have worked :smile:

AND you could have added a smiley in post#6 :wink: .

I was under the impression that you had overlooked my concern in the OP and were trying to suggest an alternative strategy to simplify the circuit .

By no means this is an excuse .I was clearly wrong in not working as per your suggestion .

But then , this is the limitation with any online platform . It doesn't precisely portray your thinking/feeling :smile: .
 
Last edited:
  • Like
Likes   Reactions: BvU
  • #35
Thanks, will :smile: more often !
 
  • Like
Likes   Reactions: Jahnavi
  • #36

Similar threads

  • · Replies 31 ·
2
Replies
31
Views
4K
  • · Replies 7 ·
Replies
7
Views
2K
  • · Replies 12 ·
Replies
12
Views
5K
  • · Replies 32 ·
2
Replies
32
Views
7K
  • · Replies 31 ·
2
Replies
31
Views
5K
Replies
3
Views
2K
Replies
24
Views
2K
  • · Replies 6 ·
Replies
6
Views
3K
Replies
10
Views
2K
  • · Replies 4 ·
Replies
4
Views
2K