Connecting a number of EMF sources in a circle to form a circuit

Click For Summary

Homework Help Overview

The discussion revolves around the behavior of multiple EMF sources connected in a circular configuration, focusing on the implications of internal resistance and voltage drops within the circuit. Participants explore the relationships between current, voltage, and resistance in this context.

Discussion Character

  • Exploratory, Assumption checking, Conceptual clarification

Approaches and Questions Raised

  • Participants discuss the paths of current flow and the equality of voltage drops across different paths. There are attempts to clarify the concept of short-circuiting in relation to internal resistance. Some participants suggest using hypothetical values to gain insights into the circuit behavior.

Discussion Status

The discussion is active, with participants offering various perspectives on the nature of short circuits and internal resistance. Some guidance has been provided regarding the relationships between EMF, internal resistance, and voltage drops, though multiple interpretations are still being explored.

Contextual Notes

Participants are grappling with the definitions of short circuits and the effects of internal resistance on voltage across the terminals of the EMF sources. There is an acknowledgment of potential misunderstandings regarding the terminology used in the discussion.

tellmesomething
Messages
449
Reaction score
59
Homework Statement
N sources of different emfs are connected in a circular loop as shown. The emfs of the sources are proportional to their internal resistance i.e ##\epsilon=\alpha r## where ##\alpha## is an assigned constant. The lead wires resistance is negligible. What is the potential difference Va-Vb between two points a AND b dividing the circuit in n and N-n (n<N/2)?
Relevant Equations
none
IMG20240831234839.jpg
If there s adc current source between terminals a and b there's two paths for current to flow from A to B.(the two semicircles) i know that voltage across both paths will be same. But im confused as to how these voltage drops across both paths would be equal.For eg on the left side of A current flows from positive terminal of battery to negative which means it gains some energy but it also undergoes a voltage drop due to internal resistance as well. While for the other path current goes from negative to psitive it loses voltage there plus due to the internal resistance of the cell. How would these two be equal?
 
Physics news on Phys.org
Hi,

I'm always if favour of drawing a conventional circuit diagram. For your exercise it looks (I take N = 5 as an example):

1725308401655.png

It sure looks like a series of cells that are short-circuited.
What can you write down for the current in a circuit consisting of ONE cell with internal resistance that is short-circuited ?

##\ ##
 
I agree with @BvU and would take their approach even further (especially if I'd already done a diagram!).

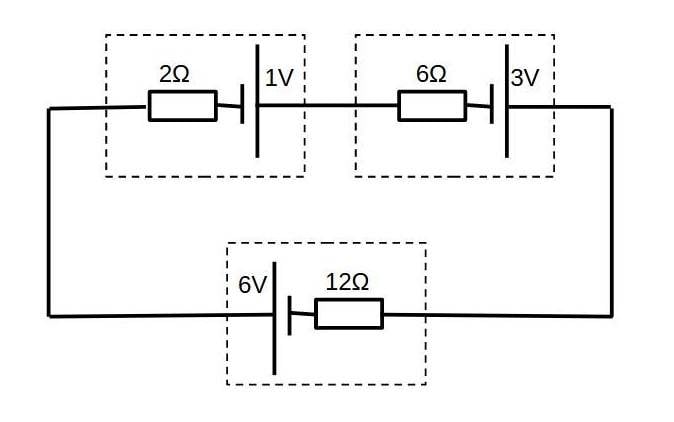
It sometimes helps to try some made-up values to get an insight into what's going on:
circuit.jpg
What is the total emf? What is the total resistance? What is the current?
What is the voltage-drop across each internal resistance?
 
  • Like
Likes   Reactions: berkeman
BvU said:
Hi,

I'm always if favour of drawing a conventional circuit diagram. For your exercise it looks (I take N = 5 as an example):


It sure looks like a series of cells that are short-circuited.
What can you write down for the current in a circuit consisting of ONE cell with internal resistance that is short-circuited ?

##\ ##
Steve4Physics said:
I agree with @BvU and would take their approach even further (especially if I'd already done a diagram!).

It sometimes helps to try some made-up values to get an insight into what's going on:
View attachment 350702What is the total emf? What is the total resistance? What is the current?
What is the voltage-drop across each internal resistance?
I was definitely glitching when i thought about this sum, i assumed the current to go from both paths of terminal A to terminal B but that doesnt make sense as the current needs to go back to A ofcourse or there's gonna be an accumalation of charges at B which would stop the current due to repulsion

Anyways this simplification helps a lot though i have some questions.
if a circuit has a battery with internal resistance how can it be short circuited? The whole point of short circuits is that they have 0 potential difference between the terminals of the cell right? So if it has internal resistance then that means it undergoes a voltage drop so yeah can you please explain where im going wrong?

If we take your values @Steve4Physics I start at the 3V battery my current loses 6 ohms then gains 6 ohms then loses 1 ohm then gains 1 ohm. Till now voltage is 0. Now it loses 3 volts because of the internal resistance of the 3V battery. Voltage drop=3V, how is it short circuiting?

(total emf= 3+6+1=10; total resistance= 6+12+2=20; curent= 10/20=0.5; voltage drop through resistor of 6 ohms is=6*0.5; through 12 ohms=12*0.5 through 2 ohms is = 2*0.5)
 
Last edited:
tellmesomething said:
I was definitely glitching when i thought about this sum, i assumed the current to go from both paths of terminal A to terminal B but that doesnt make sense as the current needs to go back to A ofcourse or there's gonna be an accumalation of charges at B which would stop the current due to repulsion
Yes. You have a loop consisting of components in series. The current simply flows (clockwise or anticlockwise) around the loop.

tellmesomething said:
if a circuit has a battery with internal resistance how can it be short circuited? The whole point of short circuits is that they have 0 potential difference between the terminals of the cell right? So if it has internal resistance then that means it undergoes a voltage drop so yeah can you please explain where im going wrong?
If you short-circuit a single source (emf = ##\mathscr E##, internal resistance = ##r##) then you connect its terminals with a zero-resistance connection. The voltage between the source’s terminals is then zero and the current through the source is ##\frac {\mathscr E}r##. Edit: And the voltage across the internal resistance is ##Ir =\frac {\mathscr E}r r =\mathscr E##; the 'volts gained' from the 'pure emf' equals the 'volts lost' from the current flowing through the internal resistance.

In the Post #1 question, the sources are connected in a loop so I’d agree with you that each separate source should not be described as ‘short-circuited’.

However, it's worth noting that because ##\mathscr E = \alpha r##, it turns out that each cell is behaving just the same as if it were short-circuited! Each source has 0 volts between it terminals and carries a current of ##\frac {\mathscr E}r##! See below.

tellmesomething said:
If we take your values @Steve4Physics I start at the 3V battery my current loses 6 ohms then gains 6 ohms then loses 1 ohm then gains 1 ohm. Till now voltage is 0. Now it loses 3 volts because of the internal resistance of the 3V battery. Voltage drop=3V, how is it short circuiting?
Forget the short-circuiting thing. And note that you don't 'gain' an 'lose' ohms as you move around a circuit.

Consider the Post #3 example. I'd explain it like this...

Total emf = 10V, total resistance = 20 ##\Omega## and current, I = 0.5A.

Remember that the voltage between a source’s terminals is the source’s emf minus the voltage-across the internal resistor (the so-called 'lost volts').

For the 1V emf source, the voltage-drop across its internal resistance = Ir = 0.5*2 = 1V. Voltage between source’s terminals is 1V – 1V = 0V.

For the 3V emf source, voltage-drop across its internal resistance = Ir = 0.5*6 = 3V. Voltage between source’s terminals is 3V – 3V = 0V.

Similarly the 6V emf source has 0V between its terminals.

I’d suggest experimenting with two things:

a) See what happens if ##\mathscr E = \alpha r## is not true. For example, just change any one value in the Post #3 example and work out the voltage between each source's terminals.

b) See if you can prove (using some algebra) that the emf* across each source (when ##\mathscr E = \alpha r##) is always 0 for any number of sources in a loop.

*Edit: 'emf' is wrong. Careless of me. Should be 'voltage' or, even better, 'terminal pd'. Thanks @tellmesomething.
 
Last edited:
Steve4Physics said:
Forget the short-circuiting thing. And note that you don't 'gain' an 'lose' ohms as you move around a circuit.
Im sorry yes ofcourse i meant "volts" instead of ohms
Steve4Physics said:
a) See what happens if ##\mathscr E = \alpha r## is not true. For example, just change any one value in the Post #3 example and work out the voltage between each source's terminals.

b) See if you can prove (using some algebra) that the emf across each source (when ##\mathscr E = \alpha r##) is always 0 for any number of sources in a loop.

a) Yes say the internal resistance of the 1 volt battery is 3 ohms. So current becomes (1+6+3)/(12+6+3) =10/21

So voltage across the 3 volts battery becomes non zero. We can derive that either by checking the volts dropped and gained or by simply subtracting the emf of the 3v battery and voltage dropped across its internal resistance.

b) didnt you mean voltage instead of emf? either way that would need some time..
 
tellmesomething said:
a) Yes say the internal resistance of the 1 volt battery is 3 ohms. So current becomes (1+6+3)/(12+6+3) =10/21

So voltage across the 3 volts battery becomes non zero. We can derive that either by checking the volts dropped and gained or by simply subtracting the emf of the 3v battery and voltage dropped across its internal resistance.
Yes. In fact every cell in the loop would then have a non-zero voltage.

tellmesomething said:
b) didnt you mean voltage instead of emf?
Yes. That was careless of me. Well spotted!
 
  • Like
Likes   Reactions: tellmesomething
Steve4Physics said:
Yes. In fact every cell in the loop would then have a non-zero voltage.


Yes. That was careless of me. Well spotted!
Can you hint at what I can try to prove it for any number of cells?
 
Writing out something like ##\sum \varepsilon_i -I\,r_i = 0## ?
 
  • #10
BvU said:
Writing out something like ##\sum \varepsilon_i -I\,r_i = 0## ?
The terminal pd (##V_i##) across the i-th cell is equal to the cell's emf minus its 'lost volts': ##V_i = \varepsilon_i -Ir_i##.

So, to prove each cell's terminal pd is zero, the OP needs to show ##\varepsilon_i -I\,r_i = 0##.

I think the easiest way to do this is to show that ##I = \alpha##.
 
  • Like
Likes   Reactions: BvU

Similar threads

  • · Replies 10 ·
Replies
10
Views
2K
  • · Replies 2 ·
Replies
2
Views
2K
Replies
14
Views
2K
Replies
3
Views
2K
Replies
7
Views
1K
Replies
4
Views
2K
  • · Replies 10 ·
Replies
10
Views
2K
  • · Replies 6 ·
Replies
6
Views
3K
  • · Replies 2 ·
Replies
2
Views
2K
Replies
10
Views
1K