How to find current direction when analysing a cricuit using KVL, KCL

Click For Summary

Homework Help Overview

The discussion revolves around analyzing a circuit using Kirchhoff's Voltage Law (KVL) and Kirchhoff's Current Law (KCL). Participants are attempting to determine the correct direction of current flow and how to set up their equations properly to analyze the circuit effectively.

Discussion Character

  • Exploratory, Assumption checking, Problem interpretation

Approaches and Questions Raised

  • Participants discuss the lack of a prescribed method for determining current direction, suggesting that one can arbitrarily choose a direction and that the mathematics will resolve any sign issues. Questions arise about voltage signs across resistors and the implications of current direction on these calculations.

Discussion Status

The discussion is ongoing, with participants providing insights and redrawn circuit diagrams to clarify their points. Some guidance has been offered regarding the interpretation of voltage changes across resistors, but there is no explicit consensus on the correct approach to the problem.

Contextual Notes

Participants are navigating through potential misunderstandings related to the application of KVL and the signs of voltage drops across circuit elements. There are references to specific values and circuit configurations that may not be fully detailed in the thread.

vord_ler
Messages
12
Reaction score
0
Homework Statement
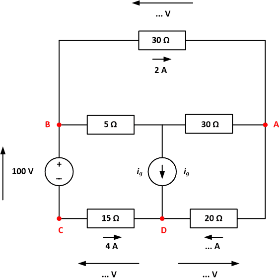
Good afternoon, I am having a problem to understand how to set up the current directions when analyzing a circuit using KVL and KCL. I know that it's probably solvable using other more advanced techniques, such as NVM (node-voltage method) or mesh-current method, but it's not yet covered in my classes and in the book, so I want to understand the algorithm on how to find the current directions properly in order to apply the KVL and KCL. I also would like to get some hints on how to apply the KVL and KCL to the given circuit, after defining the current directions. I already tried to solve the problem by setting up the currents going out of the node, but the final answer is usually not correct.
Relevant Equations
V = i*R
Screenshot 2023-10-21 at 15.15.36.png
 
Physics news on Phys.org
Hello @vord_ler ,
:welcome: ##\qquad##!​

Please read the PF homework rules and guidelines: you'll need to post your best effort before we are allowed to help

In the mean time, you can simplify the drawing considerably and work out the voltages over some of the resistors/resistor combinations and some currents as well

##\ ##
 
BvU said:
Hello @vord_ler ,
:welcome: ##\qquad##!​

Please read the PF homework rules and guidelines: you'll need to post your best effort before we are allowed to help

In the mean time, you can simplify the drawing considerably and work out the voltages over some of the resistors/resistor combinations and some currents as well

##\ ##
Thank you for your answer. I would like to know at leats how to set up the currents direction properly, so I can continue analyzing the circuit. Could you please provide some algorithm maybe that can help me to set the direction of currents, or any resources that contain that info. Appreciate your response.
 
vord_ler said:
set up the currents direction properly
There is no prescribed way to do that. Just pick a direction; the math will come up with a sign.

I had fun redrawing your circuit, so I might as well post it. See if you agree and fill in the dots :smile:
1697887280048.png


##\ ##
 
  • Like
Likes   Reactions: vord_ler
BvU said:
There is no prescribed way to do that. Just pick a direction; the math will come up with a sign.

I had fun redrawing your circuit, so I might as well post it. See if you agree and fill in the dots :smile:View attachment 333953

##\ ##
Oh finally I got the correct answer, thank you! Actually, there was no problem with the current directions (as you said, it doesn't matter) but the problem was with the voltage signs across resistors, I messed them up. This time, I just set the 5 ohm resistor from + - (voltage drop) and other resistors accordingly. I am so sorry to take your time by such a silly question and thank you for directing me towards the solution!
 
BvU said:
There is no prescribed way to do that. Just pick a direction; the math will come up with a sign.

I had fun redrawing your circuit, so I might as well post it. See if you agree and fill in the dots :smile:View attachment 333953

##\ ##
I am sorry to distrupt you again, but can you please tell, why the solution to find Vg (the solution I provided belong) is incorrect? I compared my answer to the answer given in the book, and the answer in the book is 190V (the solution in the book is quite different from mine and doesn't really make sense to me)

P.S. the second attachment is the book solution
 

Attachments

  • photo_2023-10-21 17.47.28.jpeg
    photo_2023-10-21 17.47.28.jpeg
    27.7 KB · Views: 142
  • Screenshot 2023-10-21 at 17.55.25.png
    Screenshot 2023-10-21 at 17.55.25.png
    13.6 KB · Views: 126
vord_ler said:
the solution in the book is quite different from mine and doesn't really make sense to me
Please double check your Kirchhoff loop rule equation, it seems problematic to me.
 
I don't understand what you do in loop 1: I agree that VB - VD = 160 V (labels in post #4) but to me i1 is still an unknown 🤔

[edit] my bad, overlooked i1 = -6 A. @alan123hk points you to the sign correction.

(and I read 100 - (-6)*(15) -- here's why you should use ##\LaTeX## -- so I looked at the lower left resistor; but even then the current there is 4 not 6 A --- I should have read more thoroughly instead of hurrying this useless post :cry: ##\ ##
 
Last edited:
BvU said:
I don't understand what you do in loop 1: I agree that VB - VD = 160 V (labels in post #4) but to me i1 is still an unknown 🤔

[edit] my bad, overlooked i1 = -6 A. @alan123hk points you to the sign correction.

(and I read 100 - (-6)*(15) -- here's why you should use ##\LaTeX## -- so I looked at the lower left resistor; but even then the current there is 4 not 6 A --- I should have read more thoroughly instead of hurrying this useless post :cry:##\ ##
I am sorry, but I still cannot understand where is the mistake in my solution. Can you please provide more details or maybe send your own solution using loop rule here?
 
  • #10
alan123hk said:
Please double check your Kirchhoff loop rule equation, it seems problematic to me.
Can you please provide more details on what is exactly problematic in my solution, please?
 
  • #11
In your loop 1 you write $$100-(-6)*(5)-v_g +(-4)*(15)$$which is KVL starting from point D in the picture in post #4. But, going from point B to point D the voltage over the 15 ##\Omega## is + 60 V
as you correctly indicate in your picture !

1697963616175.png

##\ ##
 
  • Like
Likes   Reactions: alan123hk
  • #12
vord_ler said:
Can you please provide more details on what is exactly problematic in my solution, please?
#11 already pointed out the problem.

You write the voltage change across the 5 ohm resistor as ##-(-6*5)~## , then why don’t you write the voltage change across the 15 ohm resistor as ##~+(-4*15)~## ? :smile:
 
  • #13
alan123hk said:
#11 already pointed out the problem.

You write the voltage change across the 5 ohm resistor as ##-(-6*5)~## , then why don’t you write the voltage change across the 15 ohm resistor as ##~+(-4*15)~## ? :smile:
I wrote exactly like that and got: 100 + 30 - 60 = 70 V, while the answer in the book is 190 V.
 
  • #14
BvU said:
In your loop 1 you write $$100-(-6)*(5)-v_g +(-4)*(15)$$which is KVL starting from point D in the picture in post #4. But, going from point B to point D the voltage over the 15 ##\Omega## is + 60 V
as you correctly indicate in your picture !


##\ ##
But why it's + 60V? I traverse in clockwise direction and there is a voltage increase across the 15 ohm resistor, but the direction of the 4 A current is counterclockwise, which means we finally get (-4) * 15 = -60 V, why don't we?
 
  • #15
vord_ler said:
I wrote exactly like that and got: 100 + 30 - 60 = 70 V, while the answer in the book is 190 V.
And it should have been 100 + 30 + 60
the voltage goes UP when you go across the resistor. The highest voltage is where the current enters the resistor.

##\ ##
 
  • #16
BvU said:
And it should have been 100 + 30 + 60
the voltage goes UP when you go across the resistor. The highest voltage is where the current enters the resistor.

##\ ##
I see now. Still it's strange for me why the 4 A current doesn't change its sign, since its original direction(with + sign) was counterclockwise, while we are traversing the loop in the clockwise direction.
 
  • #17
Does it look better when presented like this ?

1697982761339.png


##\ ##
 
  • #18
BvU said:
Does it look better when presented like this ?

View attachment 333996

##\ ##
Thank you for you representation, but why there is 30 V increase across 5 ohm resistor, if we are going from the higher to lower voltage?
 
  • #19
You don't mean Ohm's law :smile:

I think I get it (te source of your confusion): your loop 1 is going clockwise, starting at point C in the picture in post #4 (not point D as I mistakenly wrote in #11 o:) ).

So you start with 100 V,

Then subtract the voltage over the 5 ##\Omega## which is (-6 A)*(5 ##\Omega##)
you subtract -30 V because you defined the voltage as + on the left, - on the right
meaning you effectively add 30 V and at point E you are at +130 V

1697985574657.png


Now down by vg to get at point D . so 100 + 30 - vg

Last step: from D to C

1697985771963.png

and here you go from right to left in your clockwise loop, so you add (4A)*(15 ##\Omega##) is +60 V

i.e. we are not
vord_ler said:
if we are going from the higher to lower voltage
but in the direction in which we go through the loop

Clearer ?

##\ ##
 
  • #20
BvU said:
You don't mean Ohm's law :smile:

I think I get it (te source of your confusion): your loop 1 is going clockwise, starting at point C in the picture in post #4 (not point D as I mistakenly wrote in #11 o:) ).

So you start with 100 V,

Then subtract the voltage over the 5 ##\Omega## which is (-6 A)*(5 ##\Omega##)
you subtract -30 V because you defined the voltage as + on the left, - on the right
meaning you effectively add 30 V and at point E you are at +130 V

View attachment 333997

Now down by vg to get at point D . so 100 + 30 - vg

Last step: from D to C

View attachment 333998
and here you go from right to left in your clockwise loop, so you add (4A)*(15 ##\Omega##) is +60 V

i.e. we are not

but in the direction in which we go through the loop

Clearer ?

##\ ##
Yes, It's clear that we should add 60V because we are going from - to + across 15 ohm resistor, but the fact that the 4 A current is flowing in the opposite direction of our traverse but we still DO NOT change its sign to -4A (as we usually do in order to specify that the current flows in opposite direction relative to its original position) still unclear for me. (I am so sorry to take your time on such simple things, but I just want to make everything clear now so I will not have problems with it any further)
 
  • #21
vord_ler said:
Yes, It's clear that we should add 60V because we are going from - to + across 15 ohm resistor, but the fact that the 4 A current is flowing in the opposite direction of our traverse but we still DO NOT change its sign to -4A (as we usually do in order to specify that the current flows in opposite direction relative to its original position) still unclear for me.
We don't change the sign of the current because the current is flowing in the direction of the arrow (under 4A).
The sign of the voltage is defined by the + to the left and the - to the right of the 15 ##\Omega##.

And Ohm's law says ##V = I\,R## with the sign/direction as shown here

1697987574709.png


vord_ler said:
I am so sorry to take your time on such simple things, but I just want to make everything clear now so I will not have problems with it any further
No need to apologize. Best thing to do now is try another exercise on the same subject.

##\ ##
 

Attachments

  • 1697987506987.png
    1697987506987.png
    2.6 KB · Views: 131
  • #22
BvU said:
We don't change the sign of the current because the current is flowing in the direction of the arrow (under 4A).
The sign of the voltage is defined by the + to the left and the - to the right of the 15 ##\Omega##.

And Ohm's law says ##V = I\,R## with the sign/direction as shown here

View attachment 334000

No need to apologize. Best thing to do now is try another exercise on the same subject.

##\ ##
Now everything is clear, thank you! Let me finally clarify it: when the direction and value of the current is defined, and we are applying KVL, we omit the direction and take the given value of the current.
 

Similar threads

  • · Replies 3 ·
Replies
3
Views
2K
  • · Replies 6 ·
Replies
6
Views
3K
  • · Replies 12 ·
Replies
12
Views
3K
  • · Replies 7 ·
Replies
7
Views
2K
  • · Replies 3 ·
Replies
3
Views
2K
Replies
16
Views
2K
  • · Replies 42 ·
2
Replies
42
Views
6K
  • · Replies 14 ·
Replies
14
Views
1K
  • · Replies 16 ·
Replies
16
Views
3K
  • · Replies 3 ·
Replies
3
Views
5K