Analysing a Filter Rectifier Circuit: Solve for VDC, Vr and Ripple %

Click For Summary

Discussion Overview

The discussion revolves around the analysis of a filter rectifier circuit, specifically focusing on calculating the DC voltage (VDC), ripple voltage (Vr), and ripple percentage. Participants explore the differences between half wave and full wave rectifiers, including the appropriate formulas and values to use in calculations.

Discussion Character

  • Technical explanation, Homework-related, Debate/contested

Main Points Raised

  • One participant, a beginner in Electronics Engineering, shares their confusion regarding discrepancies in their calculations for a full wave filter rectifier compared to provided solutions.
  • Another participant points out that half wave and full wave rectifiers differ significantly, suggesting that the same formulas or values for the period cannot be applied to both types.
  • A participant notes that in a half wave rectifier, the frequency is 60 Hz, while a full wave rectifier results in a frequency of 120 Hz, which affects the calculations.
  • One participant requests detailed calculations from the original poster to clarify their approach and identify any errors.
  • The original poster later acknowledges a mistake in using the wrong period value for the full wave rectifier, confirming that correcting this led to consistent results.

Areas of Agreement / Disagreement

Participants generally agree on the differences between half wave and full wave rectifiers and the importance of using the correct frequency in calculations. However, the discussion includes some uncertainty regarding the specific formulas and values to apply, particularly for the original poster's calculations.

Contextual Notes

Limitations include the original poster's reliance on potentially incorrect formulas or assumptions about the period for the full wave rectifier, which may have contributed to their initial confusion.

pooface
Messages
207
Reaction score
0
Hello I'm a beginner (Second Semester) at Electronics Engineering.

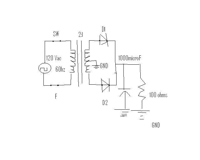
In the attachment is the image of the filter rectifier circuit that I am analyzing. My professor has given us questions and their solutions but for my full wave filter rectifier analysis the numbers are not the same.

The analysis asks me three questions:

VDC, Vr, and ripple %

Formulas I use:

Vrp-p=(VLpeak/RL * period) / C (capacitor value).

VDC = VLpeak - Vrpeaktopeak/2

Vr(rms)=.577* Vrp-p/2

r=Vr(rms)/VDC

My halfwave filter answers are correct and these are the formulas I used.
But my fullwave/bridge answers go wrong. someone please do this question and see what answer they get.
 

Attachments

  • rfc.JPG
    rfc.JPG
    12.3 KB · Views: 564
Last edited:
Physics news on Phys.org
A half wave and full wave rectifier differ in certain ways. You can't apply all formulas (or same value for period) to both. What value are you using for period, T?

Vrpp = (Vpin * T)/RC

Please so your exact calculations, like for example how you got Vrrms
 
Last edited:
Have to remember, in a half wave rectifier the frequency is 60 hz as it chops off the bottom half of each cycle. In a full wave circuit, it translates the bottom cycle to the top to give 120hz peaks.
 
ranger said:
A half wave and full wave rectifier differ in certain ways. You can't apply all formulas (or same value for period) to both. What value are you using for period, T?

Vrpp = (Vpin * T)/RC

Please so your exact calculations, like for example how you got Vrrms
EDIT:

Nevermind thanks so much ! i got it. You were right. I was using the wrong T value. Fullwave is 120Hz so i should be using 1/120hz for T.

The numbers add up now. Thanks so much.
 
Last edited:

Similar threads

  • · Replies 14 ·
Replies
14
Views
4K
  • · Replies 8 ·
Replies
8
Views
8K
  • · Replies 6 ·
Replies
6
Views
10K
  • · Replies 1 ·
Replies
1
Views
7K
  • · Replies 11 ·
Replies
11
Views
6K
  • · Replies 2 ·
Replies
2
Views
6K
  • · Replies 10 ·
Replies
10
Views
5K
Replies
4
Views
3K
Replies
1
Views
3K
  • · Replies 5 ·
Replies
5
Views
3K