Circula motion under an attractive force

  • Thread starter Thread starter Born
  • Start date Start date
  • Tags Tags
    Force Motion
Click For Summary

Homework Help Overview

The problem involves two particles of mass m and M undergoing uniform circular motion about each other at a separation R, influenced by an attractive force F and characterized by an angular velocity ω. The task is to demonstrate a relationship involving R, F, m, and M as presented in a textbook problem.

Discussion Character

  • Exploratory, Conceptual clarification, Mathematical reasoning, Problem interpretation

Approaches and Questions Raised

  • Participants discuss the use of center of mass concepts versus kinematics and Newton's Laws for solving the problem. Some express confusion about the wording of the problem and its implications for the analysis. Others suggest that the centripetal acceleration is caused by the mutual attraction between the particles, leading to questions about reference frames and fictitious forces.

Discussion Status

The discussion is ongoing, with various interpretations being explored. Some participants have provided insights into the nature of the forces and motions involved, while others are questioning the assumptions made in the problem statement. There is no explicit consensus yet, but several productive lines of reasoning have been suggested.

Contextual Notes

Participants note potential ambiguities in the problem's wording, particularly regarding the description of the motion and the reference frames used for analysis. There is also mention of the need to consider the differing accelerations of the two masses due to their unequal magnitudes.

Born
Messages
31
Reaction score
1

Homework Statement



Two particles of mass m and M undergo uniform circular motion about each other at a separation R under the influence of an attractive force F. The angular velocity is ω radians per second. Show that R = (F /w 2 )(1/m + 1/M).(Kleppner & Kollenkow !st ed. problem 2.4)

Homework Equations



$$F=m (or M )ω^2R$$

The Attempt at a Solution



This problem is quite easy to solve using the concept of center of mass. However, the book mentions that until later. How could this be solved just using kinematics and Newton's Laws?
 
Last edited:
Physics news on Phys.org
Born said:

Homework Statement



Two particles of mass m and M undergo uniform circular motion about each other at a separation R under the influence of an attractive force F. The angular velocity is ω radians per second. Show that R = (F /w 2 )(1/m + 1/M).(Kleppner & Kollenkow !st ed. problem 2.4)

Homework Equations



$$F=ω^2R$$

The mass is missing.

Born said:

The Attempt at a Solution



This problem is quite easy to solve using the concept of center of mass. However, the book mentions that until later. How could this be solved just using kinematics and Newton's Laws?
The particles attract each other with force F, and move along circular paths with radius r1 and r2, but with the same angular speed. Write the equation F=ma for both of them, where F is the force of attraction, but it is also the centripetal force.

r1 + r2=R , the distance between the particles.
 
Thanks for the quick reply ehild. I guess the wording is just faulty. The statement "Two particles of mass m and M undergo uniform circular motion about each other at a separation R under the influence of an attractive force F" should say "Two particles of mass m and M, separated by a distance R, undergo uniform circular motion about a point on the line connecting them". However, how could one prove that this motion around a central point would occur in this system using Newton's Laws?

One could say the the attraction of the particles towards each other would cause the centripetal acceleration of the system, but I can't see how this would impede an analysis with one particle as a reference frame (i.e. as R=0), other the the creation of fictitious forces.
 
Last edited:
You can do the analysis in whatever system you want. However, it is going to be easier in some system than in others. In this case, the CoM system is the easiest by far.
 
IMO the only reasonable interpretation of "uniform circular motion" is "motion where the center of the circle is at rest in some inertial reference frame".

The force on one mass must be constant magnitude and directed towards the center. So the other mass must be on the opposite side of the center and the distance between the masses must be constant.

That should be enough to solve the problem, without introducing the concept of "center of mass" or any general results about the COM.

Of course the COM must also be moving with constant velocity because there are no external forces on the system of both masses, so it is geometrically obvious the COM must be the center of the circles. But giving a mathematically rigorous proof of a geometrically obvious result might be a challenge.
 
Born said:
Thanks for the quick reply ehild. I guess the wording is just faulty. The statement "Two particles of mass m and M undergo uniform circular motion about each other at a separation R under the influence of an attractive force F" should say "Two particles of mass m and M, separated by a distance R, undergo uniform circular motion about a point on the line connecting them". However, how could one prove that this motion around a central point would occur in this system using Newton's Laws?

One could say the the attraction of the particles towards each other would cause the centripetal acceleration of the system, but I can't see how this would impede an analysis with one particle as a reference frame (i.e. as R=0), other the the creation of fictitious forces.


Imagine those "particles" are twin stars, m and M. If you happen to stay on M you see the other one orbiting about your star. If you are on m, you observe M orbiting about you. Those orbits might be circles. The sentence "Two particles undergo circular motion about each other" means that.

If you are an observer somewhere at point O, the position of M is ##\vec r_M## and the position of m is ##\vec r_m##. You know that the particles attract each other with force ##\vec F## along the line connecting them.

So

##m \ddot {\vec r} _m = \vec F \rightarrow \ddot {\vec r}_m = \vec F /m ##

##M \ddot {\vec r}_M = -\vec F \rightarrow \ddot {\vec r}_M = -\vec F/M##

Subtract the second equation from the first. The left-hand side is the acceleration of m with respect to M and you know that m orbits about M along a circular orbit...

ehild
 

Attachments

  • twoparticles.JPG
    twoparticles.JPG
    6.3 KB · Views: 832
Last edited:
  • Like
Likes   Reactions: Nulliusinverba and Born
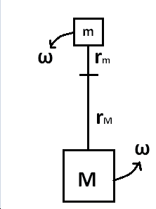
Hey, all. I'm doing this problem now and have a solution, but I'm worried my solution doesn't comply with the wording of the problem. I've drawn the system I used:

3373d1701d.png
I marked the separation for my radii arbitrarily, but made sure to not mark it such that the two halves were equal (that is, such that the mark was placed at ##R/2## for reasons that will be explained. I have ##|\vec{F}| = |\vec{F_m}| = |\vec{F_M}| = F##. Because ##M \neq m##, I know that ##a_M \neq a_m##. The acceleration is ##r \omega^2## (I've ignored the negative sign because I'm looking at absolute values). Because ##\omega## is the same for both, that leaves my ##r## terms to be the source of differing accelerations. So, I have $$\frac{F_m}{m} = r_{m}\omega^2 \qquad \frac{F_M}{M} = r_{M}\omega^2$$ $$\frac{F}{M\omega^2} + \frac{F}{m\omega^2} = r_m + r_M = R$$ Or, as desired, $$R = \left(\frac{F}{\omega^2}\right)\left(\frac{1}{M}+\frac{1}{m}\right) $$
 

Similar threads

  • · Replies 11 ·
Replies
11
Views
2K
Replies
2
Views
2K
Replies
11
Views
3K
  • · Replies 3 ·
Replies
3
Views
3K
Replies
8
Views
2K
  • · Replies 3 ·
Replies
3
Views
1K
  • · Replies 10 ·
Replies
10
Views
2K
  • · Replies 7 ·
Replies
7
Views
5K
  • · Replies 3 ·
Replies
3
Views
2K
  • · Replies 2 ·
Replies
2
Views
1K