Forming Asteroids: Dust, Gas & Vacuum Mysteries

  • Context: Undergrad 
  • Thread starter Thread starter Jakko
  • Start date Start date
  • Tags Tags
    Asteroids Formation
Click For Summary

Discussion Overview

The discussion revolves around the formation of asteroids, specifically addressing the processes that lead to their density and structure from dust and gas in the early solar system. Participants explore various theories and models related to the physical conditions and historical events that shaped the asteroid belt, including gravitational effects and the role of larger bodies like Jupiter.

Discussion Character

  • Exploratory
  • Technical explanation
  • Debate/contested

Main Points Raised

  • Some participants propose that stony and metallic asteroids formed from dust and gas condensed from plasma, questioning how they could be dense without sufficient mass to melt a core.
  • Others argue that gravity does not melt materials, suggesting that small asteroids are dense due to gravitational compression over time rather than melting.
  • A participant discusses Jupiter's migration and its impact on the formation and destruction of planetary embryos, suggesting that many asteroids were originally larger bodies that were broken apart.
  • Another viewpoint emphasizes that small asteroids likely formed from larger objects, which were then fragmented through collisions or gravitational interactions.
  • Some participants mention that certain asteroids may indeed be dust piles, while others, like Vesta, are large enough to be compressed by gravity.
  • Evidence is presented regarding the structure of comets, suggesting they may be rubble piles rather than solid bodies, which raises questions about the nature of asteroids as well.
  • There is a contention regarding whether gravity can generate heat sufficient to melt materials, with differing opinions on the role of gravitational potential energy in this process.

Areas of Agreement / Disagreement

Participants express multiple competing views regarding the formation and structure of asteroids, with no consensus reached on the mechanisms involved or the nature of these bodies.

Contextual Notes

Some claims depend on specific definitions of terms like "dust piles" and "density," and the discussion includes unresolved assumptions about the physical processes involved in asteroid formation.

Jakko
Messages
12
Reaction score
0
So stoney and metalic asteroids formed from dust and gas condensed from plasma. You would think they would be fluffy, dust piles, unless they had been part of a body large enough for its own gravity to melt it--large enough to form a sphere? Yet we're told that Sol's asteroid belt was never part of a larger body, whether torn apart by Jupiter's gravity or smashed to bits by an impact. But aren't many of them quite dense, even solid metals? How does that happen in vacuum, without enough mass in one place to at least melt a core?
 
Astronomy news on Phys.org
Hi there :smile:

Jakko said:
You would think they would be fluffy, dust piles, unless they had been part of a body large enough for its own gravity to melt it

gravity doesn't melt things away

Jakko said:
But aren't many of them quite dense, even solid metals? How does that happen in vacuum, without enough mass in one place to at least melt a core?

here's one of many links from google
no point me retyping what some one else has written

http://www.scienceclarified.com/scitech/Comets-and-Asteroids/How-Asteroids-and-Comets-Formed.htmlI am sure with a little research you can find other references

BTW you should have tagged your thread basic, not intermediate

Dave
 
Keep in mind that in the early solar system Jupiter formed beyond the snow line (some 3+ AU distant), and then began migrating inward to a position about where Mars is today at 1.5 AU, before being pulled back out to its currently location at 5.2 AU by Saturn. Which means that Jupiter had to crossed the location of the asteroid belt - twice.

The early solar system was populated with scores of Ceres-size to Mars-size planetary embryos. Jupiter's inward and then outward migration would have destroyed many of these minor planets and prevented them from reforming. It is also being suggested that Jupiter's inward migration is what prevented Mars from being bigger. If any of these small planetary embryos got too close, Jupiter's gravity would rip it apart. In a sense one can say Jupiter created the asteroid belt.

Small dense asteroids did not form from the solar system gases into their current form, as suggested by the OP. They formed much larger objects first in order to achieve that density, and then were broken up into smaller pieces through collisions or gravitational effects.

Sources:
Two phase, inward-then-outward migration of Jupiter and Saturn in the gaseous Solar Nebula - Astronomy & Astrophysics, Volume 533, September 2011
Jupiter's Decisive Role in the Inner Solar System's Early Evolution - PNAS, Volume 112, Number 14, February 2015
A low mass for Mars from Jupiter's early gas-driven migration - Nature, Volume 475, Issue 7355, July 14, 2011 (free preprint)
 
The thing is that most of the mass of the asteroid probably did come to just rest on it. There are two main reasons that small asteroids are dense and not fluffy (well three if it was simply ejected from a larger object.)

First off, is gravity. Gravity will cause the asteroid to only ever become denser, it will never ease up. So any motion of the particles always lead to a denser configuration. Take tin foil and create a little ball out of it. Don't squeeze it, just crumple it enough to make a ball, it should not be dense. Then toss it on the floor, like an asteroid having a minor impact. Part of it got denser. Now do it over and over again. Eventually, you'll end up with a pretty tight little ball without over really hitting it very hard. Now do it for 4 billion years.

Secondly, metal acts very differently than you'd expect in space. If you touch a piece of iron to another piece of iron on Earth what happens? Not much. That's because you didn't really touch iron to iron. The iron has a thin layer of iron-oxide from being exposed to the atmosphere. In space, if two iron atoms come together, they instantly form a metallic bond in a process called cold welding.
 
Some freezers generate icecubes. The icecubes are a solid. If the cubes sit in a pile long enough there will be a big clump. It can be hard to separate the clump into usable cubes. In the case of water around -10C and atmospheric pressure "long enough" cab be a few weeks. Inside of glaciers cracks will turn into bubbles. If there is no atmosphere cracks can disappear instead of forming the bubble.

If you look at bag of portland cement at Home Depot you see something you could call "a fluffy dust pile". After it gets wet the same stuff is quite hard. The gel is not the same as a crystalline solid but it hurts the same if you land on either.

Some cutting tools have ion hardened edges. Space has lots of ions.
 
Hello Jakko,

I just joined this forum to answer this question. As chance would have it, I'm an astronomer (postdoc) and I have worked a bit on the formation of asteroids.

Jakko said:
So stoney and metalic asteroids formed from dust and gas condensed from plasma.

Not plasma. Plasma is fully ionized, and the protoplanetary disk is much colder than that.
Jakko said:
You would think they would be fluffy, dust piles, unless they had been part of a body large enough for its own gravity to melt it--large enough to form a sphere? Yet we're told that Sol's asteroid belt was never part of a larger body,

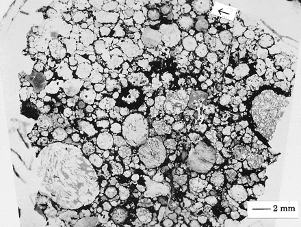
I actually suspect that many or most asteroids ARE dust piles. For sure, some of them aren't. Some of them are large enough to be compressed by gravity (e.g. Vesta), and some are fragments of larger bodies. Note that asteroids don't need to be spherical to be compressed. This picture is a close-up of a meteorite. The little round things are called chondrules, and they often make up the majority of some of the most primitive (earliest) meteorites. Notice how a lot of the chondrules have been deformed and they fit together like a jigsaw puzzle. This is evidence that the chondrules were once hot enough that they could be deformed, and that this region of the asteroid was compressed; so the chondrules were squeezed into each other.

F1.medium.gif


As you said, the asteroid belt was never all in a single body, but the asteroid belt is highly collisional. Asteroids have been smashing together for billions of years and a lot of asteroids are fragments of bigger ones.

I don't have direct evidence that some asteroids are dust piles, but I do have evidence that at least (some?) comets probably are. Here is a picture of comet Shoemaker-Levy 9, some time before it hit Jupiter. Notice that the comet has broken into many fragments. How did that happen? Well, the tidal field of Jupiter's gravity stretched the comet and tore it to pieces. This is amazing because it gives us a way to measure the tensile strength of the comet. Because we were watching the comet, we know exactly when it began to break. We can compute the strength of Jupiter's tidal force at that point, and voila, you have just computer the tensile strength of the comet. So what did we learn? We learned that the comet has practically zero tensile strength. The tensile strength is 10,000 times smaller than solid ice. So this comet is *not* a solid lump of ice. It has to be a rubble pile, with the chunks of ice just sort of touching each other, but nothing really holding them together besides the comet's own feeble gravity.

128142-004-F409A975.jpg


The other piece of evidence that I'll give you that at least comets are probably rubble piles is comet 67P/Churyumov–Gerasimenko. This is the comet that was visited by ESA's Rosetta mission. While it was in orbit, Rosetta measured the comet's density at 0.5 g/cm^3. But water and ice have a density of 1.0 g/cm^3. How do you get a body made out of ice and other denser stuff to have a density of 0.5 g/cm^3? The comet has to be extremely porous, with roughly half of the volume of the comet being basically empty. Again, that sounds like a rubble pile.

Comet_67P_on_19_September_2014_NavCam_mosaic.jpg
So... there you have it. I hope this helped answer your question.
 
  • Like
Likes   Reactions: |Glitch|
davenn said:
gravity doesn't melt things away

It can... through the release of gravitational potential energy into heat.
 
DCY said:
It can... through the release of gravitational potential energy into heat.

Have you some valid references for that in the context of the subject being discussed ?
 
davenn said:
Have you some valid references for that ?

I'm not sure what you are looking for. The energy released in bringing a mass M together is ~ G*M*M/R^2, or the gravitational binding energy. Energy is radiated away at a rate proportional to ~ sigma*T^4 * R^2. It follows that if a sufficiently large mass M comes together in a sufficiently short span of time you can achieve arbitrarily high temperatures. Gravitational potential energy is the initial source of heat that helped ignite nuclear fusion in the Sun; it is the reason why Earth was initially molten; and it is the reason why Jupiter today continues to radiate more energy than it receives from the Sun. I am sure that all of this is familiar to you. So I'm not sure where to go with your question.
 
  • #10
DCY said:
I'm not sure what you are looking for.

thought that was plain
references where gravity is causing melt in asteroid sized objects

DCY said:
It follows that if a sufficiently large mass M comes together in a sufficiently short span of time you can achieve arbitrarily high temperatures.

exactly, VERY large masses ... not small planetoids / asteroids as being discussed in this thread :smile:
 
  • #11
Well, you said "gravity doesn't melt things away". I said that it can. You seem to have conceded that point. Perhaps we both should have been more precise, but note that your statement, as written, is false, and that prompted my correction. I concede that I also should have been more precise. I did not mean to say that gravity is the only, or even the primary, source of heat for asteroids. I meant to say only what I wrote: that gravity can melt. To settle this: my understanding is that for asteroids radiometric heating is contributes a lot more than gravity. I just estimated that for a large asteroid gravity will add no more than 30 degrees C, if the whole asteroid came together at once. Strictly speaking this *can* melt, if the asteroid is initially close enough to the snow line, but this is not what I was thinking about and I would not want my initial statement, "gravity can melt", to be converted into, "gravity is the primary contribution to asteroid melting". I hope I have now been precise enough with language.
 
  • #12
DCY said:
I just estimated that for a large asteroid gravity will add no more than 30 degrees C, if the whole asteroid came together at once.
They don't come together all at once, and even if they did they are mainly small.
Any rise of temperature would be less than one degree in my estimation.
 
  • Like
Likes   Reactions: davenn
  • #13
rootone said:
They don't come together all at once, and even if they did they are mainly small.
Any rise of temperature would be less than one degree in my estimation.

Ice rinks remain below 0C while people are skating. However, the steel is in contact with liquid water.

Forge welding joins two or more solids without melting or liquefying the pieces.

A small object can penetrate a large object without destroying the larger object. Even more so if the larger object has a lot of porosity. Small meteors can impact with enough energy to liquefy the small meteor. The impact could increase the overall porosity despite melting into the surrounding material.
 
  • #14
rootone said:
They don't come together all at once,

Sigh... First of all, I didn't claim that they they did, and you don't know that they don't (I actually suspect that they do). The purpose of the post was to establish a useful upper limit with a simple back-of-the-envelope calculation. That's why I described how the calculation was produced: largest body in the asteroid belt, fastest formation possible => upper limit. I could have made a higher upper limit by assuming a silicate-rich composition but that seemed like overkill.
 
  • #15
DCY said:
...(I actually suspect that they do)...

Please add more content. Is there a complete model for asteroid formation?
 
  • #16
stefan r said:
DCY said:
...(I actually suspect that they do)...
Please add more content. Is there a complete model for asteroid formation?

Sure, I'll try. Planetesimal formation (asteroids are planetesimals) is one of the biggest open problems in planet formation. At first you might think that asteroids form by having small rocks collide and stick so they become bigger. But that idea has some major obstacles.

1) As the small rocks grow larger, their collision speeds increase and eventually they begin to fragment rather than stick. This has to do with how rocks experience aerodynamic drag as they grow larger. For more detail, have a look at section 2.2 of this paper: https://arxiv.org/abs/1703.07895 (Full disclosure: I am the first author of that paper). The upshot is that you cannot make rocks larger than about 1cm (actual size depends on local disk properties). This is known as the "fragmentation barrier".

2) Even if you somehow made it past the fragmentation barrier, there is another problem. Once rocks get to about a meter in size, aerodynamic drag makes them spiral into the Sun very quickly. This is known as the "radial drift barrier" (more details in section 2.3 of my paper).

Most people working on planetesimal formation today (but not everyone) are working on models in which planetesimals form because "somehow" a bunch of small rocks come together and make a dense cloud. When the cloud becomes dense enough, it collapses by its own self-gravity. When this occurs, you rapidly move from the small rocks to a full-size planetesimal. So you effectively skip the fragmentation and radial drift barriers. What makes the models different is how they propose to make those particle clouds. For example, some people suggest that small eddies in the gas disk can accumulate particles. Others look at large scale variations in the pressure profile of the protoplanetary disk. I personally work on one model called the "streaming instability" which is a bit complex and I'm not sure if you want to hear about it; but it is the subject of my paper. Most of my PhD was related to the streaming instability and I'm still spending some of my time on this.

Now, to answer your second question: Is there a complete model for asteroid formation? -- The answer is not really. This is an open problem. All the models have issues, including the one I work on. But at least you can see why I suspect that planetesimals form all at once. I strongly suspect that they form by the gravitational collapse of small rocks. There is some observational evidence that supports this view. For example, some authors have argued that the size distribution of asteroids is inconsistent with what would be expected from a "bottom-up" formation, but could be explained if asteroids were born as ~100km size bodies that then collided (https://arxiv.org/abs/0907.2512). There is more evidence, but you are probably tired of me talking.
 
Last edited by a moderator:

Similar threads

  • · Replies 3 ·
Replies
3
Views
2K
  • · Replies 24 ·
Replies
24
Views
4K
  • · Replies 8 ·
Replies
8
Views
3K
  • · Replies 19 ·
Replies
19
Views
5K
Replies
17
Views
4K
  • · Replies 21 ·
Replies
21
Views
6K
  • · Replies 20 ·
Replies
20
Views
4K
  • · Replies 2 ·
Replies
2
Views
5K
  • · Replies 51 ·
2
Replies
51
Views
10K
  • · Replies 1 ·
Replies
1
Views
5K