Make Solid State Electrostatic Oscillator?

  • Context: Undergrad 
  • Thread starter Thread starter Salvador
  • Start date Start date
  • Tags Tags
    Curious Switch
Click For Summary

Discussion Overview

The discussion revolves around the feasibility of creating a solid-state electrostatic oscillator, akin to a device demonstrated in a video. Participants explore the concept of oscillation without moving parts, focusing on semiconductor applications and alternative designs.

Discussion Character

  • Exploratory
  • Debate/contested
  • Technical explanation

Main Points Raised

  • Some participants assert that the original device relies on moving parts, suggesting that a solid-state version may not replicate the same function.
  • Others propose that solid-state oscillators exist, and discuss the possibility of using transistors to charge and discharge capacitors.
  • A participant questions the definition of "like" in relation to the original device, emphasizing the importance of retaining key features for a solid-state version.
  • One idea involves a self-oscillating switch that toggles between positive and negative potentials, potentially inducing currents in a transformer.
  • Another participant suggests a Neon Oscillator as a possible solid-state alternative, while others mention the cavity magnetron as a different approach to generating oscillations.
  • There is a discussion about the mechanics of a proposed switch, including the need for connections to operate effectively.
  • Participants explore the concept of a "black box" approach to describe the device's function abstractly, considering various circuit implementations.
  • Some participants express a desire for a more robust apparatus than the analog presented in the original video.

Areas of Agreement / Disagreement

Participants do not reach a consensus on the feasibility of a solid-state electrostatic oscillator. Multiple competing views and ideas are presented, with ongoing debate about the mechanisms and designs involved.

Contextual Notes

Participants express uncertainty regarding the specific requirements for a solid-state device to function similarly to the original electrostatic oscillator. There are unresolved questions about the operational principles and design constraints of the proposed switch.

Salvador
Messages
505
Reaction score
70



I saw a video where a guy has set up what appears to be somekind of an electrostatic oscillator or something , I do understand how the device works , but I am curious whether something like this can be made in solid state , no moving parts something like a semiconductor ?
 
Last edited by a moderator:
Physics news on Phys.org
The short answer to your question is - no.
The device is the moving parts.

OTOH: there are many solid state oscillators.
 
I am curious whether something like this...

"Like" is a very subjective word. Which bits have to be retained for it to qualify as "like" the experiment in the video?

As Simon said, the key feature appears to be the moving parts. That's the bit that's making it oscillate. It would work equally well if you replaced the CRT with another high voltage source.
 
It would work equally well if you replaced the CRT with another high voltage source.

No doubt about that.
When I thought solid state , I was thinking about the moving pin and the two plates/soda bottles of such a device.

If the middle pin/plate would be stationary and instead of vibrating between the two oppositely charged poles it had something similar to transistor junctions so that each side could conduct only one at a time so that instead of a short circuit the middle pin/plate charges to some + value and then discharges into the ground side.
 
Many oscillators use transistors to charge and discharge a capacitor.
 
For that matter, you can power any oscillator with a capacitor.
The tins are the capacitor. Rig a square-wave oscillator - say with a 555 timer circuit.
 
Thank you for your responses , my original idea wasn't about a charge pump or an oscillator like the simple ones with 555 chip.
my idea was whether it would be possible to make such a self oscillating switch in solid state ?
Like you have two pins as in every switch then you add some DC potential across it and then it goes back and forth carrying some amount of charge in each cycle from + to -, then this middle charge carrying region could be used to induce currents in atransformer etc as it goes from + to - and back.
 
"Solid state" but not a transistor or similar semiconductor?

How about a Neon Oscillator..

http://www.cliftonlaboratories.com/userimages/relaxa1.gif

Nearest I can think of. Charge and voltage build up on the capacitor until the Neon strikes and discharges it.
 
Last edited by a moderator:
Perhaps a cavity magnetron is closer...
http://en.wikipedia.org/wiki/Cavity_magnetron

The cavity magnetron is a high-powered vacuum tube that generates microwaves using the interaction of a stream of electrons with a magnetic field while moving past a series of open metal cavities (cavity resonators). Bunches of electrons passing by the openings to the cavities excite radio wave oscillations in the cavity, somewhat similarly to the way a guitar's strings excite sound in its sound box.
 
  • #10
Salvador said:
Thank you for your responses , my original idea wasn't about a charge pump or an oscillator like the simple ones with 555 chip.
my idea was whether it would be possible to make such a self oscillating switch in solid state ?
.. a self-toggling switch - like it switched on and off cyclically?

Like you have two pins as in every switch then you add some DC potential across it and then it goes back and forth...
what "goes back and forth? In what way?
Please be explicit?

... carrying some amount of charge in each cycle from + to -, then this middle charge carrying region could be used to induce currents in a transformer etc as it goes from + to - and back.
YOu have a box with one input and one output - bias them, and a current flows with a square wave form: on-off-on-off etc?
 
  • #11
thank you for your responses, I have read about the neon oscillator etc ,
as to Simon , yes self toggling switch would be an accurate picture but not the most important part it could also be driven like a transistor.

also you are correct about the box and the on and off thing that you mentioned. That was the way I was looking at it.

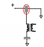
I made a circuit drawing from how I imagine the switch could work if implemented in its original form as in the video , the transformer would work because as the middle plate goes from + to - and back the capacitor gets charged /discharged.
I was wondering about such a switch only in solid state.the switch part of the circuit is with a red circle.
 

Attachments

  • diagram.png
    diagram.png
    1.2 KB · Views: 541
  • #12
and what do you think is going to cause that switch to operate ?
As you have shown it, the centre contact isn't connected to either the + or the -
so it will just sit there and do nothing :wink:

Dave
 
  • #13
Salvador said:
I saw a video where a guy has set up what appears to be somekind of an electrostatic oscillator or something , I do understand how the device works , but I am curious whether something like this can be made in solid state , no moving parts something like a semiconductor ?
You can often see this same phenomenon with a much simpler apparatus. You've charged a plastic comb and held it over torn-up pieces of light-weight tissue paper? Some of the pieces jump up and down repeatedly, for a few oscillations at least.
 
  • #14
...yes self toggling switch would be an accurate picture but not the most important part it could also be driven like a transistor. ...also you are correct about the box and the on and off thing that you mentioned. That was the way I was looking at it.
Good, that gives me something more concrete to work with.
This "black box" approach is useful for describing a conceptualized device - just treat it as so many wires in and so many wires out and what an external meter is going to read in different circumstances.

Its best to start from the simplest form of a concept before developing it.

The basic abstract circuit diagram, therefore, would be a DC voltage source V in series with a small resistance r (this would represent the various internal resistances for non-ideal components) and a box representing our device.

An ammeter anywhere in the circuit would register a square wave - i(t)=V/r : 0<t<T/2, i(t)=0: T/2<t< T ... repeats.

Variations for exact implementation - but that's basically it.
Notice that in this idealization, the voltage across the device will also be a square-wave as v(t)=r.i(t)

The question you are asking, therefore, becomes:
- what solid-state circuit can we put in the box to do that?

The answer is: there are many. You should be able to figure out a few after perusing a semiconductor reference. I still think an oscillator circuit can be made to do that, or a flip-flop. In fact, I seem to remember that a "periodically toggled switch" is one of the example circuits in the Radioshack Engineer's Notebook ... maybe even the Semiconductor Cookbook. iirc it involves a 555 timer.

An obvious modification to the box would be to add another, 3-state, input.
State 1: the switch if forced open
State 2: the switch is forced closed
State 3: the switch toggles

The toggling may be random, periodic - maybe with a programmable period, or some other function... but you'd need more input pins for that. The simplest design that fits your description and the ensuing discussion is as above.

(Note - changing the resistance to a reactance, to account for stray capacitances or inductances, will round off the corners of the square wave, so I didn't worry about it to start with.)
 
  • #15
Thank you for your responses.

and what do you think is going to cause that switch to operate ?
As you have shown it, the centre contact isn't connected to either the + or the -
so it will just sit there and do nothing

the switch would operate on repulsion attraction of contacts/charges.Please refer to the original video posted in the first post.


Nascent you wrote the analog of the experiment in the original video , that also works , yet I am looking for a more robust and usable apparatus.

Simon I read your thoughts and completely agree about the black box approach , also I am familiar with astable multivibrator and other self oscillating circuits made from semiconductor switches.
The problem is I'm looking for a switch that can be used for high voltage DC, so transistors and semiconductors in general are not that good at kV and above voltage levels as much as I know.
I hope you got the idea , as the middle plate charges from + to - the cap gets charged/discharged and so the current/voltage waveform changes in the transformer causing induction so then further one can step down the high voltage DC.

I assume this would work with a mechanically moving switch , similar in design with what is shown in the original video but I was interested would there be any such material which would allow the current to go to the middle one side at a time.Like first the + charges up the cap once its full it disconnects and then the + in the middle plate now discharges to ground.And this repeats producing something similar to a sine wave in the transformer.
 
  • #16
The problem is I'm looking for a switch that can be used for high voltage DC... kV...
... you aksed in post #1:
I am curious whether something like this can be made in solid state
...

The term "solid state" refers to semiconductor devices.
http://electronics.howstuffworks.com/question558.htm

You are looking for solid state components that operate in the kilovolt range.
It seems that they exist, see:
http://bromine.cchem.berkeley.edu/grppub/frbm2.pdf
(8kV FET)

Look at power transistors and optocouplers too.
Of course you can always use an oscillator to drive a relay.Don't know what you mean by "go to the middle one side at a time".
Remember about using the black-box descriptions: concentrate on what you want to do and not the details of how it gets done.

Meantime - the design parameters you are asking about appear to be a moving target.
Please settle on a final set of parameters you are prepared to stick to so we can help you.
 
  • #17
Don't know what you mean by "go to the middle one side at a time".

What I meant was this. If we look at the original idea. The two soda cans and the jumping pin inbetween, then the voltage limit to such a self oscillating switch is the breakdown voltage of the surrounding air or the medium in which the soda can switch is put, as long as there is no direct path for the current from + to - the switch can operate. as the pin travels towards + side it gets positively charged then it repels and travels to the negative side where it gets attracted until it drains it positive charge and now has a negative one which again is being repelled and so the cycle repeats.

By one side at a time , I was referring to the fact that both electrically and mechanically such a switch needs its charging current to go from input pin to the middle pin and then from middle pin to ground pin otherwise it just shorts out from input to ground and no oscillations can occur it becomes a conductor.

If I would attach a little wire to the middle pin that sways and connect that wire to a capacitor which is then connected to the negative side the cap would charge and discharge repeatedly as the pin moves from + to - and back ?So my parameters are simple , a self oscillating HV switch and the frequency of the oscillations would probably be determined from the system parameters like capacitance , inductance and resistance etc.
The problem is this seems to work electromechanically , but because everything that moves wears out my question was can this be made purely electrical without the mechanical part involved.
 
Last edited:
  • #18
If I would attach a little wire to the middle pin that sways and connect that wire to a capacitor which is then connected to the negative side the cap would charge and discharge repeatedly as the pin moves from + to - and back ?
... well you've got the charges back to front but no matter.

Describe that as a black box - you'd have three wires sticking out of it ... you put a fixed voltage to two of them, called them vcc and gnd. The third one, (the "middle" one) with nothing connected, has a square wave voltage (as charge arrives and then leaves). You imagine attaching a capacitor from there to the the gnd wire. The result is that the capacitor charges and discharges.

You've just described an oscillator again.

If you are still not happy - just go back and use the black-box description: how many wires etc.
I won't keep doing this for you.
 
  • #19
Yes Simon , correct , the black box thing and what it should do is exactly what I thought.
Problem isn't the black box , it's how to achieve this mechanism to work in the fashion I imagine.
keeping in mind the high voltage requirment and other parameters like robustness.

In older tesla coils they used a spark gap which too acted as a crude switch causing induction but the problem with a spark gap is that it wears out and is unstable, no wonder they tend not to use those anymore.
 
  • #20
Yes Simon , correct , the black box thing and what it should do is exactly what I thought.
Problem isn't the black box , it's how to achieve this mechanism to work in the fashion I imagine.
keeping in mind the high voltage requirment and other parameters like robustness.
But I've already answered that question!
Make the oscillations using a 555 timer circuit, or whatever your favorite oscillator is, and do the high-voltage switching with an optocoupler.

Alternately, construct the oscilator out of high voltage semiconductors... come on, you know enough to draw your own circuits.

This is not a difficult conclusion once the parameters have been worked out.

Note: you have yet to provide a value of robustness so I cannot comment on that.

Seriously: anyone would think you wanted the answer to be "no" it can't be done!?
 
  • #21
Some Triacs and Thyristors in capsule packages (aka "Ice hockey puck") are pretty robust. Thousands of amps/volts.
 
  • #22
Salvador said:
how to achieve this mechanism to work in the fashion I imagine.
keeping in mind the high voltage requirment and other parameters like robustness.

In older tesla coils they used a spark gap which too acted as a crude switch causing induction but the problem with a spark gap is that it wears out and is unstable, no wonder they tend not to use those anymore.
If you can get your hands on a Nixie it may be possible to devise an oscillation between two digits, a Nixie is a glorified neon bulb---but with multiple electrodes. It won't wear out.

Even a repurposed* Nixie will outlive you. :smile:
 

Similar threads

  • · Replies 4 ·
Replies
4
Views
2K
  • · Replies 1 ·
Replies
1
Views
2K
  • · Replies 2 ·
Replies
2
Views
2K
  • · Replies 5 ·
Replies
5
Views
4K
  • · Replies 13 ·
Replies
13
Views
4K
  • · Replies 1 ·
Replies
1
Views
4K
Replies
7
Views
2K
  • · Replies 1 ·
Replies
1
Views
2K
Replies
4
Views
3K
  • · Replies 1 ·
Replies
1
Views
10K