Percent Change Of current when the switch is closed

Click For Summary

Homework Help Overview

The discussion revolves around calculating the percent change in current when a switch in a circuit is closed, specifically in the context of an ideal battery and its internal resistance affecting the brightness of a bulb.

Discussion Character

  • Exploratory, Assumption checking, Problem interpretation

Approaches and Questions Raised

  • The original poster attempts various calculations for percent change in current but finds discrepancies in their results. Some participants inquire about the presence of a circuit diagram to better understand the setup.

Discussion Status

The discussion is ongoing, with participants exploring different interpretations of the problem. The original poster has shared multiple attempts at calculating the percent change, but no consensus has been reached on the correct approach or answer.

Contextual Notes

The problem includes specific values for the battery's internal resistance and the bulb's resistance, which may influence the calculations being discussed. The original poster expresses uncertainty about the correctness of their calculations.

ChrisWM
Messages
13
Reaction score
1
Homework Statement
By what percent does the current through A change when the switch is closed?

I found the value of the current to be .174 A when the switch is closed and value of the current when the switch is open to be .181 A.
Relevant Equations
final-initial/initial
(.174A-.181A)/.181A=-3.86% but it says it wrong, and I did (.181A-.174A)/.174A =4.02% but this was wrong too. I've tried 3.87%,3.86%,-3.87%,-3.67%,4.02%, and -4.02% but all were wrong. I'm really not sure what to do here.
 
Physics news on Phys.org
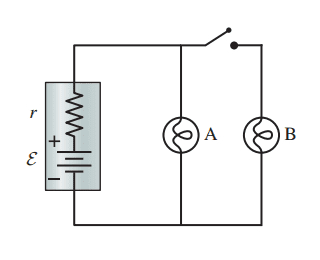
Is there a circuit diagram?
 
  • Like
Likes   Reactions: ChrisWM
1590556060734.png
Here you go!
 
Here is the actual problem; For an ideal battery (r = 0 Ω), closing the switch in (Figure 1)does not affect the brightness of bulb A. In practice, bulb A dims just a little when the switch closes. To see why, assume that the 1.50 V battery has an internal resistance r = 0.30 Ω and that the resistance of a glowing bulb is R = 8.00 Ω.
 

Attachments

  • 1590556104997.png
    1590556104997.png
    3.5 KB · Views: 194
cnh1995 said:
Is there a circuit diagram?
 

Attachments

  • 1590556762327.png
    1590556762327.png
    893 bytes · Views: 226

Similar threads

Replies
2
Views
3K
  • · Replies 8 ·
Replies
8
Views
5K
  • · Replies 10 ·
Replies
10
Views
10K
  • · Replies 7 ·
Replies
7
Views
2K
Replies
13
Views
2K
  • · Replies 6 ·
Replies
6
Views
3K
Replies
6
Views
4K
  • · Replies 6 ·
Replies
6
Views
2K
Replies
7
Views
2K
  • · Replies 6 ·
Replies
6
Views
2K