Solving for Driving Point-Impedance: Techniques and Simplification

  • Thread starter Thread starter Wilson Lin
  • Start date Start date
Click For Summary
SUMMARY

To determine the driving point-impedance in electrical circuits, parallel and series combination simplification techniques are effective. Mesh analysis is not necessary for simpler circuits, as equivalent two-terminal circuits can be formed using these simplification methods. The discussion emphasizes the importance of showing the work involved in these calculations for clarity and understanding.

PREREQUISITES
  • Understanding of series and parallel circuit combinations
  • Familiarity with driving point-impedance concepts
  • Basic knowledge of circuit analysis techniques
  • Ability to perform equivalent circuit transformations
NEXT STEPS
  • Research techniques for simplifying circuits using series and parallel combinations
  • Study driving point-impedance calculations in various circuit configurations
  • Learn about mesh analysis and its applications in circuit analysis
  • Explore equivalent circuit transformations and their significance in electrical engineering
USEFUL FOR

Electrical engineering students, circuit designers, and anyone involved in circuit analysis and impedance calculations will benefit from this discussion.

Wilson Lin
Messages
1
Reaction score
0
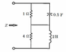
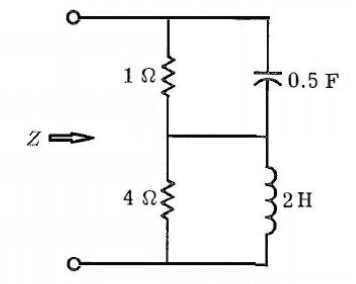
To find the driving point-impedance do I need to do mesh analysis?
Or is there other techniques to solve the problem?
 

Attachments

  • Screen Shot 2017-03-08 at 2.32.59 PM.png
    Screen Shot 2017-03-08 at 2.32.59 PM.png
    6.8 KB · Views: 604
Physics news on Phys.org
Wilson Lin said:
To find the driving point-impedance do I need to do mesh analysis?
Or is there other techniques to solve the problem?
Welcome to the PF. :smile:

I moved your thread from the EE forum to the Homework Help forum because it is askig about schoolwork. Please post schoolwork-type questions here in the HH forums going forward.

On your question, this circuit is simple enough that you can use parallel and serial combination simplification to form the equivalent 2-termianl circuit. That will give ou the drive point impedance. Can you show us that work?
 

Similar threads

  • · Replies 5 ·
Replies
5
Views
3K
  • · Replies 2 ·
Replies
2
Views
2K
  • · Replies 2 ·
Replies
2
Views
3K
  • · Replies 12 ·
Replies
12
Views
2K
  • · Replies 7 ·
Replies
7
Views
3K
  • · Replies 15 ·
Replies
15
Views
1K
  • · Replies 1 ·
Replies
1
Views
2K
  • · Replies 2 ·
Replies
2
Views
2K
  • · Replies 35 ·
2
Replies
35
Views
4K
  • · Replies 13 ·
Replies
13
Views
2K