Suspension interaction with car

Click For Summary

Discussion Overview

The discussion revolves around the physics of suspension interaction with a vehicle chassis, particularly in the context of high horsepower cars with small tires on prepped race tracks. Participants explore the effects of control arm angles and spacing on vehicle dynamics, specifically regarding front lift and rear axle behavior during acceleration.

Discussion Character

  • Exploratory
  • Technical explanation
  • Debate/contested

Main Points Raised

  • One participant describes a high horsepower car setup, detailing torque and gear ratios, and expresses a need to understand how control arm angles affect body dynamics during acceleration.
  • Another participant questions the use of glue on the track, suggesting that any gains in traction may be offset by the power required to unstick the tires, although this is not the main focus of the original question.
  • A participant emphasizes that the upper control arms (UCA) pull backward while the lower control arms (LCA) push forward due to axle rotation, raising questions about how this affects the car's body lift.
  • Discussion includes the idea that the spacing between UCA and LCA affects the rotational forces acting on the chassis, with wider spacing potentially increasing front lift.
  • Another participant suggests that to minimize lifting effects, the center of gravity (CG) would need to be at ground level, which is impractical, and discusses the implications of arm lengths and connection points on lifting forces.
  • Concerns are raised about the influence of the UCA's height and spacing on the front lift, with a participant seeking to understand the rotational force caused by this configuration.

Areas of Agreement / Disagreement

Participants express varying views on the impact of control arm angles and spacing on vehicle dynamics, with no consensus reached on the best approach to mitigate front lift or the effectiveness of the current suspension setup.

Contextual Notes

Participants acknowledge limitations in their understanding of how the specific geometry of the suspension affects forces acting on the vehicle, particularly regarding the interaction between UCA and LCA in a non-ideal suspension setup.

Tom Rauji
Messages
45
Reaction score
6
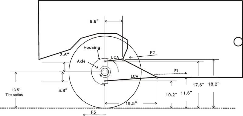
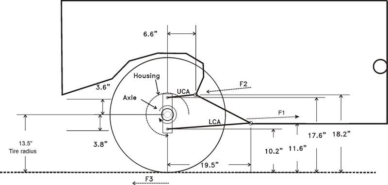
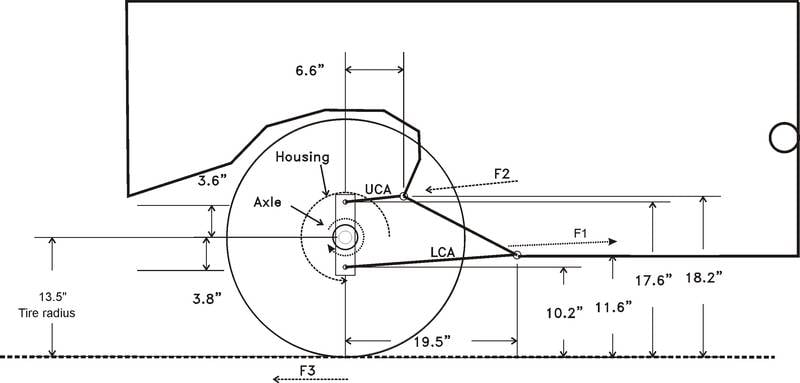
I need help or guidance at a physics level understanding suspension interaction with a vehicle chassis. Here is the problem.

I have a very high horsepower car with small tires. The race tracks are prepped with a glue. It is very easy to go over 1500 HP with a pretty high gear ratio. For example on the starting line my system has about 900 lb-ft torque through a 2.0 torque converter multiplication through a 1.68 ratio low gear to a 4.10 rear gear. That 900*2.0*1.68* 4.1= 12,400 lb-ft or 6200 lb-ft per tire drives the car off the line. The tires actually can plant that torque to the track without slipping. Some of this is by virtue of the glue, and some by the rear axle separating from the chassis and being thrown down into the track as the body is pushed upward and forward.

My problem is understanding arm angles and how they affect the body. I'd like the rear axle to push on or slightly below the center of gravity so the car does not roll up in the front, barely lifting the front wheels so all weight sits on the back tires. If I could understand the forces I could reason through this.

The rear suspension setup is not ideal and I can't change anything except control arm angles. The main issue is the spread between the upper control arms (UCA) that pull backwards and the lower control arms (LCA) that push forward.

This is a rough drawing. My feeling is the spread between UCA and LCA attachment causes the front to roll up from axle housing rotation. Front roll up is the issue I am fighting.
Rotation%20forces5.jpg
 

Attachments

  • Rotation%20forces5.jpg
    Rotation%20forces5.jpg
    24.8 KB · Views: 1,379
Engineering news on Phys.org
Tom Rauji said:
I need help or guidance at a physics level understanding suspension interaction with a vehicle chassis. Here is the problem.

I have a very high horsepower car with small tires. The race tracks are prepped with a glue. It is very easy to go over 1500 HP with a pretty high gear ratio. For example on the starting line my system has about 900 lb-ft torque through a 2.0 torque converter multiplication through a 1.68 ratio low gear to a 4.10 rear gear. That 900*2.0*1.68* 4.1= 12,400 lb-ft or 6200 lb-ft per tire drives the car off the line. The tires actually can plant that torque to the track without slipping. Some of this is by virtue of the glue, and some by the rear axle separating from the chassis and being thrown down into the track as the body is pushed upward and forward.

My problem is understanding arm angles and how they affect the body. I'd like the rear axle to push on or slightly below the center of gravity so the car does not roll up in the front, barely lifting the front wheels so all weight sits on the back tires. If I could understand the forces I could reason through this.

The rear suspension setup is not ideal and I can't change anything except control arm angles. The main issue is the spread between the upper control arms (UCA) that pull backwards and the lower control arms (LCA) that push forward.

This is a rough drawing. My feeling is the spread between UCA and LCA attachment causes the front to roll up from axle housing rotation. Front roll up is the issue I am fighting. View attachment 216278
Why would you try to use glue to increase the coefficient of friction with the track? Any gains in traction will be offset by power lost to unstick the trailing edge of the tires from the track.
 
Thanks for the comment, but my question is not about racetrack preparation. The track preps the surface with a special type of glue. The glue will rip your shoes off and sometimes tear the soles off tennis shoes, it does not bother tires rolling any noticeable amount other than to greatly increase traction. That aside, track preparation (while fascinating) isn't any part of my question.

My question is about the physics of the suspension. Because the axle housing tries to rotate opposite the tires and axles, the upper control arms pull backwards. The lower control arms push into the car because of the rear housing trying to rotate plus the tire pushing on the track. Let's assume 10,000 lb-ft of torque. It seems to me the control arms being about 3.7 inches out from axle center, would be sharing about 32000 pounds of the housing "twist".

Should this be treated as an isolated force that because of arm spacing tries to rotate the car body upwards in the front, with the upper arm pulling back and the front pushing forward? The tire thrust on the track would then add to each, leaving the upper arms pulling backward and the lower arms pushing into the chassis?

I'm trying to get my head around this. I believe the reaction on the car chassis is much different with the arms separated so far than it is in a true racing four link where both arms are longer and both arms eventually tie very close to the same point instead of ~7 inches apart.

Thanks, Tom
 
  • Like
Likes   Reactions: berkeman
As for the car CG vs the applied force. The only way to eliminate that lifting effect would be to have the car CG at the same height as F3 (i.e. to have the car CG at ground level) which is clearly a nonstarter.

With regard to the effect of of the arm lengths and connection points, the longer the distance from the arms' axle connections to the arms' body connection points the lower the lifting force applied at the body connection points. My thought being that the best arm/body connection location would be directly below the cars CG point.

Either way you are going to to end up with some body lifting effect from both sources.
 
JBA said:
As for the car CG vs the applied force. The only way to eliminate that lifting effect would be to have the car CG at the same height as F3 (i.e. to have the car CG at ground level) which is clearly a nonstarter.

With regard to the effect of of the arm lengths and connection points, the longer the distance from the arms' axle connections to the arms' body connection points the lower the lifting force applied at the body connection points. My thought being that the best arm/body connection location would be directly below the cars CG point.

Either way you are going to to end up with some body lifting effect from both sources.
Thanks!

I've had 4 link cars and ladder bar cars. I understand those systems and their interaction with CoG OK.

The question I have is the wider spacing of the LCA and UCA in this stock suspension. With the UCA 6-7 inches above the LCA, that is quite a spread. With UCA pulling backwards and not pushing on the car at all, it seems the UCA would be mostly influencing front lift. It doesn't push, it can't push on the CoG so the UCA angle can't really plot against the LCA to define where the line from the tire contact intersects the CoG.

It seems to me the higher the front of the UCA, the more leverage the UCA has to roll the front up. The wider the spread between LCA and UCA on the chassis, the more the differential (pull on the UCA and push on the LCA) would roll the nose up. This is what I am trying to sort through. I'm trying to get my head around how much rotation force that spacing causes. It will help me understand the effect of moving each arm. I don't just want to move the arms willy-nilly, and my results don't track well with IC calculators or plots. I believe the lack of tracking is caused by the height spread between control arms on the chassis.
 

Similar threads

Replies
36
Views
12K
  • · Replies 4 ·
Replies
4
Views
3K
Replies
1
Views
3K
  • · Replies 2 ·
Replies
2
Views
2K
  • · Replies 9 ·
Replies
9
Views
8K
  • · Replies 1 ·
Replies
1
Views
7K
  • · Replies 7 ·
Replies
7
Views
6K
  • · Replies 16 ·
Replies
16
Views
5K
  • · Replies 7 ·
Replies
7
Views
2K
  • · Replies 6 ·
Replies
6
Views
8K