Understanding Power Sources: Solving a Circuit Question with V=IR Method

  • Thread starter Thread starter shibme
  • Start date Start date
  • Tags Tags
    Power Source
Click For Summary
SUMMARY

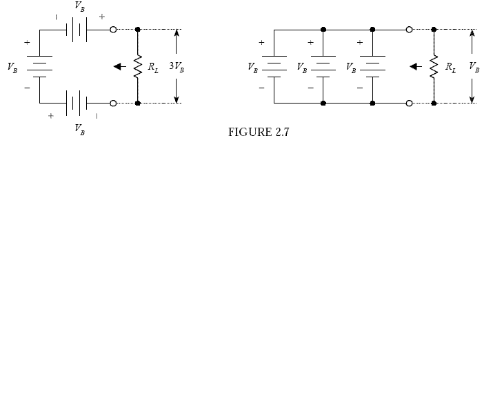
The discussion centers on the application of Ohm's Law (V=IR) to analyze two circuits with different configurations. The user struggles to understand why the current in the circuit on the right (I2) is three times greater than that in the circuit on the left (I1), despite initial calculations suggesting otherwise. The circuits are defined with a voltage (Vb) of 2 volts and a load resistance (RL) of 1 ohm. The correct interpretation of the equations reveals that the circuit configurations lead to the observed current relationship, confirming that I2 is indeed three times I1.

PREREQUISITES
  • Understanding of Ohm's Law (V=IR)
  • Basic circuit analysis skills
  • Familiarity with series and parallel circuit configurations
  • Knowledge of voltage, current, and resistance relationships
NEXT STEPS
  • Review circuit analysis techniques for series and parallel circuits
  • Study the implications of varying load resistance (RL) on current flow
  • Learn about Kirchhoff's laws for more complex circuit analysis
  • Explore practical applications of Ohm's Law in real-world circuits
USEFUL FOR

Students studying electrical engineering, educators teaching circuit theory, and hobbyists working on electronics projects who seek to deepen their understanding of current flow in circuits.

shibme
Messages
7
Reaction score
0

Homework Statement



- see image

Homework Equations



I am having trouble figuring this out mathematically...

I have no idea why but I can't figure it out using V=IR that the circuit on the left has 1/3 the current of the circuit on the right...

can anyone please give a mathematical explanation?



The Attempt at a Solution



Left : 3Vb = I1 * RL
Right : Vb = I2 * RL

then if Vb = 2 and RL = 1, wouldn't that make I1 > I2, by 3 times..

anyone suggestions?
 

Attachments

  • untitled.GIF
    untitled.GIF
    4.4 KB · Views: 553
Physics news on Phys.org
Your solution is correct.
 
hmm... this question is actually from the book and the answer is in words... it states that the circuit on the right (I2) should be 3x the current on the left (I1), but according to my calculations that is not the case... I can't figure this out mathematically...
 

Similar threads

  • · Replies 9 ·
Replies
9
Views
2K
Replies
7
Views
2K
  • · Replies 2 ·
Replies
2
Views
2K
Replies
2
Views
1K
  • · Replies 1 ·
Replies
1
Views
2K
  • · Replies 2 ·
Replies
2
Views
3K
  • · Replies 5 ·
Replies
5
Views
2K
  • · Replies 2 ·
Replies
2
Views
1K
  • · Replies 3 ·
Replies
3
Views
2K
Replies
10
Views
2K