(Bipolar Junction Transistor) The Current Gain of Common Base Amplifier

Click For Summary
SUMMARY

The discussion focuses on the current gain of a Common Base Amplifier using a Bipolar Junction Transistor (BJT). The current gain, denoted as "g", is calculated using the formula g = - Re / (r_be + Re(β+1)) * Rc/(R_L + Rc). The author highlights a discrepancy between their calculated value and the textbook value, prompting a request for clarification. The analysis also explains the behavior of the circuit under varying emitter voltages, illustrating the conditions for both inverting and non-inverting configurations.

PREREQUISITES
  • Understanding of Bipolar Junction Transistor (BJT) operation
  • Familiarity with Common Base Amplifier configurations
  • Knowledge of Kirchhoff's Current Law (KCL)
  • Basic circuit analysis involving resistors and voltage/current relationships
NEXT STEPS
  • Review BJT current gain calculations in Common Base Amplifiers
  • Study the impact of emitter voltage variations on amplifier behavior
  • Explore the differences between inverting and non-inverting amplifier configurations
  • Investigate the significance of load resistance (R_L) in amplifier circuits
USEFUL FOR

Electrical engineers, students studying analog electronics, and anyone involved in designing or analyzing amplifier circuits will benefit from this discussion.

Terrycho
Messages
20
Reaction score
2
Homework Statement
I think there is a typo in my textbook (Basic electronics for scientists and engineers)
Relevant Equations
Bipolar Junction Transistor
245123
Everything is okay besides the current gain of this circuit, which is "g" there

The formula of current gain is I_out/I_in

If I call the current flows to R_e I_2, according to KCL, the following formula must be satisfied.

I_in + (β+1)I_b = I_2

Therefore, to know I_in, we should use the following

I_in = I_2 - (β+1)I_b

After a long calculation, I got g= - Re / (r_be + Re(β+1)) * Rc/(R_L+ Rc), which is the opposite sign of the value above in my textbook.

I cannot find the errata of the book, so I decided to ask here!

Thanks in advance.
 
Physics news on Phys.org
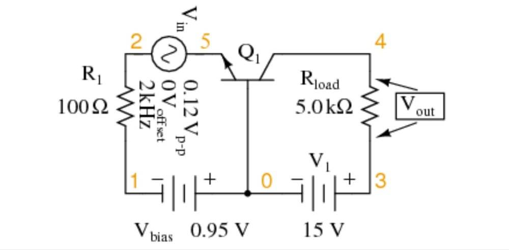
If you examine the circuit with its basic biasing shown, you can see at a glance whether a low-frequency circuit is going to be inverting or non-inverting. Looking at the circuit attached, consider the moment when emitter voltage is slightly increased (such as by the positive peak of an AC component superimposed on the DC bias). This increase in emitter voltage reduces the base-emitter voltage, reducing the collector current. The reduced collector current causes less drop across the collector resistor, RC in your image, in turn causing a rise in collector voltage. This increased collector voltage drives more current through the load, designated RL in your images (and connected between collector and base). So the positive peak of input current coincides with the positive peak of current through the load: a non-inverting current amplifier.

Had we done things differently, and instead designated the load to be the collector resistor itself, as in my attachment, then because the positive peak of input current coincides with a drop in current through the collector resistor, we would say this altered arrangement to be an inverting amplifier of AC current.

common_base.JPG
 

Similar threads

  • · Replies 23 ·
Replies
23
Views
5K
Replies
3
Views
2K
  • · Replies 5 ·
Replies
5
Views
3K
  • · Replies 7 ·
Replies
7
Views
13K
  • · Replies 17 ·
Replies
17
Views
3K
  • · Replies 49 ·
2
Replies
49
Views
8K
Replies
6
Views
2K
  • · Replies 25 ·
Replies
25
Views
10K
  • · Replies 14 ·
Replies
14
Views
4K
  • · Replies 4 ·
Replies
4
Views
2K