Calculating Voltage Gain of Multistage Amplifiers

  • Thread starter Thread starter Drao92
  • Start date Start date
  • Tags Tags
    Amplifiers
Click For Summary

Discussion Overview

The discussion revolves around calculating the voltage gain of multistage amplifiers, focusing on various configurations of transistor stages, their impedances, and the implications of these on overall amplifier performance. Participants explore theoretical and practical aspects of circuit design, including AC analysis and the impact of component values.

Discussion Character

  • Exploratory
  • Technical explanation
  • Debate/contested
  • Mathematical reasoning
  • Homework-related

Main Points Raised

  • One participant calculated the impedance of the second stage amplifier as seen by the first stage and questioned if each amplifier acts as an impedance for the other.
  • Another participant confirmed that the input impedance of the second transistor does provide a load on the output of the first transistor but noted that not all configurations are valid in practice.
  • There was a discussion about the importance of matching the input impedance of the second stage to the output impedance of the first stage to maximize power gain.
  • One participant expressed uncertainty about the equivalent impedance of a transistor acting as an impedance and shared a complex expression involving Y-A transforms.
  • Another participant raised concerns about omitted biasing arrangements in a circuit, suggesting that the base voltage of a PNP transistor may not be sufficient for proper operation.
  • Participants discussed the implications of using approximations for resistor values in their calculations and questioned the validity of these values.
  • There was a mention of using PSPICE for simulation to compare analysis results with theoretical calculations.

Areas of Agreement / Disagreement

Participants generally agree on the basic principles of amplifier operation and impedance interactions, but there are multiple competing views regarding specific configurations, calculations, and assumptions. The discussion remains unresolved on several technical points, particularly regarding the equivalent impedance and the validity of certain circuit designs.

Contextual Notes

Limitations include potential inaccuracies in schematic representations, assumptions made about circuit configurations, and the omission of biasing arrangements that could affect the analysis. Participants also expressed uncertainty about specific calculations and the implications of approximations used in their work.

Drao92
Messages
70
Reaction score
0
Greetings,
I want to tell me if i calculated well the following amplifications.
I took several cases when the first stage is common emitter/base/collector connected to second stage with common emiiter/base/collector.
Firsly i calculated the impedance of the stage 2 amplifier seen by the first amplifier and also i want to confirm me if my logic is good. When we connect the 2 amplifiers, each amplifier acts like an impedance for the other amplifier?
So, i calculated the impedance of the second stage seen by the first stage when the second stage is connected to the first stage with its emitter(RTA in photo), base(RTB in photo) and collector (RTC in photo).
Then i took all posibilities i could imagine of connections and i calculated the voltage gain of the first amplifier and i noted on circuit the second amplifier with RTA, RTB and RTC.
Im not sure on my work on calculating RTC, number 2 case when T1 is common base and the emitter is connected to the second stage.
RT(A,B,C) means that the impedance could be RTA, RTB or RTC, any of these 3.
Also i can have some sign mistakes on amplifications but ignore them.
Another question.
It seems like the impedance of the second amplifier seen by the first amplifier is always the input impedance of the second amplifier, its this somthing like a rule?
 

Attachments

  • 2013-05-15 20.46.52.jpg
    2013-05-15 20.46.52.jpg
    12.9 KB · Views: 505
  • 2013-05-15 20.47.06.jpg
    2013-05-15 20.47.06.jpg
    13.9 KB · Views: 507
  • 2013-05-15 21.01.40.jpg
    2013-05-15 21.01.40.jpg
    24.1 KB · Views: 499
Last edited:
Physics news on Phys.org
Certainly the input impedance of the second transistor provides a load on the output of the first transistor, and the output impedance of the first transistor is the source impedance driving the second transistor.

However, some of the possible configurations just won't work in the real world. You can't use the grounded emitter configuration with the collector as input and the base as output, for example. The collector can't be an input in any configuration, and the base can't be an output.

Otherwise, you can cascade any allowable configurations, and calculate an overall gain. I can't say whether your results are correct because your images are mostly unreadable. You would need to do over your schematics, using a black ink and printing legibly.
 
Drao92 said:
When we connect the 2 amplifiers, each amplifier acts like an impedance for the other amplifier?
Correct.

It seems like the impedance of the second amplifier seen by the first amplifier is always the input impedance of the second amplifier, its this somthing like a rule?
Not always. Designers of multistage amplifiers make an effort to match the input impedance of the second stage to the output impedance of the first stage because this maximizes power gain. This can be done with resistor pads or transformers and at RF frequencies by capacitors and inductors.
 
Thanks very much for the informations. I think they are correct because i solved many problems using this and i got only correct answers.
 
Deleted
 
Last edited:

Attachments

  • Untitled.jpg
    Untitled.jpg
    31.7 KB · Views: 688
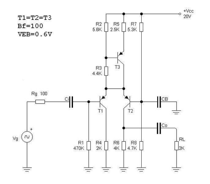
Offhand it seems that the value of Vcc is very critical. What voltage are you planning to use for Vcc?
 
20 v
 
What are trying to do with this amplifier?
 
  • #10
Its an exercise
Im trying to calculate its voltage gain and in the situation posted above I am triying to calculate the voltage gain of the first stage.
 
  • #11
I have another problem in which I am not sure what I am doing.
The T3 transistor doesn't amplify anything and it acts as an impedance and I am not sure what`s the equivalent impedance.
If i use Y-A transform for Rbe,R5 and R2 the equivalent impedance is ((R2*R5)/(rbe+R2+R5)+((R2*rbe)/(rbe+R2+R5)+R3)||infinite impedance of current source)=(R2*R5)/(rbe+R2+R5)+((R2*rbe)/(rbe+R2+R5)+R3)
https://www.physicsforums.com/attachment.php?attachmentid=59024&stc=1&d=1369554518
 

Attachments

  • 2013-05-26 10.44.10.jpg
    2013-05-26 10.44.10.jpg
    41.7 KB · Views: 747
  • #12
Drao92 said:
I have another problem in which I am not sure what I am doing.
I'm having trouble following what is going on. You have intentionally omitted all biasing arrangements, have you?

PNP T2 has its base grounded, so its emitter is +0.6V or so. This seems barely sufficient for T1 to operate. It also gives PNP T3 a collector voltage that is not only too small, but is also the wrong polarity (unless you are deliberately using it in the inverted mode?).

If i use Y-A transform for Rbe,R5 and R2 the equivalent impedance is ((R2*R5)/(rbe+R2+R5)+((R2*rbe)/(rbe+R2+R5)+R3)||infinite impedance of current source)=(R2*R5)/(rbe+R2+R5)+((R2*rbe)/(rbe+R2+R5)+R3)

I am not au fait with a Y-A transform, but it seems that, for typical circuit values, your expression evaluates to basically R3.

I evaluated the 'active load' arrangement from basics, and (assuming no errors) find the impedance presented is of the order of R3/β when operating.

Any idea what the answer should be, so we can check who is closest to being right?
 
  • #13
No sorry, i don't have answers.
Now i think its R3/β when I am looking at the second circuit from photo.
I don't know how to calculate the impedance in that circuit. Let I3=current in R3 resistor, then V=I3*R3+Ib*rbe+(β+1)*Ib*R5
The current in V source is I=β*ib+I3.
And to find the impedance i do V/I but here i have I3 which makes me troubles.
ALso, i realized its not correct as i did because if we calculate the equivalent impedance of common base from emmiter to ground the impedance is rbe/(β+1) but if we do as i did above it would be infinite impedance||rbe=rbe so i omitted 1/β

About the problem above, i don't think the circuit does anything, its just practice problem from homework so i don't know if it works in reality yet :D. The course is more about circuit analysis. Next semester we will do serious stuff.
 
Last edited:
  • #14
I don't know how to calculate the impedance in that circuit. Let I3=current in R3 resistor, then V=I3*R3+Ib*rbe+(β+1)*Ib*R5
The current in V source is I=β*ib+I3.
And to find the impedance i do V/I but here i have I3 which makes me troubles.
You can express Vb in terms of Ib for the transistor, then express I3 in terms of Vb and Ib for the potential divider.
 
  • #15
This is so complicated.
I3=R3/(R2+R3)*Ib+Ib*rbe/R2+Ib*β*R5/R2is aproximative βIb.
Vb=R2*R3/(R2+R3)ib+ib*rbe+Ib*β*R5
V=β*ib*(R3+R2)
V/I=R3+R2 :confused:
R5=2.5k
R2=5k
R3=5k
rbe =1.25k
 
  • #16
Drao92 said:
R5=2.5k
R2=5k
R3=5k
rbe =1.25k
Where have these values sprung from? On the face of it, those seem absurdly low values for R2 and R3.
 
  • #18
Drao92 said:
I made aproximations when i said its 5k,2.5k etc.
You just guessed rbe did you??

The subcircuit has a resemblance to a conventional single transistor constant current source. The base bias of T2 sets the voltage across the current source so we can see it will be something like 10V.
 
  • #19
Ic2 is about 2ma or 1ma, i don't remeber exactly.
And if the subcircuit is a constant current source its impedance is always infinite?
 
  • #20
Drao92 said:
Ic2 is about 2ma or 1ma, i don't remeber exactly.
And if the subcircuit is a constant current source its impedance is always infinite?
If it is a constant current source, yes. But there is one crucial difference here, and that is that the bias resistors (as well as the collector) connect to the load. This changes things, as I think we are finding. (For your figures, I make Z roughly 2.R5 but as I said, I may have made a mistake.)

It would be good if you could run this in PSPICE, to compare with your analysis.
 
  • #21
The impedance at the collector of T3 can be found in the usual way by writing the node equations for the circuit, with a test current applied to the collector node. It's convenient to arrange them in matrix form, Y*V=I, where Y is an admittance matrix, V is a vector of the unknown voltages and I is the stimulus vector of currents. For this problem it's possible to use only the admittance matrix. Taking its inverse is equivalent to applying a test current of 1 amp to the 3 nodes, one at a time.

Taking the emitter current to be 2 mA, we have re=13 ohms; β is 100 and the resistors are as indicated. Designate 3 nodes; V1 is the base, V2 is the collector and V3 is the emitter. Then we have an admittance matrix (Y matrix) for the circuit, and its inverse, an impedance matrix (a Z matrix). The diagonal elements of the Z matrix are the driving point impedances at the three nodes. The red expression is the impedance at the base; blue is the impedance at the collector and magenta is the impedance at the emitter.

attachment.php?attachmentid=59057&stc=1&d=1369687944.png


The numerical value of the impedance at the collector is 3127.57 ohms.
 

Attachments

  • NodeZ.png
    NodeZ.png
    5.8 KB · Views: 513
  • #22
NascentOxygen said:
You can express Vb in terms of Ib for the transistor, then express I3 in terms of Vb and Ib for the potential divider.

Well, after doing this for the 3rd time my impedance is: (R3+R2)*(rbe+β*R5)/(rbe+β*R5+R2*β) which is actualy 3097 ohms which is close to The Electrician solution :D. Thanks for your effort.
rbe is 1.25k becasue Ic3 is 2ma.
 
  • #23
Since rbe/β = re, if you divide your numerator and denominator by β, you will get what I got except you are missing the term +(R2 R3)/(1+β) in your numerator.
 
  • #24
Checking back, I found my blunder (I was determining Vin/Ib). With that fixed, I now find Zin exactly as The Electrician has.
 

Similar threads

  • · Replies 1 ·
Replies
1
Views
4K
  • · Replies 4 ·
Replies
4
Views
6K
  • · Replies 2 ·
Replies
2
Views
3K
  • · Replies 7 ·
Replies
7
Views
2K
  • · Replies 2 ·
Replies
2
Views
3K
  • · Replies 3 ·
Replies
3
Views
2K
  • · Replies 17 ·
Replies
17
Views
3K
  • · Replies 6 ·
Replies
6
Views
3K
Replies
8
Views
4K
  • · Replies 1 ·
Replies
1
Views
3K