Crystal Oscillator Package (4 pins)

Click For Summary

Discussion Overview

The discussion revolves around the setup and testing of a crystal oscillator package with four pins on a breadboard. Participants are exploring the wiring connections and expected operation of the oscillator, referencing a specific circuit model (C-CLR) and discussing the necessary components for testing.

Discussion Character

  • Homework-related, Technical explanation

Main Points Raised

  • One participant expresses uncertainty about how to wire the crystal oscillator and whether a ground connection is needed.
  • Another participant suggests that the wiring will likely resemble a provided datasheet, although the specifics of the connection are not detailed.
  • A participant mentions the need to wire up a test circuit using TTL or LSTTL to assess the oscillator's operation, indicating a potential complexity in the setup.
  • There is a suggestion to omit a 15pF output capacitor, which is described as unnecessary for testing, leaving only a 0.1uF capacitor across the power supply pins.

Areas of Agreement / Disagreement

Participants do not reach a consensus on the exact wiring method or the necessity of certain components, indicating that multiple views and uncertainties remain regarding the setup of the crystal oscillator.

Contextual Notes

Participants reference a specific circuit model and component values but do not clarify the assumptions regarding the operation frequencies of the crystal oscillators or the implications of the suggested wiring configurations.

AdkinsJr
Messages
148
Reaction score
0

Homework Statement


I'm trying to hook up crystal oscillator package on breadboard and test for expected operation: I'm not sure how and cannot find any data sheets for the pin connection diagrams, I attached an image I found of the kind of package I'm using. There are four pins.

Homework Equations

; Attempt Solution [/B]

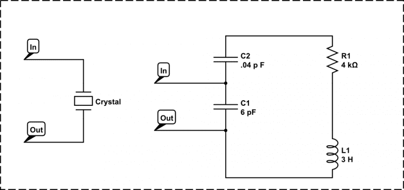
The package is supposed to be equivalent to a CRL series circuit in parallel with another capacitor, as if you were measuring over the capacitor in parallel. (I attached a diagram). The values for the elements in the C-CLR circuit are for a .5 MHz crystal oscillator (that's what's given in my text)...I have crystal oscillator packages with varying operation frequencies...but I think I can assess how it should behave just by comparing to C-CLR circuit. I just don't know how to wire a crystal exactly...is there a ground?
 

Attachments

  • fingers_1_mhz.jpg
    fingers_1_mhz.jpg
    25.1 KB · Views: 615
  • equivalent-circuit-to-a-crystal-oscillator-package.png
    equivalent-circuit-to-a-crystal-oscillator-package.png
    7.1 KB · Views: 1,212
Physics news on Phys.org
It will probably look something like this:

Datasheet
 
Thanks. I think this will work. So it looks like I'll have to wire up one of the test circuits TTL or LSTTL to test its' operation? Ouch!
 
AdkinsJr said:
Thanks. I think this will work. So it looks like I'll have to wire up one of the test circuits TTL or LSTTL to test its' operation? Ouch!
You can skip the 15pF output capacitor; it's just there to test for worst-case loading.
So you're left with one 0.1uF capacitor across the power supply pins. Not much of an 'ouch', is it?
 

Similar threads

  • · Replies 2 ·
Replies
2
Views
4K
  • · Replies 14 ·
Replies
14
Views
4K
Replies
20
Views
5K
  • · Replies 4 ·
Replies
4
Views
4K
  • · Replies 41 ·
2
Replies
41
Views
8K
Replies
14
Views
4K
  • · Replies 16 ·
Replies
16
Views
10K
  • · Replies 9 ·
Replies
9
Views
3K
  • · Replies 3 ·
Replies
3
Views
3K
Replies
31
Views
11K