Current induced in moving rectangular wire

Click For Summary

Homework Help Overview

The problem involves a rectangular circuit moving away from a straight conducting wire carrying a current. Participants are exploring how to determine the induced current in the circuit due to the changing magnetic field as it moves, with specific parameters such as the lengths of the sides of the rectangle and the distance from the wire being discussed.

Discussion Character

  • Exploratory, Conceptual clarification, Assumption checking

Approaches and Questions Raised

  • Participants discuss the calculation of the magnetic field at different points of the circuit and the implications for induced electromotive force (emf). There are attempts to understand the relationship between the circuit's motion and the magnetic flux, as well as the conditions under which emf is generated in different segments of the circuit.

Discussion Status

The discussion is ongoing, with various approaches being suggested, including the use of specific formulas for emf and magnetic flux. Participants are questioning the assumptions regarding the generation of emf in certain segments of the circuit and are exploring the implications of the orientation of the wire relative to the direction of motion.

Contextual Notes

There is some uncertainty regarding the definitions and calculations of magnetic flux and the conditions under which emf is induced in different parts of the circuit. Participants are also considering the effects of resistance and the nature of the magnetic field as it varies across the circuit.

songoku
Messages
2,514
Reaction score
395

Homework Statement


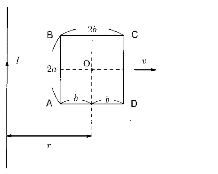
As shown in the figure below, a current I passes through a straight conducting wire located within this page. Rectangular circuit ABCD on the page is moving away from the straight conducting wire with speed v, while side AB remains parallel with current I. The length of side AB is 2a, and the length of side AD is 2b. The resistance of the circuit is R. How much current flows through circuit ABCD when the center of the circuit (O) is distance r from the straight wire?
Untitled_zpsyc5eku6y.png

Homework Equations


B = μ0 I / (2πd)

V = I.R

Faraday's and Len's Law

The Attempt at a Solution


emf will be produced because there is change in magnetic field experienced by the rectangular wire as it is moving away from the straight wire but I don't know how to find the rate of change of magnetic field.

I have tried to find the magnetic field at AB and CD:
B at AB = μ0 I / (2π (r - b))
B at CD = μ0 I / (2π(r+b))

Difference of magnetic field between AB and CD = μ0 I 2b/ (2π(r2-b2))

I don't even know why I found those things above, I just tried anything. And also, what is v? is it 2b/t? or is it b/t?

Thanks
 
Physics news on Phys.org
Assuming r is the distance at time t=0, then at a time t the circuit will occupy the region of space from ##x_1(t)=r+vt-b ## to ##x_2(t)=r+vt+b## and the magnetix flux passing through it will be ##\phi(t)=2\alpha\int\limits_{x_1(t)}^{x_2(t)}f(x)dx##. Can you see what the function f(x) is?
 
  • Like
Likes   Reactions: songoku
Delta² said:
Assuming r is the distance at time t=0, then at a time t the circuit will occupy the region of space from ##x_1(t)=r+vt-b ## to ##x_2(t)=r+vt+b##

I understand until this part
and the magnetix flux passing through it will be ##\phi(t)=2\alpha\int\limits_{x_1(t)}^{x_2(t)}f(x)dx##. Can you see what the function f(x) is?
I don't get this part. The formula of magnetic flux that I know is Φ = BA cos θ

What is α? And also, magnetic flux is integration of position function?

Thanks
 
Sorry I used the greek letter for a, cause that's what is used in the diagram of the original post.

The formula you know for flux is valid only if the magnetic field B is the same across all surface A. But in our case the magnetic field changes in the x-direction (though it doesn't change in the y-direction). If you haven't been taught the magnetic flux as a double integral over the x,y dimensions then I am not sure how to proceed on this problem.

Another approach maybe is to use the formula ##E=Bvl## for the pieces of wire (AB) and (DC) (at BC and AD we ll have little to no voltage generated (why?))...
 
  • Like
Likes   Reactions: songoku
Delta² said:
Another approach maybe is to use the formula ##E=Bvl## for the pieces of wire (AB) and (DC)
Looks to be the simplest way to solve this problem.
 
  • Like
Likes   Reactions: songoku
Delta² said:
Another approach maybe is to use the formula ##E=Bvl## for the pieces of wire (AB) and (DC) (at BC and AD we ll have little to no voltage generated (why?))...

Vibhor said:
Looks to be the simplest way to solve this problem.

E at AB means emf (potential difference) between A and B and E at DC means potential difference between D and C. The value will be different because the value of B is different for the two sections so it means for same value of resistance R, the value of current flowing through AB and DC will differ?

I also don't understand why at BC and AD we'll have little to no voltage generated. There will be emf induced in the rectangular coil because there is change in magnetic flux experienced by it. There is induced emf means there will be current flowing and the current should be the same at all sections (AB, BC, CD and DA) so the voltage at BC and AD will be at a considerable level, no?

Thanks
 
Sorry I didn't state it accurately, there will be voltage at BC and AD but no EMF generated by these segments.

The current in the circuit will be everywhere the same, AB and DC will act as EMF sources with different values (but same internal resistance).
 
  • Like
Likes   Reactions: songoku
Delta² said:
Sorry I didn't state it accurately, there will be voltage at BC and AD but no EMF generated by these segments.

There will be no EMF induced at section BC and AD because the orientation of the wire is parallel to the direction of motion. Am I correct?

But if we see the formula E = Bvl or E = Bvl sin θ (θ is angle between B and v), there is B experienced by BC and AD and θ is 90o so there should be induced EMF at BC and AD?

If I use formula B = μ0 I / (2πd) to calculate the value of B at BC and AD, what value of d should I use?

How is voltage produced at BC and AD?

Thanks
 
Voltage in BC and AD is purely the result of Ohm's law V=IR. The EMF generated in BC and AD will be zero( if we treat BC and AD as one dimensional line segments with zero thickness) and that is exactly for the reason you stating (orientation of wire parallel to the direction of motion).

if you check the derivation of the formula ##E=Bvlsin\theta## you ll see that the orientation of wire is vertical to the direction of motion.
 
  • Like
Likes   Reactions: songoku
  • #10
Delta² said:
Voltage in BC and AD is purely the result of Ohm's law V=IR. The EMF generated in BC and AD will be zero( if we treat BC and AD as one dimensional line segments with zero thickness) and that is exactly for the reason you stating (orientation of wire parallel to the direction of motion).

if you check the derivation of the formula ##E=Bvlsin\theta## you ll see that the orientation of wire is vertical to the direction of motion.

BC and AD still experience magnetic field from the straight wire, right? What value of distance should I use if I want to calculate the value of B on BC and AD?

Thanks
 
  • #11
For a given time (frozen time) t, which means for specific distance r from the source wire with current I, the magnetic field changes over BC (or AD) as we move from B to C from ##\mu\frac{I}{2\pi(r-b)}## at B to ##\mu\frac{I}{2\pi(r+b)}## at C. This variation in the spatial coordinate doesn't mean that it induces EMF in the wire. If we put## r=r(t)## in the above formulas then the field is time-dependent (and that is because of the movement of the wire) but still the EMF induced is zero in BC and AD , simply because the orientation of wire is parallel to the direction of motion.
 
  • Like
Likes   Reactions: songoku
  • #12
Delta² said:
For a given time (frozen time) t, which means for specific distance r from the source wire with current I, the magnetic field changes over BC (or AD) as we move from B to C from ##\mu\frac{I}{2\pi(r-b)}## at B to ##\mu\frac{I}{2\pi(r+b)}## at C. This variation in the spatial coordinate doesn't mean that it induces EMF in the wire. If we put## r=r(t)## in the above formulas then the field is time-dependent (and that is because of the movement of the wire) but still the EMF induced is zero in BC and AD , simply because the orientation of wire is parallel to the direction of motion.

Oh ok. It means that to find the average B we need to use integration.

Thanks a lot for the help
 

Similar threads

Replies
4
Views
1K
Replies
8
Views
3K
  • · Replies 7 ·
Replies
7
Views
1K
Replies
4
Views
3K
  • · Replies 8 ·
Replies
8
Views
2K
Replies
3
Views
4K
Replies
8
Views
2K
  • · Replies 0 ·
Replies
0
Views
1K
Replies
2
Views
2K
  • · Replies 14 ·
Replies
14
Views
3K