Design Rectifier: Choose Transformer, Diode Config, Capacitor, Draw Waveforms

  • Thread starter Thread starter Elisabeth_91
  • Start date Start date
  • Tags Tags
    Design Rectifier
Click For Summary

Discussion Overview

The discussion revolves around the design of a classical rectifier to provide a stable output voltage of 5V +/- 1% from a 220V, 50Hz AC source. Participants explore various aspects including transformer selection, diode configuration, capacitor sizing, and waveform characteristics for a logic circuit application.

Discussion Character

  • Homework-related
  • Technical explanation
  • Exploratory
  • Debate/contested

Main Points Raised

  • One participant seeks guidance on how to approach the homework problem, expressing a lack of understanding.
  • Another suggests starting with a search on rectifier filter capacitors.
  • Some participants propose using a full-wave bridge rectifier with a transformer to step down the voltage from 220V to 5V.
  • There is a discussion about the possibility of using just a capacitor filter, with questions raised regarding the advantages of a bridge rectifier.
  • A participant explains the difference between half-wave and full-wave rectification, emphasizing the smoother output of a full-wave bridge rectifier.
  • Calculations for the transformer ratio are presented, with one participant calculating a ratio of approximately 39.6 based on desired output voltage and peak voltage considerations.
  • Capacitor value calculations are discussed, with references to ripple voltage and load current, leading to a calculated value of 0.5F, which is noted as unusually large.
  • Participants discuss the implications of diode voltage drops on the output voltage and the necessity of accounting for these in the design.
  • There are multiple methods proposed for calculating capacitor values, with some participants affirming the correctness of each other's approaches.
  • Concerns are raised about the practical aspects of transformer and capacitor selection, including tolerances and the need for real-world applicability.
  • Some participants suggest that the problem may be intended as a practical exercise rather than a purely theoretical one, leading to a discussion about the balance between precision and practicality in design.

Areas of Agreement / Disagreement

Participants generally agree on the use of a full-wave bridge rectifier and the need for a transformer, but there are differing views on the specifics of the calculations and the implications of component tolerances. The discussion remains unresolved regarding the optimal capacitor value and the practical considerations for transformer selection.

Contextual Notes

Participants note that the calculated capacitor value appears excessively large, and there is acknowledgment that real-world components may not match theoretical calculations precisely. The discussion highlights the importance of practical design considerations, such as tolerances in capacitors and transformers.

Who May Find This Useful

This discussion may be useful for students and practitioners interested in rectifier design, electrical engineering concepts, and practical applications of theoretical calculations in circuit design.

Elisabeth_91
Messages
8
Reaction score
0

Homework Statement



A classical rectifier is to be designed to provide 5V +/- 1% for a logic circuit, with output power of up to 12W. The input is conventional 220V, 50Hz source.
i) Choose a transformer ratio
ii) Choose a diode configuration
iii) Calculate the capacitor value to meet the requirements
iv) Draw the load voltage, the load current and the source current (secondary side) waveforms for maximum output power (12W).


Homework Equations





The Attempt at a Solution



I am a complete beginner in this. I have no clue how to solve. Can you please give me a hint?
 
Physics news on Phys.org
It's a meaty topic. Start by a google search on: rectifier "filter capacitor"
 
I need to use a full wave rectifier bridge with a Capacitor parallel to my load. Is this correct?

What I don't understand is, do I put a normal transformer before the bridge?
 
You are correct. Use a full wave bridge arrangement and you need a transformer to step down 220V to 5V
 
Would it also be possible to use just a Capacitor Filter, this seems to be the easiest way to solve the problem.
Like shown here: http://www.tpub.com/neets/book7/0249.GIF

What is the advantage of the bridge?
 
A single diode allows 0ne half of the AC current to flow. Imagine an AC wave which goes + and -. A single diode will cut off the - sections (or the +sections!). This gives the familiar 'half wave rectification waveform'... can you picture it?
The full wave combination of diodes needs 4 diodes connected in a 'bridge' and this allows all of the AC current to flow in the same direction...it is smoother.
 
i) transformation ratio

In the end I want a DC Voltage of 5V. Using a full-wave bridge this means
[itex] V_{dc}=\frac{2 V_{2,max}}{π}<br /> V_{2,max} = \frac{π V_{dc}}{2} = 7.85V[/itex]


Since I need a transformer that is giving this peak voltage
Transformer ratio =
[itex] \frac{V_{1,max}}{V_{2,max}} = \frac{V_{1}*\sqrt{2}}{V_{2,max}} = \frac{220V*\sqrt{2}}{7.85V} = 39.6[/itex]

Can you tell me if this is correct?
 
The output voltage is specified as 5V +/-1%
This means that the max change in voltage allowed is 0.05V
The capacitor stores electric charge so that current can be maintained between the peaks of the voltage, this is when the voltage is decreasing.
The power that needs to be supplied is 12W .
Can you calculate thew current which must be supplied?
The time between peaks is 0.01s (half a cycle)
Can you calculate the charge that flows in this 0.01s?
This charge comes from the capacitor. If you know the voltage change is 0.05V and also know the charge that must be provided, can you calculate the capacitor value.
Get as far as you can and if you get stuck come back!
 
  • #10
I put my numbers in my procedure and got C = 0.5F
That formula you have gave 0.48F
Looks like you we on the right track. The formula works and I hope that my steps show how the formula comes about !
 
  • #11
Thank you very much for your quick reply.

So you mean:
I,load = P / V,dc = 12W / 5V = 2.4 A
Q,c = I,load / (0.5*T) = 2.4 A * 0.01s
C = Q/U = 0.024C / 0.05V = 0.48F

Is this the correct way?
Is it coincidence that is the same result as with my first approach?
 
  • #12
What about the transformer ratio, was this thought correct?
Thank you very much!
 
  • #13
Yes, you have done more than I would have!
I would just say ratio = Vin/Vout = 220/5 = 44 to 1
One thing to realize that these calculations, in practice, only need to be 'near enough'.
To produce a supply of exactly 5V +/-1% would probably involve using a further electronic circuit... but that is another matter.
Also the capacitor value we calculated is a minimum value anything bigger than 0.5F would do a better job.
Well done
 
  • #14
also...your post #11 is spot on. I think it is better to work through the physics to get the answer, once you can do this then it is OK to use the formula.
well done
 
  • #15
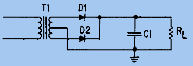
Don't forget to account for the diode voltage drops! The 5V +/-1% specification puts a pretty tight constraint on the allowed peak voltage (Vp), which will follow the peak voltage supplied by the bridge rectifier.

attachment.php?attachmentid=41036&stc=1&d=1321714450.jpg
 

Attachments

  • Fig1.jpg
    Fig1.jpg
    15.8 KB · Views: 1,540
Last edited:
  • #16
To calculate C I did this:
charge Q = I x t where t is the time for 1/2 cycle (full wave rectification) =1/2f
Q = I/2f
C = Q/V (V is the ripple voltage)
C = 1/2fV

You equation is V = 1/2fC

Both methods are exactly the same
 
  • #17
Elisabeth_91 said:
i) transformation ratio

In the end I want a DC Voltage of 5V. Using a full-wave bridge this means
...etc..
I'm guessing that you averaged the full wave rectified waveform to determine this DC value? That analysis only applies where there is no filter capacitor, so is not applicable to your circuit. In your circuit, the big filter capacitor charges to the peak value of the AC and holds this voltage until the next peak. So the DC output will be roughly equal to the peak of the AC (less diode drops).

You calculated 0.5F. That's 500,000 microfarads so is a very large capacitance.
 
  • #18
I know 0.5F is huge.
But can you tell me how to calculate it correctly? I thought that in this case the transformer ratio question can be solved independent from the question of the capacitor.
 
  • #19
As a 'mathematical' question, it's fair to say there is no need to examine the spec of the transformer in detail. However, transformers will output different voltages according to their state of load, so you need to make sure 12W would have no influence on the level of saturation in the transformer, else I expect it would run high if the 12W load was removed.

(Suffice to say, in the real world you'd pick a, say, 10V transformer, use a small cap that might allow, say, 3V of ripple, and stick a voltage regulator in. So your values for capacitance will look artificially high, due to the artificial nature of the question.)
 
Last edited:
  • #20
Elisabeth_91 said:
I know 0.5F is huge.
But can you tell me how to calculate it correctly? I thought that in this case the transformer ratio question can be solved independent from the question of the capacitor.
Yes, transformer and filter capacitor are determined separately.

The method you used looked right (though I didn't check the figures). Q=CV where Q is the charge drained by supplying the load current for half the AC period, and V is the allowable droop in voltage. It gives an adequate estimate.

In a practical sense, electrolytic caps are not precision elements. Typically, they may have tolerances of +100%, -40% so you don't have to worry about 3 sig figs.
 
  • #21
Completely agree with Nascent Oxygen.
This sort of design does not require great mathematical precision... it is a practical exercise and the design will need to use available components.
Electrolytic capacitors have very very wide tolerances so precise values are not available.In the same way transformers come in a range of convenient turns ratios so if you calculate a turns ratio there is a fair chance that it is not available.
If a very precise voltage (such as 5V) is needed then design to produce more than 5V and use an electronic circuit to control the 5V... but this is not a simple rectifier design.
 
  • #22
A reasonable question to ask at this point is whether the problem is meant to be solved as a practical exercise in rules of thumb because that's the way it might be done in practice, or whether it is intended that the student look into the specific theoretical details (and perhaps deduce where some of these rules of thumb come from).
 
  • #23
One factor that does not show up in the calculations is the dependency on a low resistance transformer. With such a hideously large filter capacitor, the simplified analysis will not be accurate unless the transformer-rectifier block has a very low resistance. The principle of operation is that the capacitor is charged to the peak of the cycle by a heavy gulp of current at that time. This can only succeed when the transformer winding and diodes offer low resistance. Failing that, the ripple will be much worse than anticipated. (A SPICE simulation would illustrate this well.)

In practice, I would place 3 more capacitors across the 0.5 F monster. Something like a 2200 uF, a 22 uF, and a 0.22 uF (exact values are unimportant) so that the characteristically-poor equivalent circuit of the 0.5 F behemoth would be shunted, and giving the power supply a lower impedance to varying loads.
 
  • #24
NascentOxygen said:
In practice, I would place 3 more capacitors across the 0.5 F monster.

!

[As mentioned above] In practice, I can't see anyone would ever choose to do any such power management without voltage regulation!

The question is clearly just a theoretical one for the maths. So any scary-big capacitances in the answer are just the way the answer goes.
 
  • #25
1) i think Vripple should be 0.1 V because of peak to peak. Therefore, C is equal to 0,24 F..

Is it correct?

2) what is Diode configuration? full wave rectifier or full wave bridge rectifier.. which one ?
 
  • #26
0U2H4N said:
1) i think Vripple should be 0.1 V because of peak to peak. Therefore, C is equal to 0,24 F..

Is it correct?

2) what is Diode configuration? full wave rectifier or full wave bridge rectifier.. which one ?

I am still waiting.. I need answer truly for midterm which is tomorrow.
 
  • #27
0U2H4N said:
1) i think Vripple should be 0.1 V because of peak to peak. Therefore, C is equal to 0,24 F..

Is it correct?
Show your calculations.
2) what is Diode configuration? full wave rectifier or full wave bridge rectifier.. which one ?

The opening post of the thread did not specify the configuration. It said to specify a configuration. Why not choose one and work with it?
 
  • #28
A full-wave rectifier circuit might be a little closer to ideal, with only one diode's impedance involved at any time.
 

Similar threads

  • · Replies 7 ·
Replies
7
Views
3K
  • · Replies 4 ·
Replies
4
Views
2K
  • · Replies 2 ·
Replies
2
Views
2K
  • · Replies 14 ·
Replies
14
Views
4K
  • · Replies 6 ·
Replies
6
Views
3K
  • · Replies 11 ·
Replies
11
Views
6K
  • · Replies 5 ·
Replies
5
Views
3K
  • · Replies 4 ·
Replies
4
Views
2K
  • · Replies 10 ·
Replies
10
Views
5K
  • · Replies 1 ·
Replies
1
Views
4K