Determine the ratio of resistance

  • Thread starter Thread starter TyErd
  • Start date Start date
  • Tags Tags
    Ratio Resistance
Click For Summary

Homework Help Overview

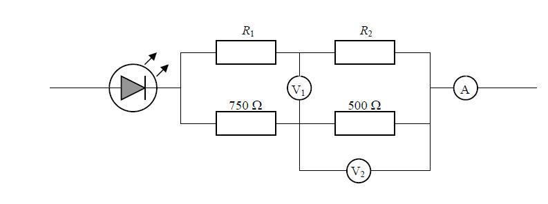
The discussion revolves around determining the ratio of resistances R1 and R2 based on given voltage and current values. The subject area includes electrical circuits and Ohm's law.

Discussion Character

  • Exploratory, Assumption checking, Problem interpretation

Approaches and Questions Raised

  • Participants explore the calculation of current through R2 and the subsequent determination of resistance. Questions arise regarding the assumptions made about voltage values and the implications of missing information.

Discussion Status

Some participants are questioning the validity of the calculations presented, particularly regarding the assumptions made about the voltages and the need for additional information. There is a recognition of the need to express the ratio R1/R2 in terms of the variables provided.

Contextual Notes

There is a noted lack of information regarding the potential drop across the resistors, as well as the specific values for V1 and V2 initially missing from the discussion. Participants also mention the relevance of the LED's characteristics in determining voltage drops.

TyErd
Messages
297
Reaction score
0

Homework Statement


Determine the value of the ratio R1/R2

sorry guys I forgot to write the values in, V1=0, V2=2.4V and A=10.8A

Homework Equations


V=IR

The Attempt at a Solution


I found thecurrent through R2 to be 6mA and then calculated resistance by doing 2.4/6mA=400ohms. Then i got stuck.
 

Attachments

  • circuit8.JPG
    circuit8.JPG
    9.7 KB · Views: 474
Last edited:
Physics news on Phys.org


How could you possibly have calculated 6 mA unless you know V1, V2, and A? I think the problem is asking for R1/R2 in terms of V1, V2, and A.
 


The only way we could assume the potential drop across V1 and V2 is to know the colour of the LED...but we don't have that.

If you have the equation R=V/I then you can form equations for each resistor R1 and R2; if you are aiming for higher grades (>=A) at college level you should know how to form ratios of equations.
 


Sorry guys I forgot to add the values in. My mistake. I've added the values in just then.
 

Similar threads

Replies
2
Views
2K
  • · Replies 2 ·
Replies
2
Views
2K
  • · Replies 15 ·
Replies
15
Views
3K
  • · Replies 6 ·
Replies
6
Views
2K
  • · Replies 15 ·
Replies
15
Views
2K
Replies
5
Views
2K
  • · Replies 4 ·
Replies
4
Views
2K
  • · Replies 1 ·
Replies
1
Views
3K
  • · Replies 11 ·
Replies
11
Views
6K
  • · Replies 13 ·
Replies
13
Views
2K