Dynamics homework — Does this cabinet sliding on the floor tip over?

Click For Summary

Discussion Overview

The discussion revolves around a dynamics homework problem concerning whether a cabinet sliding on the floor will tip over. Participants analyze the forces and moments acting on the cabinet, particularly focusing on the pivot point and the effects of various forces.

Discussion Character

  • Homework-related
  • Technical explanation
  • Debate/contested

Main Points Raised

  • One participant expresses confusion about the sign of the mad term when calculating moments about point B, noting discrepancies with provided solutions.
  • Another participant clarifies that the positive moment from the 100 N force and the negative moment from the cabinet's weight should balance just before tipping occurs.
  • A different participant questions the inclusion of the mad term in the equation, suggesting that horizontal net force is the cause of acceleration rather than the mad term.
  • One participant elaborates on the relationship between the height at which the force is applied and the moments acting on the cabinet, indicating that tipping occurs when the positive moment from the applied force equals the negative moment from the cabinet's weight.
  • There is a mention of a resource that may provide additional context or examples relevant to the problem.

Areas of Agreement / Disagreement

Participants express differing views on the role and sign of the mad term in the moment calculations, indicating that there is no consensus on this aspect of the problem. Some participants agree on the balance of moments at the tipping point, while others challenge the assumptions made in the calculations.

Contextual Notes

There are unresolved questions regarding the assumptions made about the forces and moments, particularly the treatment of the mad term and its implications for the cabinet's tipping behavior.

Pipsqueakalchemist
Messages
138
Reaction score
20
Homework Statement
I have the solutions and questions below
Relevant Equations
Sum of moment = (Moment of inertia)*(angular velocity)
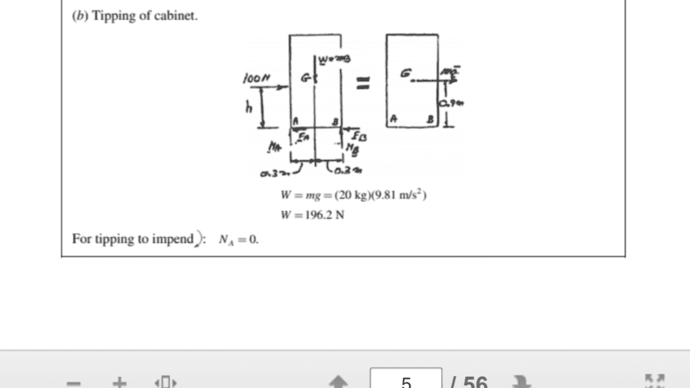
So for this question, when using point B as the centre of the moment, I get different sign for the mad term. If you take clockwise as positive than 100N force and the force at point G are causing a positive moment and gravity is causing an negative moment. But the solutions have different signs as my attempt I don’t understand why. Appreciate it if someone can explain this to me.
 

Attachments

  • DDA22FFF-A6CD-423B-ADC4-BE23C95549CE.png
    DDA22FFF-A6CD-423B-ADC4-BE23C95549CE.png
    20 KB · Views: 181
  • 82BD3301-99E4-4212-9362-DA1F3B26ECA7.png
    82BD3301-99E4-4212-9362-DA1F3B26ECA7.png
    19.4 KB · Views: 182
  • 41604180-983D-424D-AA82-17B3067B62BD.png
    41604180-983D-424D-AA82-17B3067B62BD.png
    30 KB · Views: 203
  • 2AABD63A-7292-4B31-A6DC-5978E3DD59E8.png
    2AABD63A-7292-4B31-A6DC-5978E3DD59E8.png
    24.9 KB · Views: 192
  • image.jpg
    image.jpg
    40.9 KB · Views: 201
Physics news on Phys.org
I understand part A just not part B
 
About the pivot point B, you have the positive moment of 100 N times maximum h plus the negative moment of 0.3 m times weight.
Both moments should be in balance just before the cabinet starts to tip over.
 
What I’m confused about is the sign of the mad term. The solution has it such that the mad causes a negative moment when you move the mad term to the left side of the equation. Shouldn’t it the mad term cause a positive moment about point B?
 
I may be wrong, but I believe that there should not be a mad term in that equation.
The horizontal net force (100 N - friction force) is the cause, while acceleration a is the effect.
Remove the 100 N force, and acceleration inmediately becomes negative (for the case of μ=0.25) or zero (for the case μ=0).

There is horizontal acceleration, but there is no angular acceleration while height h has not reached its critical value to make the cabinet tip over.

As the point of application of the 100 N force gets higher, the value of the horizontal net force that induces the horizontal acceleration remains the same.
Nevertheless, the positive moment induced by the 100 N force gradually increases until reaching the value of the negative moment induced by the weight of the cabinet which until that moment had kept some force on legs A because it had been greater than the positive moment.

Please, see:
http://mechanicsmap.psu.edu/websites/6_friction/slipping_vs_tipping/pdf/TippingVsSlipping_WorkedExample2.pdf

At the impending tipping moment, there is no more force on legs A while each leg B supports half of the cabinet's weight, and both moments about B cancel each other.
 
Last edited:
Hi,

I have responded on the other/new post of this question. Is this question different from the new thread? (seems like the same one, but maybe I am missing something)
 
It’s the same one, I just reposted it
 

Similar threads

  • · Replies 5 ·
Replies
5
Views
2K
  • · Replies 2 ·
Replies
2
Views
3K
Replies
2
Views
2K
  • · Replies 13 ·
Replies
13
Views
2K
  • · Replies 16 ·
Replies
16
Views
3K
  • · Replies 3 ·
Replies
3
Views
2K
  • · Replies 6 ·
Replies
6
Views
2K
  • · Replies 4 ·
Replies
4
Views
4K
  • · Replies 6 ·
Replies
6
Views
3K
  • · Replies 7 ·
Replies
7
Views
14K