Electromagnetic chuck ( with winding calculations)

Click For Summary

Discussion Overview

The discussion revolves around the design and construction of an electromagnetic chuck, focusing on the calculations needed for winding and the effectiveness of magnetic field arrangements. Participants explore the feasibility of achieving a uniform attractive force and the practical aspects of building such a device for use with a surface grinder.

Discussion Character

  • Exploratory
  • Technical explanation
  • Debate/contested
  • Mathematical reasoning

Main Points Raised

  • One participant expresses uncertainty about the feasibility and cost-effectiveness of achieving a uniform attractive force of 30-50 lbs per square inch over a 10" by 6" face area.
  • Questions are raised about the intended use of the chuck, including what tools it will hold and whether it is for a school project or practical application.
  • Another participant suggests incorporating the steel bit/tool shaft into the magnetic circuit to enhance holding force.
  • Concerns are mentioned regarding the complexity of calculating the number of windings and the size of the iron core based on voltage, amperage, and pull strength.
  • A suggestion is made to consider using a permanent magnet system, noting the availability of strong permanent magnets and lever systems for controlling strength.
  • One participant provides a technical overview of electromagnet design, discussing the relationship between ampere-turns, flux density, and the iterative nature of calculations needed for effective design.
  • There is a mention of the high cost of commercial magnetic chucks, which may motivate the DIY approach discussed.

Areas of Agreement / Disagreement

Participants express a mix of agreement on the challenges of the project while also presenting differing views on the feasibility of achieving the desired magnetic force and whether to pursue an electromagnetic or permanent magnet solution. The discussion remains unresolved regarding the best approach to take.

Contextual Notes

Participants highlight limitations in their understanding of magnetic circuits and the calculations involved, indicating a need for further exploration of the principles governing electromagnet design.

Marc Banks
Messages
11
Reaction score
1
Alright the attached picture has the two physical layouts I'm considering for the chuck, however I'll admit that looking at the math involved to determine the construction of the individual magnets and a knowledge gap in how best to manipulate the construction of such a thing to have the greatest amount of uniform attractive force over the surface area. Something in the range of 30-50 lbs per square inch.
My target face area for the chuck is to be 10" by 6", height can vary a good bit, but I'm aiming for a 2" height.

So, firstly, do you think my overall aim here is realistic and something that could be cost effective? My time on this isn't a critical consideration, so it's more down to materials cost.
Secondly, I have no idea on how to determine the effectiveness or best means to determine how overlapping magnetic fields are going to function and what arrangement would be optimal. Any guidance or direction on how to determine such a thing would be greatly appreciated.
Lastly, I know I'm asking a lot on this one and that I am admittedly having problems seeing how to convert the values I'm after (voltage, amperage, pull strength) into the number of windings and size of the iron core. Anything to clarify or help me work through how to translate from one to the other would also be wonderfully appreciated.
 

Attachments

  • electromagnetic chuck.png
    electromagnetic chuck.png
    1.2 KB · Views: 753
Physics news on Phys.org
Welcome to the PF. :smile:
Marc Banks said:
Something in the range of 30-50 lbs per square inch.
My target face area for the chuck is to be 10" by 6", height can vary a good bit, but I'm aiming for a 2" height.
What is this chuck going to be used with? A drill press, a lathe, etc.? What tools will it be holding -- presumably steel bits and tools? What range of diameters?

Is this a school design exercise, or is it meant for real production?

Can you post a sketch of your initial thoughts on how to construct this? One hint is that you should probably use the steel bit/tool shaft in the chuck as part of the magnetic circuit, to get the best holding force, IMO.
 
  • Like
Likes   Reactions: Marc Banks
berkeman said:
Welcome to the PF. :smile:
What is this chuck going to be used with? A drill press, a lathe, etc.? What tools will it be holding -- presumably steel bits and tools? What range of diameters?
Is this a school design exercise, or is it meant for real production?
Can you post a sketch of your initial thoughts on how to construct this? One hint is that you should probably use the steel bit/tool shaft in the chuck as part of the magnetic circuit, to get the best holding force, IMO.

Q: What will it be used with?
A: This chuck is to go with my very abused $15 surface grinder. It is a surface grinder, and it likely was good at one point, but at some point in its history it met a 300lb gorilla with a drill. I've got it working solidly in what I like to think of 'good enough for my purposes' condition, but it's still pretty rough.

Q: What will it be holding?
A: Mostly it will be holding knives, planer blades, wood chisels, and other cutting tools that have fairly thin cross sections for flattening prior to final hand sharpening. The largest chunks I would realistically expect to put on it would be a 8" by 6" by 3" 15b37h jeweler's anvil, smallest would likely be a knife blade about 0.125" thick and maybe 2 square inches overall.

Q: Is this for design or use?
A: I'm going to try to build and use it, I've wanted a mag chuck for my surface grinder since I saved it from the scrap yard two or three years ago. Problem is, when I spend $15 on something like this, I tend to gravitate towards the opposite end of the sunk cost fallacy.

Q: Can I post a sketch of my initial thought on how to construct this?
A: Not yet, part of the reason I'm not going that far is I've not managed to get a solid grasp of how the parts I can't physically see interact in physical space. Your comment about using the object being held as part of the magnetic circuit suggests that a ferromagnetic material will conduct that magnetic field is something that has not been made clear to me in my cursory reading since I started considering this project. Can you confirm that for me? If it is true it spells out the reasoning behind the layering of non-magnetic material between plates on a mag-chuck. My gut says that cinches it, but I know things aren't always transparent.
Further, the other reason I'm not comfortable on stepping into the design end just yet is I don't have any idea on the coil size or spacing to get the most out of such a unit. I'm assuming that using a ferromagnetic core setup in a similar fashion to what is seen in transformers is going to be my best bet, but again, ignorance on my end prevents me from making an informed decision.
Provided I'm following your hint correctly I've changed how the circuit for the chuck is wired.

Thanks for your hint and asking me to provide some further information, I don't like designing stuff in a vacuum.
 

Attachments

  • electromagnetic chuck.png
    electromagnetic chuck.png
    735 bytes · Views: 653
I don't know the answer, but the commercial mag chucks are $2000 and up, so I am not too sure you will easily fab one up yourself. Even the permanent magnet style ones are $700 and up. I'm sure you know this, and that's why you want to build one yourself.

You might have better luck finding someone who has tried this before on one of the machinist forums; probably a forum for a home shop machinist as opposed to a professional forum.

Good luck, a mag chuck would be a very cool thing to have to go with the surface grinder.
 
  • Like
Likes   Reactions: berkeman
Your magnetic chuck is an electromagnet. It's been a while since I designed an electromagnet, but I'll give it a shot. Start with the mechanical design, then work on the electrical. I think that the design sketched below will work, but don't take this as the final word:
P3200070.JPG

The wires are shown as little circles because they run in and out of the page. Into the page at the top, down on the back side, out of the page on the bottom, and up on the front. The slots are sized to be large enough to hold the wire. The width of the poles is determined by minimum work thickness, they should be roughly equal to the thinnest workpiece. The individual coils can be connected in either series or parallel depending on their resistance and your power supply.

One Tesla flux density has a holding force of 58 PSI, and that force is proportional to the flux density squared. Steel saturates at about 1.5 Tesla. You calculate the ampere-turns needed to get the desired magnetic flux density through the poles and workpiece. After you calculate the ampere-turns needed, you choose the number of turns. This is an iterative calculation. More turns = less current and more voltage. Larger wire = less resistance, but it needs a larger slot. For a constant slot size, larger wire and higher current will generate the same amount of heat as smaller wire and lower current. So you balance wire size and number of turns against power supply voltage and current. The Wikipedia article is a good place to start for the calculations: https://en.wikipedia.org/wiki/Electromagnet.

The magnetic circuit goes from an N pole, through the workpiece, through the nearest S pole, and through the chuck to the N pole. The wires are wound around the chuck, then potted in epoxy.

There's a lot more, so study the Wikipedia article, attempt some calculations, work on the mechanical design, and then come back here. Good luck and have fun. It sounds like a great project.
 

Attachments

  • P3200070.JPG
    P3200070.JPG
    52.3 KB · Views: 1,288
  • Like
Likes   Reactions: Marc Banks
Marc Banks said:
Lastly, I know I'm asking a lot on this one and that I am admittedly having problems seeing how to convert the values I'm after (voltage, amperage, pull strength) into the number of windings and size of the iron core.
Is there any point in considering a magnetic chuck based on a permanent magnet? You can obtain fearsomely strong permanent magnets these days and a lever system can control the strength (like a switch). This type of system system is used in many forms of magnetic clamp.
Perhaps your required clamping force is too high for this to work but it could be worth thinking about.
 
  • Like
Likes   Reactions: jim hardy
sophiecentaur said:
Is there any point in considering a magnetic chuck based on a permanent magnet? You can obtain fearsomely strong permanent magnets these days and a lever system can control the strength (like a switch). This type of system system is used in many forms of magnetic clamp.
Perhaps your required clamping force is too high for this to work but it could be worth thinking about.

The primary reason I'm looking at making an electromagnetic chuck over a permanent magnet one is cost and simplicity. The permanant magnet deals require the magnet block to be very perfectly aligned with the magnetic and non magnetic sections of the chuck. Provided I do it right, this shouldn't have moving parts.
So making one myself *should* be cheaper in terms of material.
 
gmax137 said:
I don't know the answer, but the commercial mag chucks are $2000 and up, so I am not too sure you will easily fab one up yourself. Even the permanent magnet style ones are $700 and up. I'm sure you know this, and that's why you want to build one yourself.

You might have better luck finding someone who has tried this before on one of the machinist forums; probably a forum for a home shop machinist as opposed to a professional forum.

Good luck, a mag chuck would be a very cool thing to have to go with the surface grinder.

Aye, my main concern was trying to figure out how to do the math to determine the number of windings and the best arrangement of those electromagnets to have the best effect. The permanent magnet is an option, but the electromagnet seems like it would be easier to build. Either way the price tag for a professional outfit ends up being far higher than the materials, so I'd rather try to make it.
 
jrmichler said:
Smart Words

Alright, I think you're talking about the core being a solid chunk of iron formed like this?
magnet.jpg

And the windings wrapped around the narrow sections?
That seems counter intuitive to me as I thought that the majority of the magnetic fields would be formed blowing out the smaller ends at the left and right rather than the top and bottom.
Further having a continuous magnetic surface like that seems like it would only attract the work to a single point.

I was thinking that each magnet would be a separate thing with a copper or other non-magnetic spacer separating the magnets like this:
magnet2.jpg


Obviously I'm not quite following, but hopefully the images there explain what I was thinking.
As far as the math? I'm still trying to figure out where to start there. I'll be following this with a more general post trying to better explain where my confusion is.
 

Attachments

  • magnet.jpg
    magnet.jpg
    12.9 KB · Views: 1,085
  • magnet2.jpg
    magnet2.jpg
    13.6 KB · Views: 1,168
  • #10
So here's where I'm having trouble, I don't know how to make this into a series of steps to get an answer of something like you need 30 windings of 24AWG wire around a 0.5" by 4" soft iron core to get a pull force of 4 inlb/per sq in of goblins pulling on your nose.
I don't know where to start and I don't know what steps come before any part of these calculations to work backwards or forwards. So, where do I start the math? What do I need to puzzle out first? Wikipedia didn't really help me much and I'm still staring at it trying to see any part I can plug something I do know into.
I've seen folk saying you can calculate the number of windings by using Ampere's law, but I don't see the connection between something I can barely make sense equation written and the number of windings needed around a core.
Is this to do with the resistance of the wire, amperage, and voltage relating directly to the attractive force of the produced magnetic field?
If so, can you point me to an example that has been worked out to see if I can follow along?

Marc
 
  • #11
If you can figure out how to use one,
a source for incredibly strong magnets is old hard drives from dead PC's. Computer shops often give them away.
Used to be a lady on Ebay who sold the magnets already removed , and if you don't have security torx bits to take the drive apart it's worth the price in avoided aggravation.

upload_2019-3-20_20-20-42.png


they're nice and flat, easy to mount and grab so hard you have to pry them apart.

I used one to hold the end on a paper towel dispenser , sure beats unscrewing a long threaded bolt to change the roll.

...... Now.. ... To what i think it is you're asking... beware, I'm famous for answering the wrong question ..

How many thousandths of air gap do you expect?

Thegeneral formula for magnetic flux density B in Teslas is

B = μμ0NI/Length

where μ is ~1 and μ0 is 4π X 10-7
N is number of turns
I is amps
Length is your air gap in meters
That'll be a little optimistic because iron is not a perfect conductor of flux, but it's so much better than air you'll hit within a few percent for reasonably small gaps.

You're interested in amps and turns
and since 1 Tesla is about all the flux you can squeeze through most iron that'd be a good target flux.

So rearrange that formula to put NI on left side
NI = (B X Length ) / (μμ0)
B= 1 is our target. so
NI = 1 X Length / 4πX10-7
NI=. Length X 7.96 X 10^5 amps
or 7.96 X 10^5 amp-turns per meter of air gap
or 796 amp-turns per millimeter of air gap
and a millimeter being approximately thirty-nine thousandths of an inch,
that'd be about 796/39 = real close to 20 amp-turns per mil of air gap.Since your work covers adjacent poles you should achieve nearly a Tesla
and here's a page with a practical formula for clamping force
http://www.magneticsolutions.com.au/magnet-force-calc.html

upload_2019-3-20_20-50-34.png
That's Teslas, Newtons and square meters...

i get about 40 Newtons (nine pounds) per square centimeter of pole area at 0.001 air gap, twenty turns of wire and one amp through them..if you can squeeze into your slots a hundred turns of wire big enough to carry a couple amps you'll have 'headroom"
and i think you should have a robust chuck that you could power from a very modest source maybe even a cellphone charger. .

check my arithmetic please ?

I think that's a valid approach to what i think you asked - how to figure out the electrical part of it. If i missed please advise.

Corrections welcome

old jim
 

Attachments

  • upload_2019-3-20_20-20-42.png
    upload_2019-3-20_20-20-42.png
    32.7 KB · Views: 1,105
  • upload_2019-3-20_20-50-34.png
    upload_2019-3-20_20-50-34.png
    300 bytes · Views: 1,008
Last edited:
  • Like
Likes   Reactions: jrmichler
  • #12
One thing I will add is the question of reliability when the power fails. No power means no clamping, meanwhile the surface grinder is coasting down and shooting the work across the room, perhaps right thru anyone in the way. Seems like a good argument for permanent magnets.

I stumbled across this quote at: https://www.mmsonline.com/articles/is-magnetic-workholding-for-you
The site is worth reading.

Electro magnets are not practical for machining operations because they require a continuous source of electric power to maintain magnetic attraction. Should power be interrupted, the electro-magnet loses its ability to hold the workpiece in which case the shop veteran is very wise to duck for cover.

Cheers,
Tom
 
  • Like
Likes   Reactions: jim hardy and anorlunda
  • #13
Marc Banks said:
cost and simplicity.
I realize that you want to do it 'your way' and that's a very good reason. Even if you were to make a successful permanent magnet version, you would still have that nagging desire for the electrical solution. Actually, the permanent magnet solution seems to me like the simpler option. The accuracy of any magnetic circuit (how well the surfaces all mate) is just as relevant for either system.
That said, I remember being very impressed with the force between two 'school' C cores with a couple of dozen turns wrapped round one and just a few Amps from a 'school' power supply. It's all to do with clearances and how well the two cores mate and it is so controllable.
You could do both investigations in parallel because the business end of the device would be the same. Compare and contrast rules in Engineering. :smile:

Tom.G said:
reliability when the power fails.
That's a definite source of worry - like the wheel coming off a car if it were held on with an electromagnet. (Boy what a thought!)
 
  • Like
Likes   Reactions: jim hardy
  • #14
jim hardy said:
Said very helpful stuff.

Ahhhh, that is more what I was needed to start my thinking. Thanks.

With regards to the concern about the chuck losing grip in the event of power failure, I wouldn't have considered that as an issue myself, however it bears thinking about. Provided I'm still using the 12v 1.5A that I'm anticipating I'll work a battery into act as a bit of a buffer in the event of such a failure. This is a manual machine, so there is no way for it to be used without someone turning the crank handles, so provided I can have about 60 seconds of power during the event of power loss, I think it would be enough time to back off the work.
Good call on that bit, thanks.

I also fell across something while I was having my coffee this morning:


That video shows a lift magnet made from microwave transformers with a battery backup. Honestly I'm not so proud that I'm wanting to make custom coils for all these units, though I expect I will to fit the final size I'm after. The only issue after this is trying to figure out what sort of "resolution" I'd need. I'm thinking that having coils closer together will impart less force overall, but in finer increments, so I suspect there is a necessary balance between the two. Is that correct?

Lastly, the term air gap in the context of magnets, is this just referring to the distance a magnet field will have a measurable effect?
 
  • #15
Marc Banks said:
Lastly, the term air gap in the context of magnets, is this just referring to the distance a magnet field will have a measurable effect?
What i meant...
upload_2019-3-21_9-45-44.png


get two permanent magnets and note how quickly force drops off with distance.

Since you mentioned microwave oven
the magnetron has two really nice circular magnets , just right strength for really good fridge magnets.

upload_2019-3-21_9-51-18.png


But if there are tiny fingers in the household beware for a pair of those magnets can give a child's finger a painful pinch.

I'd suggest arrange your grinder so it'll throw a loose workpiece at a wall, and maybe glue a slab of styrofoam there for an energy absorber should that happen.

old jim
 

Attachments

  • upload_2019-3-21_9-45-44.png
    upload_2019-3-21_9-45-44.png
    34.9 KB · Views: 966
  • upload_2019-3-21_9-51-18.png
    upload_2019-3-21_9-51-18.png
    19.5 KB · Views: 1,029
  • Like
Likes   Reactions: sophiecentaur
  • #16
Marc Banks said:
This is a manual machine, so there is no way for it to be used without someone turning the crank handles,
That's good to hear. That reduces the safety risks substantially. :smile:
Marc Banks said:
That video shows a lift magnet made from microwave transformers with a battery backup.
Please do not consider using microwave oven transformers. They involve high voltages, which are not safe for an inexperienced person to work with. Thanks.

EDIT/ADD -- From a Google search on Microwave Oven Transformer Voltages:

upload_2019-3-21_8-8-50.png


(I'm still having trouble parsing that last sentence in the quote, though...) o0).
 

Attachments

  • upload_2019-3-21_8-8-50.png
    upload_2019-3-21_8-8-50.png
    11.3 KB · Views: 996
  • Like
Likes   Reactions: jim hardy and sophiecentaur
  • #17
berkeman said:
That's good to hear. That reduces the safety risks substantially. :smile:

Please do not consider using microwave oven transformers. They involve high voltages, which are not safe for an inexperienced person to work with. Thanks.

.

Berkeman, I appreciate the dangers of high voltages and your concern. I have no intention of pushing my chuck beyond the 12v 1.5A limit if I can avoid it. I'll be doing all the initial setup and testing with a regulated power supply and then building or purchasing one to match the voltage/amperage I use during testing.
My point is more that I can use such a transformer as a functional example to work off of.
 
  • Like
Likes   Reactions: berkeman
  • #18
jim hardy said:
What i meant...

I'm confused still, what makes one "rib" north (N) up and the adjacent "rib" south (S) up? What makes them alternate?
 
  • #19
gmax137 said:
I'm confused still, what makes one "rib" north (N) up and the adjacent "rib" south (S) up? What makes them alternate?

Direction of his windings.

upload_2019-3-21_16-4-57.png


He'll alternate the direction he winds them CW CCW CW CCW etc.
 

Attachments

  • upload_2019-3-21_16-4-57.png
    upload_2019-3-21_16-4-57.png
    119.4 KB · Views: 1,087
  • Like
Likes   Reactions: gmax137 and jrmichler
  • #20
I think the experimenters use the MOT for lifting by sawing off an end and using it as an E-core electromagnet , applying a few amps of DC from a battery charger.

but you never know.I repeat my admonition -
NEVER energize a MOT until AFTER you have physically cut off and removed that high voltage winding.!
MOT's are killing neophytes.

old jim
 
  • Like
Likes   Reactions: berkeman
  • #21
Some more points:

1) One of the limits of a magnetic circuit is the thickness of the workpiece relative to the electromagnet pole width. When the steel in a thin workpiece is magnetically saturated (about one Tesla), that limits the flux in the rest of the circuit. @jim hardy can explain it better than I can.

2) If you plan on clamping a piece of hot rolled steel onto your chuck, figure on 0.005" or so of mill scale AKA air gap. Or if you clamp a piece on a surface that is not machined flat. Either case will require more ampere-turns to get the clamping force. I once designed an electromagnet to pull 1600 lbs over a 1/8" air gap. I used 10 gauge wire and a 50 amp power supply. It worked exactly as designed.

jim hardy said:
I'd suggest arrange your grinder so it'll throw a loose workpiece at a wall, and maybe glue a slab of styrofoam there for an energy absorber should that happen.

3) Styrofoam is as combustible as fuel oil. Sparks will set it on fire. I tested that once with a match and a small piece of Styrofoam held with a pair of pliers. It flared up faster than I could drop it. I read of a case where somebody insulated a pole building with Styrofoam on the inside, then set a grinder near the wall. The grinder was right next to the door. The foam caught fire and he barely made it out alive. Use a piece of plywood instead.

4) The following electromagnet configurations are equivalent:
P3210071A.jpg

If the dimensions are the same, and the total turns and current are the same, the pull force will be the same.
 

Attachments

  • P3210071A.jpg
    P3210071A.jpg
    22.7 KB · Views: 1,168
  • Like
Likes   Reactions: jim hardy and Marc Banks
  • #22
Currently I'm thinking that this going to be the best coil design for the individual cells. Each cell is 1.25" wide and about an inch tall. I'll be milling one of these out of some old scrap cast iron at some point, then seeing how the individual cell pulls until I have it tweaked how I need it for the chuck.
magnet.jpg

I'm intending to run the windings in the same fashion as you would on using a single coil on a transformer. I'll be spacing them with 0.25" copper and wired in parallel. So the bones of the chuck without the windings will look something like this, I think:
Mag Chuck Cell.jpg

Thoughts?
 

Attachments

  • magnet.jpg
    magnet.jpg
    10.8 KB · Views: 1,008
  • Mag Chuck Cell.jpg
    Mag Chuck Cell.jpg
    29 KB · Views: 1,256
  • #23
Make the center piece twice as wide as the end pieces as is crudely shown in the sketch in post #21. If you connect the coils so that every other cell is magnetically N-S-N, with the adjoining cells S-N-S, then there should be no need for the copper and you will get more clamping force.

Wind the coils on a separate mandrel and make them slightly longer than the center pole. You do not want the ends of the center pole to butt tightly inside the coil because that could damage the insulation and short circuit the coil. Pot the coils in epoxy. That can be done by clamping dams to the ends, then pouring the epoxy onto the coils. Pour in some extra because it will take time to penetrate between the wires. Pour on too much, then grind the whole thing down after it hardens. Polyester resin will also work, but not as well as epoxy. Polyester resin is the stuff sold in hardware stores as "fiberglass resin". The coils need to be potted because they will be buried under metal chips, which will grind their way through the insulation.

Don't forget to grind flat the bottom of the chuck.
 
  • Like
Likes   Reactions: Marc Banks and jim hardy
  • #24
jrmichler said:
Make the center piece twice as wide as the end pieces as is crudely shown in the sketch in post #21. If you connect the coils so that every other cell is magnetically N-S-N, with the adjoining cells S-N-S, then there should be no need for the copper and you will get more clamping force.

Wind the coils on a separate mandrel and make them slightly longer than the center pole. You do not want the ends of the center pole to butt tightly inside the coil because that could damage the insulation and short circuit the coil. Pot the coils in epoxy. That can be done by clamping dams to the ends, then pouring the epoxy onto the coils. Pour in some extra because it will take time to penetrate between the wires. Pour on too much, then grind the whole thing down after it hardens. Polyester resin will also work, but not as well as epoxy. Polyester resin is the stuff sold in hardware stores as "fiberglass resin". The coils need to be potted because they will be buried under metal chips, which will grind their way through the insulation.

Don't forget to grind flat the bottom of the chuck.

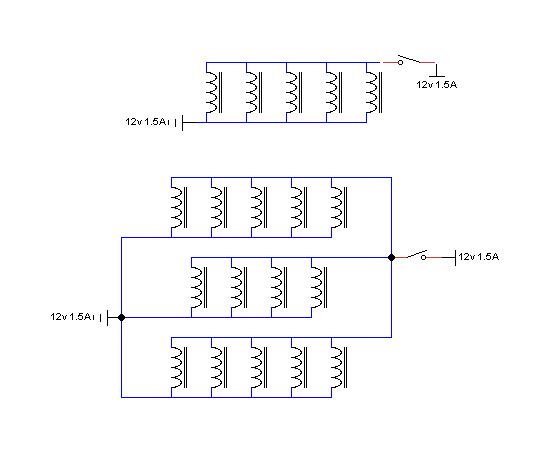
So more like this?
Mag Chuck Cell.jpg
 

Attachments

  • Mag Chuck Cell.jpg
    Mag Chuck Cell.jpg
    13.3 KB · Views: 1,028
  • #25
Yup.

And be sure to let us know how it turns out.
 
  • #26
jrmichler said:
Yup.

And be sure to let us know how it turns out.

Might be a month or three before I get too far into it, go an injection mold to finish and some electroplating to do before I can put time to this.
 
  • #27
dont forget to leave some extra meat on the working surface so you can grind it flat and parallel, too.
 

Similar threads

  • · Replies 10 ·
Replies
10
Views
4K
  • · Replies 8 ·
Replies
8
Views
4K
  • · Replies 5 ·
Replies
5
Views
3K
  • · Replies 20 ·
Replies
20
Views
4K
  • · Replies 11 ·
Replies
11
Views
5K
  • · Replies 9 ·
Replies
9
Views
3K
  • · Replies 28 ·
Replies
28
Views
3K
  • · Replies 16 ·
Replies
16
Views
3K
  • · Replies 9 ·
Replies
9
Views
3K
  • · Replies 2 ·
Replies
2
Views
3K