Find Value of R: Correct Solution?

  • Thread starter Thread starter noname1
  • Start date Start date
  • Tags Tags
    Value
Click For Summary
SUMMARY

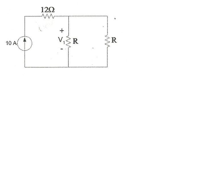
The discussion focuses on calculating the value of resistance R in a parallel circuit configuration with a voltage of 30V and a current of 10A. The initial calculation incorrectly simplifies R/2 to 1.5 ohms. The correct approach involves applying Ohm's Law and considering the current distribution across parallel branches, leading to a more accurate calculation of R.

PREREQUISITES
  • Understanding of Ohm's Law
  • Knowledge of parallel circuit configurations
  • Basic electrical engineering principles
  • Ability to perform algebraic manipulations
NEXT STEPS
  • Review Ohm's Law applications in parallel circuits
  • Study current distribution in parallel resistors
  • Practice solving circuit problems involving multiple resistors
  • Explore advanced circuit analysis techniques
USEFUL FOR

Electrical engineering students, hobbyists working on circuit design, and professionals involved in electronics troubleshooting.

noname1
Messages
131
Reaction score
0
I have to find the value of R

v1 = 30V

this is how i did it

since R is in parrallel i juts put that R/2

R/2 = 30V/10A = 3ohms/2 = 1.5ohms

is this correct?
 

Attachments

  • 1.jpg
    1.jpg
    10 KB · Views: 428
Physics news on Phys.org
noname1 said:
R/2 = 30V/10A =

Try it again, multiplying both sides by 2.
 
Calculating (using valid maths) is probably better, but think about how the current will split through each branch given equal resistance.

Then use Ohms Law.
 

Similar threads

  • · Replies 7 ·
Replies
7
Views
2K
  • · Replies 9 ·
Replies
9
Views
2K
  • · Replies 16 ·
Replies
16
Views
5K
  • · Replies 2 ·
Replies
2
Views
2K
Replies
16
Views
4K
  • · Replies 17 ·
Replies
17
Views
3K
  • · Replies 13 ·
Replies
13
Views
3K
  • · Replies 1 ·
Replies
1
Views
3K
  • · Replies 3 ·
Replies
3
Views
2K
  • · Replies 9 ·
Replies
9
Views
2K