Half wave voltage doubler

  • Context: Engineering 
  • Thread starter Thread starter PhysicsTest
  • Start date Start date
Click For Summary

Discussion Overview

The discussion revolves around the analysis of half wave voltage doubler circuits, particularly focusing on techniques for understanding sinusoidal inputs and the behavior of diodes and capacitors during positive and negative cycles. Participants explore methods for simplifying circuit analysis and clarify concepts related to voltage polarity and circuit behavior.

Discussion Character

  • Exploratory
  • Technical explanation
  • Conceptual clarification
  • Debate/contested

Main Points Raised

  • Some participants express difficulty in analyzing circuits with sinusoidal inputs and seek simpler techniques for analysis.
  • One suggestion involves drawing diagrams in a way that emphasizes the direction of current flow and the states of diodes, which may aid in understanding circuit behavior.
  • Another participant notes the complexity of switching circuits and emphasizes the need to identify circuit states and transient responses, mentioning that generalized answers are often not possible.
  • Concerns are raised about simplified models leading to infinite solutions due to idealized assumptions, particularly in non-linear circuits.
  • A participant questions the logic behind the polarity symbols used in circuit diagrams, seeking clarification on their significance.
  • Responses clarify that polarity symbols are a matter of convention for consistent communication of voltage values.
  • There is a discussion about the passive sign convention and how it relates to voltage and current definitions in circuit analysis.
  • One participant describes a two-step analysis process for the circuit, detailing how the AC waveform is transformed into a negative DC output.

Areas of Agreement / Disagreement

Participants generally agree on the importance of conventions in circuit analysis and the complexity of analyzing switching circuits. However, multiple competing views remain regarding the best techniques for circuit analysis and the implications of polarity definitions.

Contextual Notes

Participants highlight limitations in circuit analysis methods, including the dependence on specific assumptions and the challenges posed by non-linear behaviors and idealized models.

Who May Find This Useful

This discussion may be useful for individuals interested in circuit analysis, particularly those dealing with voltage doublers, sinusoidal inputs, and the behavior of diodes and capacitors in electronic circuits.

PhysicsTest
Messages
260
Reaction score
27
Homework Statement
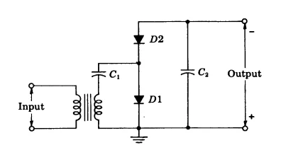
The circuit shown is a half-wave voltage doubler. Analyze the operation of this circuit. Calculate
(a) the maximum possible voltage across each capacitor,
(b) the peak inverse voltage of each diode.
Compare this circuit with the bridge voltage doubler of Fig. 4-22. In this circuit the output voltage is negative with respect to ground. Show that if the connections to the cathode and anode of each diode are interchanged, the output voltage will be positive with respect to ground.
Relevant Equations
V = IR ohms law, Diode conducting in forward direction and Off in negative direction
1766499535927.webp

The input is sine wave vi= Vmsin(wt), the problem is it is increasingly difficult to analyze these kinds of circuits for sinusoidal inputs and with positive and negative portions, most of the time i analyze in the mind without the equations and to remember the states is tough. Do we have simpler techniques to analyze these kinds of circuits?
As per the analysis during the positive cycle the C1 will follow the input waveform the D1 is forward biased and D2 is reverse biased.
During the negative portion D2 is Forward biased and D1 is reverse biased, C2 will be following the negative voltage. But recommend me a procedure where i can use it for any circuit. Is it possible?
 
Physics news on Phys.org
PhysicsTest said:
But recommend me a procedure where i can use it for any circuit. Is it possible?
It is all in the way you draw or imagine the diagram. Keep positive at the top, then diodes that block will be more obvious. Draw storage capacitors vertically, with AC coupling capacitors horizontal. Follow the path through the diodes from the transformer to the output.
 
These switching circuits are difficult to analyze on paper in general. Basically you would need to identify each of the states of the circuit that correspond to the switch positions (2 switches means 4 states). You also need to identify at which point the switches change. Then you are left with a bunch of transient response problems which need to have the initial and final state (capacitor voltages and inductor currents) conditions matched when the switching occurs.

There are often tricks to simplify, if you only care about the steady state response. There are also good techniques if the switching occurs at a high frequency compared to the circuit dynamics and the frequencies of interest, like state space averaging for SMPS. In self commutating circuits, like this with low frequency switching, these tricks usually don't work well. Otherwise, it's a big PITA that people avoid. You don't get generalized answers, you have to solve it for each different set of I/O conditions. This is a good example where simulation can be helpful, but there are issues that make those simulations difficult too. What EEs really do is examine the circuit heuristically and approximate solutions for the parameters of interest.

There are issues with the simplified model shown where idealized zero impedance circuits are shown which may create infinite solutions, like the current from one capacitor to another. While this is a very non-linear circuit, it is reminiscent of the LTI circuit rule that no loop can contain only capacitors and/or voltage sources.

In this case there is no load and all of the questions relate to the peak values, so it's set up to be easy. They are really only asking about the final state of the circuit, like how high could a voltage ever get. IRL there is a load and parasitic elements, which make the problems much harder.

If you want to know more about voltage multipliers, this is a great place to start:
https://www.voltagemultipliers.com/...1MjE3MjkkbzEkZzEkdDE3NjY1MjE3NDIkajQ3JGwwJGgw
 
Last edited:
Thank you for all the support. I have a very basic question in the circuit before i start attempting
1766633705174.webp

when he shows the negative and positive symbol at the output side as above what does it indicate, is it arbitrary or some logic involved in it? Can you please clarify?
 
It's so that when you say the answer is, let's say 12.7V, everyone will agree on the polarity. It is just a definition of how we should communicate, nothing more.
 
Ok just to re confirm my understanding
1766650011513.webp

The drop across voltage is Vr= 5V, based on the output polarity o/p it is -5V, Is my understanding correct? please confirm.
 
PhysicsTest said:
Ok just to re confirm my understanding
View attachment 368354
The drop across voltage is Vr= 5V, based on the output polarity o/p it is -5V, Is my understanding correct? please confirm.
yes, exactly right.

In circuit analysis the first step is to draw the schematic and label the voltage and current polarities, often arbitrarily. This sets a basis for avoiding sign errors in the equations you may develop later. There is no need to guess in advance the "correct" polarity.

There is a "passive sign convention" that says that the current flowing through a passive device, like your resistor, should flow from the high (most positive) voltage towards the lower voltage. But this doesn't always work and isn't necessary. I only bring it up because people will often assume that unless stated otherwise. So everyone says Ohms law is V=IR, but sometimes V=-IR, based on the definitions.

In your circuit the polarity of the voltage at the output is the opposite of the defined polarity at the other components. This is poor practice which can create confusion. But in your question it's a great illustration that the polarities are determined by the definitions. So, I would say the voltage across the resistor and source (wrt ground) is +5V but the output voltage is -5V. The discrepancy is sorted out in your KCL/KVL equations.
 
You can analyse it in two steps.
The first stage, Ls, C1 and D1, shifts the AC waveform down to generate -AC, then the second stage, D2, C2, follows the most negative voltage, producing -DC.
HalfWaveDoubler.webp
 
I don't think you can give a solution for a circuit without values! What is f? 60Hz 100MHz, What are the values? The capacitors, type and values, and what are the switching properties of the diodes? What's the voltage from the transformer and the inductance of the secondary winding? I never designed things, but I repaired circuits built around these principles.
 
  • #10
Welcome to PF.

robin taylor said:
I don't think you can give a solution for a circuit without values!
This is a problem of understanding how the circuit works, assuming perfect components.

If you specify the frequency, input voltage, output current and ripple voltage, then the values for real components could all be specified.

robin taylor said:
What is f? 60Hz 100MHz, What are the values?
I have used that circuit successfully at 50Hz in a power supply, and at 150MHz in an RF AGC circuit, and yes, they did use diodes with different specifications and capacitor values, but both applications functioned in the same conceptual way.

When you draw a schematic, you should be able to ignore component values, and see how the circuit will work. The way you draw the schematic can make a big difference to the ease of understanding.
 
  • Like
Likes   Reactions: berkeman
  • #11
robin taylor said:
I don't think you can give a solution for a circuit without values! What is f? 60Hz 100MHz, What are the values? The capacitors, type and values, and what are the switching properties of the diodes?
Welcome to PF.

This basic schoolwork question does not involve detailed values like frequency and parasitics. It is just a basic question to try to get the student thinking about how circuits work in general. While your questions are valid in a general engineering design, they aren't really relevant in a basic introductory EE question like this.

robin taylor said:
What's the voltage from the transformer and the inductance of the secondary winding?
As above, those don't really enter into this introductory EE question. Since the transformer coupling constant ##K## is not shown here, it would generally be assumed to be 1.0 and the rest of the analysis would follow.

EDIT -- Whoops, @Baluncore and I double-posted... :smile:
 
  • Like
Likes   Reactions: Baluncore
  • #12
robin taylor said:
I don't think you can give a solution for a circuit without values! What is f? 60Hz 100MHz, What are the values? The capacitors, type and values, and what are the switching properties of the diodes? What's the voltage from the transformer and the inductance of the secondary winding? I never designed things, but I repaired circuits built around these principles.
Of course. But the OP didn't specify the load on the doubler, among other things. These circuits have a significant output impedance, which matters. Also it is normal to assume that the time constants for charging each doubler capacitor is small compared to the source frequency when these parameters aren't specified.

There's a lot more information on the more detailed operation of doublers available on the web. This site is a good place to start:
https://www.voltagemultipliers.com/...xOTUyMzkkbzEkZzEkdDE3NzUxOTUyNDgkajUxJGwwJGgw
 
  • #13
Baluncore said:
Welcome to PF.


This is a problem of understanding how the circuit works, assuming perfect components.


When you draw a schematic, you should be able to ignore component values, and see how the circuit will work. The way you draw the schematic can make a big difference to the ease of understanding.

As an old tech, who only studied to BTEC ONC back in the day, I must admit that for such a simple circuit, it is a strange one. You have the +V line tied to Ground? Your polarised capacitors are American ;)
I actually looked up that circuit! Invented by Heinrich Greinacher in 1913!
 
  • #14
Well, in all my many years, I had never seen that circuit, and it is a 'brainworm' like a song you cannot get out of your head. V+ shouldn't be grounded. But the elegance of it is. Thank you to the OP for introducing me to
Heinrich Greinacher! This is Basic School work? I did college and spent years fixing SMPSU and CRT Monitors, and never saw this circuit, which I think was a bit of a curriculum failure because 113 years later, 2 caps and 2 diodes, and it makes you have to think!
I do think drawing it this way makes it a lot easier to 'see'!
1775241303465.webp
 
  • #15
robin taylor said:
You have the +V line tied to Ground?
That is because the output voltage is to be negative relative to ground, as in the diagram in post #1.

robin taylor said:
Your polarised capacitors are American ;)
I think in post #1, they are very old polarised condensers. The curved plate is the negative external can of an electrolytic capacitor. I draw parallel plates in post #8 with ± symbols to avoid polarity confusion.
 
  • #16

Similar threads

  • · Replies 8 ·
Replies
8
Views
2K
  • · Replies 7 ·
Replies
7
Views
3K
  • · Replies 5 ·
Replies
5
Views
2K
  • · Replies 19 ·
Replies
19
Views
5K
  • · Replies 22 ·
Replies
22
Views
5K
  • · Replies 4 ·
Replies
4
Views
2K
  • · Replies 9 ·
Replies
9
Views
6K
Replies
2
Views
3K
  • · Replies 8 ·
Replies
8
Views
8K
  • · Replies 1 ·
Replies
1
Views
8K