How can I know which enters yield bar first?

Click For Summary

Discussion Overview

The discussion revolves around determining which of two bars, AD or BE, reaches yield first under certain loading conditions. Participants are exploring the mechanics involved in yield stress and deformation, with a focus on the application of equilibrium and compatibility equations in a structural context.

Discussion Character

  • Homework-related
  • Technical explanation
  • Debate/contested

Main Points Raised

  • Some participants propose using the relationship between deformation and force to analyze which bar yields first, referencing the equations Delta = PL/(AE) and equilibrium conditions.
  • Others express confusion regarding the problem statement and the definitions of terms such as "yield bar" and the variables used, indicating a lack of clarity in the initial posts.
  • Participants question the adequacy of the information provided to solve the problem, highlighting the need for clearer definitions and context.

Areas of Agreement / Disagreement

There is no consensus on how to determine which bar yields first, as participants are divided between those attempting to apply equations and those seeking clarification on the problem's context and terminology.

Contextual Notes

Limitations include the absence of a clear problem statement, undefined symbols, and insufficient information about the loading conditions and material properties of the bars.

Queren Suriano
Messages
48
Reaction score
0

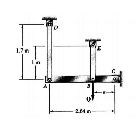
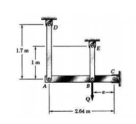
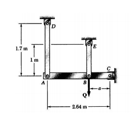
Homework Statement



upload_2015-4-19_17-30-22.png

Homework Equations



Area AD = Area BE

E(AD) =E (BE)

Yield stress = 250 MPa[/B]

The Attempt at a Solution



Delta= PL/(AE) if in both bars the A and E are the same, and from the equilibrium I get Q= 4.125 F(AD) + F(BE) , also from the compatibility I get delta AD = 4.125 delta BE[/B]
 
Last edited:
Physics news on Phys.org
Que?
 
How can I know which bar (AD or BE) reach the yield first??
SteamKing said:
Que?
 
Queren Suriano said:
How can I know which bar (AD or BE) reach the yield first??

Or how can I know which bar will reach a perfectly plastic behavior first?
 
Queren Suriano said:

Homework Statement



View attachment 82241

Homework Equations



Area AD = Area BE

E(AD) =E (BE)

Yield stress = 250 MPa[/B]

The Attempt at a Solution

Delta= PL/(AE) if in both bars the A and E are the same, and from the equilibrium I get Q= 4.125 F(AD) + F(BE) , also from the compatibility I get delta AD = 4.125 delta BE
 
@Queren Suriano, you didn't include a statement of the problem, so we have no idea what you're trying to do or what the symbols mean. AD looks like it would be a line segement, but what is Area AD? And what is E(AD)? What is a yield bar? You have not provided enough information for us to be able to help you.
 
Last edited:

Similar threads

  • · Replies 5 ·
Replies
5
Views
2K
  • · Replies 1 ·
Replies
1
Views
2K
Replies
6
Views
2K
  • · Replies 6 ·
Replies
6
Views
8K
  • · Replies 2 ·
Replies
2
Views
6K
  • · Replies 2 ·
Replies
2
Views
2K
Replies
1
Views
2K
  • · Replies 4 ·
Replies
4
Views
4K
  • · Replies 2 ·
Replies
2
Views
3K
Replies
12
Views
2K