How Do I Set Up a Lock-In Amplifier for Third Harmonic Voltage Measurement?

  • Thread starter Thread starter appsci
  • Start date Start date
  • Tags Tags
    Amplifier Lock
Click For Summary
SUMMARY

This discussion focuses on setting up a lock-in amplifier for measuring third-harmonic voltage. The user employs a differential amplifier circuit to eliminate the primary voltage component, connecting the output to the lock-in amplifier's input. Key considerations include connecting the BNC connector to the appropriate input, ensuring a reference frequency is provided, and verifying voltage levels to avoid damage to the lock-in amplifier. The discussion emphasizes the importance of consulting the lock-in amplifier manual for specific connection details and voltage requirements.

PREREQUISITES
  • Understanding of lock-in amplifiers, specifically their input and reference connections.
  • Familiarity with differential amplifier circuits and their operation.
  • Knowledge of voltage levels and safety precautions when working with electronic equipment.
  • Access to the lock-in amplifier manual for model-specific instructions.
NEXT STEPS
  • Research the specific make and model of the lock-in amplifier to understand its features and capabilities.
  • Learn about the configuration of differential amplifiers in relation to lock-in amplifiers.
  • Investigate the requirements for reference frequency connections in lock-in amplifier setups.
  • Explore the implications of voltage levels on the performance and safety of lock-in amplifiers.
USEFUL FOR

Researchers and engineers working with electronic measurement systems, particularly those involved in harmonic analysis and voltage measurement using lock-in amplifiers.

appsci
Messages
10
Reaction score
0
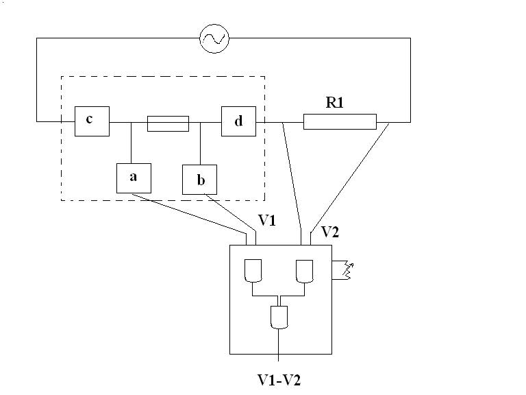
I need a help with lock in amplifier. I want to measure third-harmonic voltage from lock in amplifier. I have metal liner on a film on the substrate and I pass ac current through this metal liner which acts both as a heater and a thermometer. I want to calculate the third harmonic voltage from this. I have differential amplifier circuit where I eliminate the primary voltage component with the help of lock-in amp. I just don't know where to connect what.
m8ece8.jpg

Should I connect the BNC connector to the input of lock in amp, that subtracts the two voltage. Should I have to connect the cable in osc out or ref in.
 
Engineering news on Phys.org
If I understand this circuit correctly, then:

"V1-V2" would be connected to the lock-in input. It's probably labeled "signal" or "input" or "signal in" or "V in"

You'll need to connect something to "ref in" on the lock-in, so that it has a reference frequency. Perhaps directly from the voltage generator, or you might use V2 for this. Be careful that voltages are not too high or too low for the lock-in -- do you have the manual? It would be good to check what voltage level is required for the reference, as well as how much voltage would damage the lock-in.

That being said, I have some questions to help me understand better what is going on:

What is the make and model of the lock-in?

Do you have the manual?

Does the lock-in have a "3rd harmonic" or "3f" mode?

In the circuit diagram, are a, b, c and d actual devices or circuit elements, or are they just labels for nodes in the circuit?

Are the BNC jacks on the differential amp grounded to the case?

Are either of the voltage supply outputs (+ or -) grounded?
 

Similar threads

  • · Replies 4 ·
Replies
4
Views
5K
  • · Replies 15 ·
Replies
15
Views
3K
  • · Replies 6 ·
Replies
6
Views
3K
Replies
2
Views
3K
  • · Replies 4 ·
Replies
4
Views
16K
  • · Replies 1 ·
Replies
1
Views
6K
Replies
2
Views
4K
  • · Replies 1 ·
Replies
1
Views
7K
Replies
1
Views
4K
  • · Replies 6 ·
Replies
6
Views
3K