Hydraulic force formulas to linkages

Click For Summary

Discussion Overview

The discussion revolves around the calculation of forces produced by hydraulic cylinders in relation to leverage principles. Participants are exploring the formulas needed to determine the forces at specific points (A and C) in various figures representing hydraulic systems. The scope includes technical reasoning and mathematical calculations related to hydraulic mechanics.

Discussion Character

  • Technical explanation
  • Mathematical reasoning
  • Debate/contested

Main Points Raised

  • Scott seeks to clarify the formulas for calculating forces at points A and C in relation to a hydraulic cylinder and leverage.
  • Some participants propose that the fulcrum is at point B, while Scott argues it is at point C, leading to a disagreement on which configuration produces more force.
  • snakeeyes provides calculations for the hydraulic cylinder output force and the forces at points A and C based on different figures, suggesting that figures 1 and 2 are first class levers and figures 3, 4, and 5 are similar to second class levers.
  • There is a request for clarification regarding the direction of movement in the diagrams, particularly concerning an elevator representation used in the discussion.
  • Scott acknowledges the need for clearer diagrams and intends to provide more accurate representations to facilitate understanding.

Areas of Agreement / Disagreement

Participants do not reach consensus on the location of the fulcrum or the resulting forces at points A and C, indicating multiple competing views remain. The discussion includes both agreement on certain calculations and disagreement on interpretations of the diagrams and principles involved.

Contextual Notes

Limitations include unclear diagram representations and undefined terms such as "90 deg" and "45 deg," which may affect the understanding of the forces involved. The discussion also reflects dependencies on specific configurations and assumptions about the hydraulic system.

snakeeyes
Messages
3
Reaction score
0
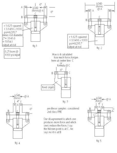
Hello my name is Scott ,

I was trying to post a question , but after joining the physics forum - I think this site is for posting questions not finding answers until after posting it , so here we go.

Maybe someone can answer this , at work I have a bet ( lunch ) on principles of leverage when applied from a hydraulic cylinder .

I am going to try and attach a sketch and all I am looking for is the formulas to calculate the forces produced at point A and C .

We both agree on how to calculate cylinder force in extend or retract,but all the formulas that we have looked at do not show how to calculate the force at C on figure 3 using the length between B and C or at point A figs 1,2,4,5

Our disagreement is which one produces more force and which one reduces the force.

I say the fulcrum (moving fulcrum)point is C he says no it is B ((fixed fulcrum)point

the lunch team
 

Attachments

  • force level drawing 2.jpg
    force level drawing 2.jpg
    22.2 KB · Views: 932
Engineering news on Phys.org
snakeeyes: You correctly calculated the hydraulic cylinder output force, P = 5154.2 (or 8295.8). The fulcrum appears to be at point B. Point B is an almost stationary pivot point. The force applied to point C on each bar attached at point C is P divided by the number of bars attached at point C. Therefore, in figures 1, 2, 4, and 5, the force applied at point C on each bar attached at point C is 0.5*P; and the gripping force, F, at point A is F = 0.5*P*b/h, where b = horizontal distance from point B to C, and h = vertical distance from point A to line BC. Therefore, in figures 1 and 4, F = 0.5*P*b/h = 0.5*5154.2*6/6 = 2577 lbf. In figure 5, F = 0.5*P*b/h = 0.5*5154.2*6/2 = 7731 lbf. In figure 2, F = 0.5*8295.8*6/6 = 4148 lbf. The force applied at point C in figure 3 is P, and the resulting output force at point C in figure 3 is 5154 lbf. Figures 1 and 2 are first class levers. Figures 3, 4, and 5 are mostly similar to second class levers.
 
I am sorry I should have been clearer on the drawings , he almost called me on the bet , but I convinced him to let me retry.

thanks for the input

Snake eyes
 

Attachments

  • force second class lever sample jpg.JPG
    force second class lever sample jpg.JPG
    31.9 KB · Views: 824
snakeeyes: Why does your second attached file show the elevator pulling downward? Elevators push upward. They do not pull downward. Please correct the diagram, so we could see if your question is understandable. Also, state the direction of motion of the elevator. Third, state whether your second attached file is intended to correlate to a particular figure number in your first attachment; and if so, try to use the same, corresponding point labels (B and C). Or is your second attached file a completely independent example? Fourth, perhaps state what you mean by "90 deg" and "45 deg," which are undefined.
 
thank you for responding ,

First did or did not the attached file come out as readable or all rough , I opened it and if I had not been the one who drew it I could not tell what it might represent.

as to the other questions: elevator was representing a hydraulic cylinder rod end not really a elevator (just to show movement ), the direction is down , the chamber/cylinder pressure minus the rod diameter equals 1200 LbF downward , no this drawing is different as to the other drawing, I wiil submit the more accurate drawing as related to the real device and how we need to measure the forces with the right formulas , I am getting hungry hope I when the bet.
thanks
The lunch debate team
 

Attachments

snakeeyes: The image quality and legibility for all three attached files came out well. The active force, also called the effort, is applied to a movable point on a lever; it is the input force or action. In your case, the effort is the hydraulic cylinder force. A fulcrum is a stationary or almost stationary pivot point. The force at a fulcrum is a reaction force. In your third attached file, the fulcrum is the stationary, right-hand pivot point, as described in post 2 for figure 5. The formula is given in post 2.
 

Similar threads

  • · Replies 4 ·
Replies
4
Views
4K
  • · Replies 9 ·
Replies
9
Views
2K
Replies
13
Views
3K
  • · Replies 23 ·
Replies
23
Views
10K
  • · Replies 15 ·
Replies
15
Views
4K
  • · Replies 2 ·
Replies
2
Views
4K
Replies
4
Views
2K
  • · Replies 2 ·
Replies
2
Views
4K
  • · Replies 9 ·
Replies
9
Views
4K
  • · Replies 8 ·
Replies
8
Views
6K