Improving Electrical Supply System for Lower Fault MVA: Analysis and Solutions

Click For Summary
SUMMARY

The forum discussion focuses on calculating fault MVA levels in an electrical supply system, specifically for a fault on the left 3.3 kV bus with switch B open and A closed. The calculations yield a fault MVA of 102.4 MVA through transformer T1, with suggestions to limit this to approximately 5 times the full load (FL) current. Proposed solutions include modifying the voltage impedance of T1 and incorporating a series reactor to manage fault currents effectively. The calculations referenced IEC 60909 standards, highlighting a 2.5% variance when using reactances.

PREREQUISITES
  • Understanding of electrical impedance and fault current calculations
  • Familiarity with transformer operation and impedance characteristics
  • Knowledge of IEC 60909 standards for short-circuit calculations
  • Basic principles of electrical reactors and their applications in power systems
NEXT STEPS
  • Research methods for calculating fault MVA in electrical systems using IEC 60909
  • Learn about transformer impedance modification techniques and their impacts
  • Study the design and implementation of series reactors in electrical circuits
  • Explore advanced fault current limiting strategies in power systems
USEFUL FOR

Electrical engineers, power system analysts, and professionals involved in the design and optimization of electrical supply systems will benefit from this discussion.

topcat123
Messages
77
Reaction score
1

Homework Statement


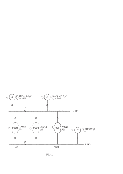
FIGURE 3 shows part of an electrical supply system.

Draw the impedance diagrams reducing to a single impedance.

Calculate the fault MVA levels in each unit for a fault on the left 3.3 kV bus with the bus section
switch B open and A closed. Use a base MVA of 10 and show
the fault MVA levels on a diagram.

Comment on the result and suggest a method of improving the system to limit the fault MVA through T1 to approximately 5 × FL current. (It is not necessary to recalculate.)

Homework Equations

The Attempt at a Solution


The fault MVA and pu impedances
[tex]G_1 and G_2\text{fault MVA} = \frac{16}{0.8}=20MVA[/tex]
[tex]G_1 and G_2\text{ pu impedance} = \frac{10}{20}\frac{20}{100}=0.1pu[/tex]
[tex]G_3\text{fault MVA} = \frac{1.6}{0.8}=2MVA[/tex]
[tex]G_3\text{ pu impedance} = \frac{10}{2}\frac{20}{100}=1pu[/tex]
[tex]T_1,T_2and T_3\text{ pu impedance} = \frac{10}{10}\frac{5}{100}=0.05pu[/tex]
So we need to work out the total impedance and fault current.
[tex]T_2||T_3=0.025pu[/tex]
[tex]G_3+T_2||T_3=1.025pu[/tex]
[tex](G_3+T_2||T_3)||G_1||G_2=0.0477pu[/tex]
[tex][(G_3+T_2||T_3)||G_1||G_2]+T_1=0.0977pu[/tex]
So the fault MVA
[tex]\frac{10}{0.0977}=102.4MVA[/tex]
So the fault MVA through T1 is 102.4
and through the rest
[tex]\text{voltage MVA}(G_3+T_2||T_3)||G_1||G_2=102.4*0.0477=4.88MVA[/tex]
Fault through G1 and G2
[tex]\frac{4.88}{0.1}=48.88MVA[/tex]
Fault through G3+T2||T3
[tex]\frac{4.88}{1.025}=4.76[/tex]
[tex]\text{voltage MVA G<sub>3</sub>}=4.76*1=4.76MVA[/tex]
voltage MVA over T2||T3
[tex]=0.025*4.76=0.119MVA[/tex]
Fault through T2 and T3
[tex]\frac{0.110}{0.05}=2.38MVA[/tex]

I think this is correct.
The part I am struggling with is
"Comment on the result and suggest a method of improving the system to limit the fault MVA through T1 to approximately 5 × FL current. (It is not necessary to recalculate.)"

Any help would be appreciated.
Thanks
 

Attachments

  • Fig 3.png
    Fig 3.png
    3.9 KB · Views: 855
  • imp.png
    imp.png
    3.3 KB · Views: 546
Hi,
I have attempted the above question (before looking for help on here) and have the same answer as topcat123 for the first part, so assume I have calculated correctly.
I am to struggling on the second part of limiting the fault current through T1 to 5 x FL current.
I think I have found a way of doing this but this would be by changing the Voltage Impedance of T1 and also making use of a Reactor.
I am unsure if this is correct as changing the Voltage Impedance of T1 would effectively be changing the Transformer??
Any help would be appreciated.
Matt
 
The calculation, it seems to me to be correct. However I did the calculation according to IEC 60909 also-using only reactances- and the difference is 2.5% less.
Since the system is isolated-that means no connection with the outside system ,even the generator voltages will be 11[3.3] kV the voltage on 11 kV bus decrease up to 5.365 kV[1.61 kV on 3.3 system] in the case of short-circuit when the short-circuit current will be Isc=102.4/sqrt(3)/3.3 =17.92 kA. and then the MVA on T1 will be sqrt(3)*17.92*1.69=52.424 MVA only.
So now the T1 load is 5.24 times the rated-at 17.92 kA.
If the transformer T1 impedance stays unchanged you have to reduce the current flowing through by 5/5.24[17.50 kA] by inserting a reactor in the T1 circuit [my opinion a series reactor of 0.00252 ohm/17.5 kA/3.3 kV ]
 

Similar threads

  • · Replies 2 ·
Replies
2
Views
2K