dani123
- 134
- 0
Homework Statement
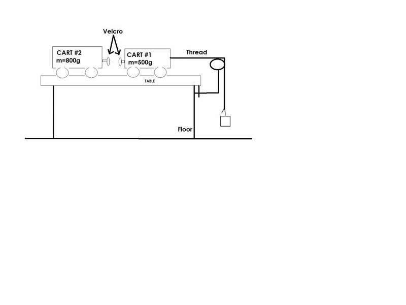
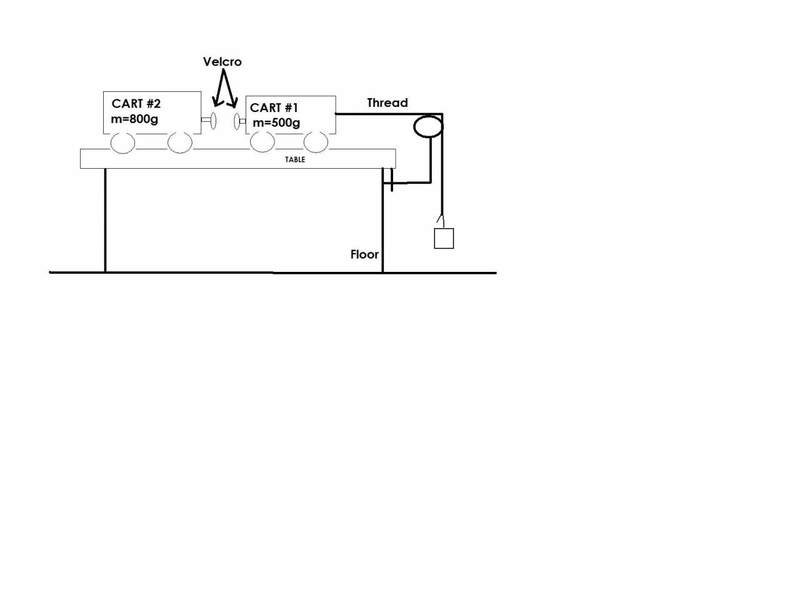
Suppose we have done a conservation of momentum lab the smart pulley apparatus shown in the figure provided. With this apparatus we can time the motion of cart #1 very accurately. In the beginning cart #2 was stationary. We set cart #1 in motion by giving it a slight push. After the collision we continued to time their motion.
A portion of raw data is given in the table provided. Note cart #1 has a mass of 500g while cart #2 has a mass of 800 g. Analyze and draw conclusions about the lab as follows.
Time in seconds Distance in centimeters
1.1 4.34
1.2 4.7
1.3 5.05
1.4 5.42
1.5 5.76
1.6 6.2
1.7 6.54
1.8 6.9
1.9 7.26
2 7.46
2.1 7.59
2.2 7.72
2.3 7.85
2.4 7.98
2.5 8.11
2.6 8.24
2.7 8.37
2.8 8.5
a) draw a displacement-time graph of the motion from the data provided.
b) from your sketch determine the approximate time of collision.
c) using the slope of the tangent method determine the initial speed of cart #1 and cart #2
d)show that the collision was not elastic
e)determine if momentum was conserved
Homework Equations
KE=1/2 m*v2
motion formula: v^2f=v^2i + 2ad
FΔt=mΔv= change in momentum= impulse
The Attempt at a Solution
For part b) do I use the motion formula inorder to determine acceleration and then use the impulse equation to determine the time of collision?
For cart #1 do I consider it as stationary as well in the beginning or do I consider as in motion initially?
Is momentum only conserved if it is in an elastic collision?
In part d) do we use the fact that total kinetic energy before and after collision are not equal?
if anyone could give me a hand with this problem, it would be greatly appreciated! Thanks so much in advance.
