Linear Algebra - Hooke's Law Problem

Click For Summary
SUMMARY

The discussion focuses on solving a Hooke's Law problem involving a system of springs, specifically addressing the assembly of the stiffness matrix K and the force-displacement relations K*u = f. Participants are tasked with finding the L*D*L^T factorization of K using MATLAB and applying boundary conditions to determine displacements. A key point of confusion arises regarding the force vector F = <10 10 10>^T, with participants questioning its derivation and the relevance of gravity in the context of the problem.

PREREQUISITES
  • Understanding of stiffness matrices in linear algebra
  • Familiarity with MATLAB for numerical computations
  • Knowledge of force-displacement relations in mechanical systems
  • Basic concepts of boundary conditions in engineering mechanics
NEXT STEPS
  • Study the derivation of stiffness matrices in mechanical systems
  • Learn MATLAB's matrix factorization functions, particularly for L*D*L^T
  • Explore the application of boundary conditions in structural analysis
  • Review the principles of Hooke's Law and its applications in spring systems
USEFUL FOR

Students and professionals in engineering, particularly those studying mechanical systems, linear algebra, and numerical methods using MATLAB.

YoshiMoshi
Messages
233
Reaction score
10

Homework Statement



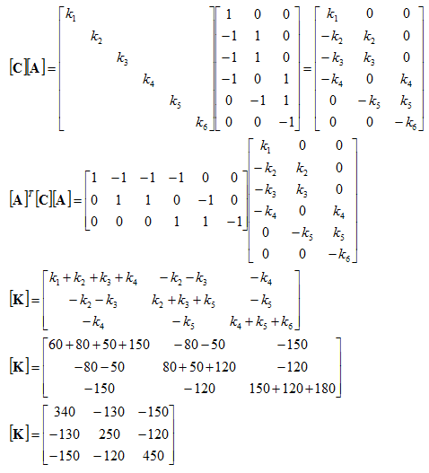
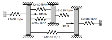
For the system of springs
Capture.PNG

a) Assemble the stiffness matrix K and the force-displacement relations, K*u = f
b) Find the L*D*L^T factorization of K. Use Matlab to solve
c) Use the boundary conditions and applied forces to find the displacements

Homework Equations

The Attempt at a Solution


I'm getting stuck on part c
Capture.PNG

Capture.PNG

Capture.PNG

Capture.PNG

Capture.PNG

My confusion lies in why is F = <10 10 10>^T? I don't see were these 10 values came from.

Thanks for any help!
 
Physics news on Phys.org
Looks like a mistake since gravity isn't involved in this problem.
 
I think you might be right. I don't see how gravity is involved either.
 

Similar threads

  • · Replies 10 ·
Replies
10
Views
2K
  • · Replies 25 ·
Replies
25
Views
4K
Replies
15
Views
3K
  • · Replies 3 ·
Replies
3
Views
2K
  • · Replies 1 ·
Replies
1
Views
1K
  • · Replies 1 ·
Replies
1
Views
955
  • · Replies 1 ·
Replies
1
Views
2K
Replies
8
Views
2K
  • · Replies 11 ·
Replies
11
Views
2K
  • · Replies 1 ·
Replies
1
Views
2K