Maximum number of microchannels in parallel for a syringe pump

Click For Summary
SUMMARY

This discussion focuses on determining the maximum number of microchannels that can operate in parallel with a syringe pump without stalling. The syringe pump has a maximum linear force of 50 lbf and is intended to drive fluid at a rate of 60 ml/hr per channel. The hydraulic resistance for each microchannel is calculated using the formula RH=8μL/(πd4), where L is the channel length, d is the diameter, and μ is the dynamic viscosity. The total flow rate and pressure drop calculations are crucial for ensuring that the pump operates efficiently without overheating or stalling.

PREREQUISITES
  • Understanding of hydraulic resistance calculations
  • Familiarity with syringe pump specifications and operation
  • Knowledge of laminar flow principles and Reynolds number
  • Experience with pressure drop calculations, including the use of the Moody chart
NEXT STEPS
  • Learn how to calculate Reynolds number for microchannels
  • Research the Moody chart for pressure drop calculations
  • Explore methods for maintaining constant upstream pressure in fluid systems
  • Investigate techniques for designing and drilling microchannels to prevent clogging
USEFUL FOR

Engineers, fluid dynamics researchers, and anyone involved in the design and operation of syringe pumps and microfluidic systems will benefit from this discussion.

MSM
Messages
11
Reaction score
0
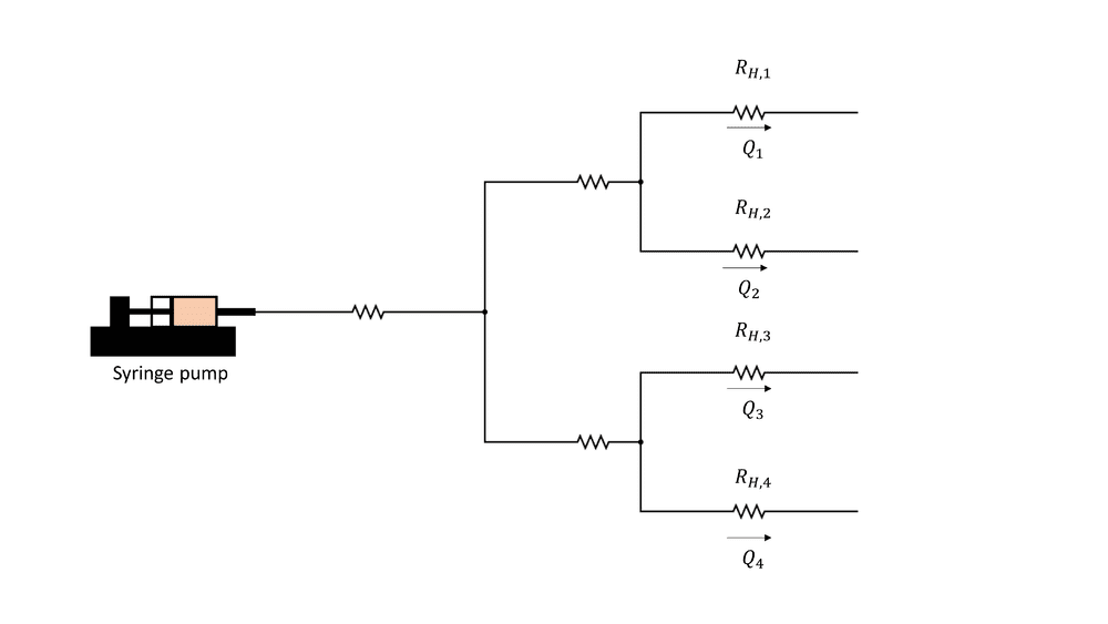
Basically, I want to determine how many microchannels I can have in parallel to drive a fluid (for now assume water),without the syringe pump stalling. Let's say a syringe pump have a maximum linear force of 50 lbf. and I want to drive the fluid at 60 ml/hr. So if I have 4 parallel channels then the syringe must drive 240 ml/hr. How do I determine the maximum number of channels in parallel before the pump stalls? I can calculate the syringe pressure from the diameter of the syringe and the max linear force.

Here is what I did. Using electrical circuit analogy, we can calculate the hydraulic resistance (RH) in parallel and we have set flow rate (Q) from the syringe pump. I drew a schematic using a circuit drawing tool for simplicity. For a circular shape channel, the resistance is calculated as follows:

RH=8μL/(πd4 )
Where L is the length of the microchannel
d is the diameter of the microchannel
μ is the dynamic viscosity.

Assume all resistances are equal RH1 to RH4.

Now I can calculate the total hydraulic resistance for the parallel channels.
The total flow rate is the sum of all flow rates

then we have
∆P=RHtotal*Q

I am not sure where to go from here. What if I want to pressurize the system to let's say 50 psi? rather than having the system in atmospheric?

How do I link what I calculated to what I am trying to find? Image attached

Thanks
 

Attachments

  • fluid circuit diagram.png
    fluid circuit diagram.png
    5.7 KB · Views: 206
Engineering news on Phys.org
If I understand correctly, you want a flow of 60 ml/hr through each microchannel. If we can assume that each microchannel is the same size and length, then the pressure drop through each channel will be the same.

If all of the microchannels are in parallel, then the pressure needed will be the same regardless of the number of channels. The total flow will be 60 ml/hr times the number of channels.

The flow is almost certainly laminar. You can verify that by calculating the Reynolds number (search the term) for your channel at your flow rate. If the Reynolds number is less than 2000, you have laminar flow. In that case, the flow rate will be proportional to pressure. If you double the pressure, the flow rate will double from 60 ml/hr to 120 ml/hr.

If you need calculate the pressure drop for a flow rate, search Moody chart. Note that the total pressure drop includes the pressure drop of the channels from the pump to the microchannels. That pressure drop is added to the pressure drop of the microchannels.
 
  • Like
Likes   Reactions: Lnewqban
A running pump will not be able to supply that small amount of fluid per minute without creating problems of heating, etc.
It seems that you will need to keep a constant upstream pressure at all times, while having a fixed resistance to the tiny flow.

Consider experimentation and a way to modulate that upstream pressure as your best friends in your goal of delivering a precise volume.
Also consider the practical feasibility of drilling those micro channels and ways to keep them unclogged with time of operation.
 

Similar threads

  • · Replies 6 ·
Replies
6
Views
1K
  • · Replies 7 ·
Replies
7
Views
2K
  • · Replies 19 ·
Replies
19
Views
4K
  • · Replies 8 ·
Replies
8
Views
4K
  • · Replies 4 ·
Replies
4
Views
3K
  • · Replies 6 ·
Replies
6
Views
3K
  • · Replies 3 ·
Replies
3
Views
4K
  • · Replies 9 ·
Replies
9
Views
7K
Replies
58
Views
9K
  • · Replies 1 ·
Replies
1
Views
1K