How to select a pump for a venturi injector?

  • Thread starter Thread starter Saut Renato
  • Start date Start date
  • Tags Tags
    injector Venturi
Click For Summary

Discussion Overview

The discussion revolves around selecting an appropriate pump for a fertigation system utilizing a venturi injector. Participants explore the relationship between pump performance, pressure requirements, and the functioning of the venturi injector, including calculations related to pressure differences and flow rates.

Discussion Character

  • Technical explanation
  • Mathematical reasoning
  • Debate/contested

Main Points Raised

  • One participant describes their setup, noting a need for a 30% pressure difference between the injector inlet and outlet, and expresses confusion about the pump's performance relative to the injector's requirements.
  • Another participant questions the pressure difference across the pump and the viscosity of the fluid being pumped, seeking clarification on the pump curve units.
  • A participant provides a link to the pump manufacturer's performance documentation and shares flow meter readings, indicating a discrepancy between expected and actual flow rates.
  • One participant attempts to apply Bernoulli's equation to understand the injector's performance, calculating the necessary motive flow rates and expressing concern about the pump's discharge capacity.
  • Another participant mentions a faulty pressure gauge reading, which may affect the interpretation of the system's performance.

Areas of Agreement / Disagreement

Participants express various viewpoints regarding the adequacy of the pump and the need for adjustments to the system. There is no consensus on whether the pump is suitable for the injector or if a smaller injector would be more appropriate.

Contextual Notes

Participants reference specific calculations and performance specifications, but there are unresolved assumptions regarding the effects of fluid dynamics and the accuracy of measurements, such as the pressure gauge reading.

Saut Renato
Messages
4
Reaction score
1
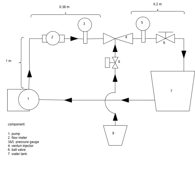
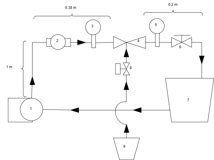
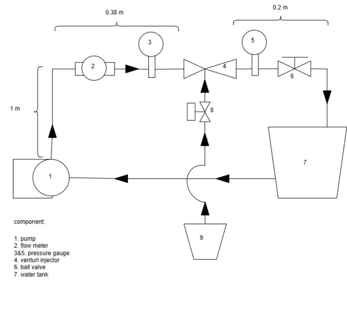
I'm building a fertigation system using 1 inch venturi injector with ball valve at the end to simulate drip irrigation system pressure requirement. i have read to start an injection you need 30% pressure difference between injector inlet and outlet. the pressure I'm simulating is around 10 meter head meaning it need 13 meter head at the injector inlet. currently I'm producing less than 4 meter head at the inlet. I'm still confused how does venturi injector work especially at predicting operating pressure at the inlet given certain pump curve. Is it the pump that is inadequate or should i just change to a smaller injector? this is the setup i'm currently using:
fertigation_schematic_diagram.drawio.png

This is the curve of the pump I'm using, its a 125 watt output pump
ps 128 bit.png

this is the performance spec of the injector:
screenshot-1710945682687.png


edit:
i have installed pressure gauge next to the pump and it reads 0.5 bar or around 5 meter head. according to pump curve the pump should give a flow rate of 30.5 L/min. I have calculated the loss from the 1.4 meter 1 inch pipe and it gives around 0.07 meter head loss (absolute roughness 0.0015). So why would the pump operate at 5 meter head if the loss from the pipe only 0.07 meter? i'm guessing it's because the contraction at the venturi but when i calculate the loss coefficient (Kl) it gives a 0.72 value (from cengels fluid dynamics book gradual contraction with an angle of 60 degrees have Kl of 0.07). So where do i miss?
 

Attachments

  • fertigation_schematic_diagram.drawio.png
    fertigation_schematic_diagram.drawio.png
    46.3 KB · Views: 112
Last edited:
Engineering news on Phys.org
Saut Renato said:
I'm building a fertigation system using 1 inch venturi injector with ball valve at the end to simulate drip irrigation system pressure requirement. i have read to start an injection you need 30% pressure difference between injector inlet and outlet. the pressure I'm simulating is around 10 meter head meaning it need 13 meter head at the injector inlet. currently I'm producing less than 4 meter head at the inlet. I'm still confused how does venturi injector work especially at predicting operating pressure at the inlet given certain pump curve. Is it the pump that is inadequate or should i just change to a smaller injector? this is the setup i'm currently using:
View attachment 342061
This is the curve of the pump I'm using, its a 125 watt output pump
View attachment 342049
this is the performance spec of the injector:
View attachment 342050

edit:
i have installed pressure gauge next to the pump and it reads 0.5 bar or around 5 meter head. according to pump curve the pump should give a flow rate of 30.5 L/min. I have calculated the loss from the 1.4 meter 1 inch pipe and it gives around 0.07 meter head loss (absolute roughness 0.0015). So why would the pump operate at 5 meter head if the loss from the pipe only 0.07 meter? i'm guessing it's because the contraction at the venturi but when i calculate the loss coefficient (Kl) it gives a 0.72 value (from cengels fluid dynamics book gradual contraction with an angle of 60 degrees have Kl of 0.07). So where do i miss?
What is the pressure difference across the pump(Discharge - Inlet)? Also, is it correct to say you are basically pumping water - or is it more viscous due to the additive?

What are the units on your pump curve? Provide a link to the pump manufacturer's performance documentation if you can.

The other obvious question is "2" is a flow meter, what does it say?
 
Last edited:
  • Like
Likes   Reactions: Lnewqban
Thanks for the reply!

Yes I'm just pumping water as motive flow right now only to figure out how does thing works (the injector also just inject water). The pump curve is in meter head at y axis and liter/ minutes in x axis. Here is the pump manufacturer website (pump curve is in the fifth image slide):

https://shimizu.co.id/product/sumur-dangkal/non-auto/ps-128-bit/

The flow meter also reads in liter/min. It reads about 26-27 L/min (its a bit different set up from what i show in my schematic). Here is a video of my set up if it might help describing what im trying to do



Sorry for the late answer. I've been pondering about what does the performance specification of the injector tells about how the injector works. Why would it need certain motive flow rate at different working inlet pressure? From Bernoulli equation i deduce that those motive flow rate needs to be sufficient enough to create a vacuum. I guess it goes like this:

P1/pg + V1^2/2g = P2/pg + V2^2/2g (in meter head)
Then to
P2/pg = P1/pg + V1^2/2g - V2^2/2g

What i see is for P2/pg, static head at injector throat, to be below atmospheric pressure it needs V2^2/2g (fluid velocity at throat) to be bigger or atleast the same as P1/pg + V1^2/2g (total pressure at injector inlet) to make static head at injector throat negative or zero (im working with gauge pressure)

For example the performance specification state with 1 inch injector with 28 meter head at the inlet it needs 3595 L/hour of motive flow. To calculate fluid velocity i need the inlet and throat diameter which i measure myself to be about 18 mm and 7.2 mm respectively. So i start put the numbers into the equation. For 28 meters i need 3595 L/hour which translated into 3.85 m/s for the respective inlet diameter and 24.3 m/s in the throat. So it goes like this

P2/pg = 28 + 3.85^2/(2*9.81) - 24.3^2/(2*9.81)
P2/pg = 28 + 0.106 - 30.1 = -1.9 meter

I test this for 14, 21, and 35 meter requirements and all of them give negative value. This result by no means accurate but for me it tells that those motive flow rate are needed to reduce the inlet static pressure to be below atmospheric pressure. Do i do this right? Because if it is then the conclusion is my pump is not suitable for 1 inch injector due to insufficient discharge capacity (1800 l/hour max at 0 meter head) and the next step will be to change to a appropriate pump or to go with smaller injector
 
Also please ignore the pressure gauge reading from the video, its faulty
 
Saut Renato said:
Thanks for the reply!

Yes I'm just pumping water as motive flow right now only to figure out how does thing works (the injector also just inject water). The pump curve is in meter head at y axis and liter/ minutes in x axis. Here is the pump manufacturer website (pump curve is in the fifth image slide):

https://shimizu.co.id/product/sumur-dangkal/non-auto/ps-128-bit/

The flow meter also reads in liter/min. It reads about 26-27 L/min (its a bit different set up from what i show in my schematic). Here is a video of my set up if it might help describing what im trying to do



Sorry for the late answer. I've been pondering about what does the performance specification of the injector tells about how the injector works. Why would it need certain motive flow rate at different working inlet pressure? From Bernoulli equation i deduce that those motive flow rate needs to be sufficient enough to create a vacuum. I guess it goes like this:

P1/pg + V1^2/2g = P2/pg + V2^2/2g (in meter head)
Then to
P2/pg = P1/pg + V1^2/2g - V2^2/2g

What i see is for P2/pg, static head at injector throat, to be below atmospheric pressure it needs V2^2/2g (fluid velocity at throat) to be bigger or atleast the same as P1/pg + V1^2/2g (total pressure at injector inlet) to make static head at injector throat negative or zero (im working with gauge pressure)

For example the performance specification state with 1 inch injector with 28 meter head at the inlet it needs 3595 L/hour of motive flow. To calculate fluid velocity i need the inlet and throat diameter which i measure myself to be about 18 mm and 7.2 mm respectively. So i start put the numbers into the equation. For 28 meters i need 3595 L/hour which translated into 3.85 m/s for the respective inlet diameter and 24.3 m/s in the throat. So it goes like this

P2/pg = 28 + 3.85^2/(2*9.81) - 24.3^2/(2*9.81)
P2/pg = 28 + 0.106 - 30.1 = -1.9 meter

I test this for 14, 21, and 35 meter requirements and all of them give negative value. This result by no means accurate but for me it tells that those motive flow rate are needed to reduce the inlet static pressure to be below atmospheric pressure. Do i do this right? Because if it is then the conclusion is my pump is not suitable for 1 inch injector due to insufficient discharge capacity (1800 l/hour max at 0 meter head) and the next step will be to change to a appropriate pump or to go with smaller injector

Yeah, at throat we need ##\frac{P_{throat}}{\rho g } < 0 ## to lift the fluid, and that also must also overcome the total head of the venturi line, so you have to be aware of static elevation changes and viscous head losses in the venturi line.

That implies that(ignoring head loss between the inlet of the venturi and throat - which is probably accounted for in the brochure values) at the very minimum:

$$ \frac{V_{throat}^2}{2g} > \frac{P_{inlet}}{\rho g } +\frac{V_{inlet}^2}{2g} $$

Really your goal is to get:

$$ \frac{P_{inlet}}{\rho g } < \frac{V_{throat}^2}{2g} - \frac{V_{inlet}^2}{2g} - z_{venturi} - \sum_{venturi~line} h_{loss} $$

The best thing to do is work with ##Q##( the volumetric flow rate) under the assumption of turbulent flow( approx. uniformly distributed velocity), hence:

$$Q = A_{inlet}V_{inlet} = A_{throat}V_{throat} $$

You solve for each of the velocities in term of the general ##Q##, and plug them in to the inequality above. That is beneficial because anything done with the pump curve is done with respect to ##Q## not ##V##.

I haven't looked at you pump curve yet, but what needs done is to create a system curve ##S_1## in the graph so that we can determine a pump that is suitable to give ##P_{inlet}##, at the operation point ##OP## (or a suitable venturi for the current pump and remaining system - piping, elbows, valves etc...)

1712880206773.png


Do you know how to generate a system curve? This might be a little mathematical effort, but unless you want to waste money purchasing venturis, or pumps I think it will be worth some effort.
 
Last edited:
You seem like you are comfortable with the math. In order that we can communicate it most clearly and efficiently please take a few moments to learn to format the mathematics here using LaTeX Guide

I would greatly appreciate it.
 
I looked into it a bit more. First I thought cavitation was to be avoided until I came across this paper on your system. ( I skim read it - you should probably not)

https://www.mdpi.com/2227-9717/8/1/64#:~:text=The cavitation can ensure the stability of the,affects the flow stability and causes energy loss.

"In addition, the cavitation is a crucial factor affecting the hydraulic performance of a venturi injector. The cavitation can ensure the stability of the fertilizer absorption of the venturi injector and can realize the precise control of fertilization by the venturi injector, although it affects the flow stability and causes energy loss."

Thats going to help us reduce the computations, I believe we can just go directly to the vapor pressure in the venturi throat (assuming the other route would have ended above it).

You still have to get the rest of the system curve though.
 
Last edited:
thanks a lot man. I'm gonna learn latex for a bit. i have made a system curve before and plot it with pump curve to get the operating point. The system curve consist of the head loss from pipes and the venturi. i have no problems doing calculation for pipes because information like absolute roughness available online but not with venturi (I'm doing it with minor loss equation which need loss coefficient). there's one thing i do that is measuring on what pressure the pump is working when having the injector on and not. without the injector the pressure gauge gave around 0.12 bar but with injector it reads around 0.47-0.49 bar. here is the video


without injector (it's on bar with the digital pressure gauge)


with injector


from what i observe the pump works around 0.12 bar (in the first video) to overcome the height difference and other loss from pipe and fittings. and with injector the pump works around 0.47-0.49 bar and by the time it reach the injector reduced to 0.34-0.37 bar. So from those observations my take is the loss from the injector only is around 0.34-0.37 bar other than that is from pipes, fittings, and height difference. from there can i try to find loss coefficient by using minor loss equation?
i'll be right back after learning writing in latex and reading the paper you gave. thank you!
 
  • Like
Likes   Reactions: erobz
If you are just worried about the Venturi head loss, If you have the ability, put a precision pressure gauge on both sides of the Venturi and you can just measure the head loss vs flow directly by opening/ closing a valve in you system ( away from the Venturi). You have a flow meter, so as long as it stays within its spec flow rates you should get more accurate results than anything we could come up with theoretically. Even the crudest approach to that is complex and the solvable idealization is an inaccurate flow field. It fun to work it out, but I’m not sure how it does in practice.
 

Similar threads

Replies
1
Views
2K
Replies
2
Views
2K
  • · Replies 2 ·
Replies
2
Views
5K
  • · Replies 1 ·
Replies
1
Views
1K
  • · Replies 7 ·
Replies
7
Views
5K
  • · Replies 8 ·
Replies
8
Views
2K
  • · Replies 1 ·
Replies
1
Views
2K
  • · Replies 1 ·
Replies
1
Views
10K
  • · Replies 4 ·
Replies
4
Views
3K
  • · Replies 3 ·
Replies
3
Views
6K