Moment of inertia about center of mass with four holes?

Click For Summary

Homework Help Overview

The discussion revolves around calculating the moment of inertia of a disk with four cutouts, focusing on its rotation about the center of mass. The original poster presents a scenario where the disk has a mass of 6 kg without holes and 4 kg with the holes, raising questions about the impact of the cutouts on the moment of inertia.

Discussion Character

  • Exploratory, Assumption checking, Conceptual clarification

Approaches and Questions Raised

  • Participants explore the calculation of the moment of inertia for the disk and the individual cutouts, questioning the radii of the holes and the mass distribution. There is discussion about the application of the parallel axis theorem and whether the formula for moment of inertia can be directly applied to the cutouts.

Discussion Status

Participants are actively engaging with the problem, providing calculations and questioning the assumptions made regarding the mass and dimensions of the cutouts. Some guidance has been offered regarding the use of the parallel axis theorem, but no consensus has been reached on the correct approach to take.

Contextual Notes

There is an apparent inconsistency noted regarding the mass and area of the disk before and after the cutouts, which may affect the understanding of the problem. Participants are considering the implications of this inconsistency on their calculations.

tshah321
Messages
4
Reaction score
0

Homework Statement


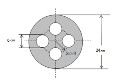
What is the moment of inertia of the 4 kg disk below when it rotates about the center of mass? The mass of the disk without the holes is 6 kg

.
screenshot_52.png


Homework Equations


Center of mass equation: (1/M)(∫xdm)
Moment of inertia of a disk: I = 0.5mr2
Parallel axis theorem: I = Io + md2

The Attempt at a Solution


I tried to find the moment of inertia of the disk without the holes using m = 6 kg and r = 0.12 m.

I = 0.5(6 kg)(0.12 m)2 = 0.0432 kgm2

I think I'm supposed to subtract each hole's moment of inertia from 0.0432, but am unsure how to find each circle's radius. Is it simply r = 0.05m? Or is it 0.06m? Or is my line of thinking totally off?
 
Physics news on Phys.org
tshah321 said:

Homework Statement


What is the moment of inertia of the 4 kg disk below when it rotates about the center of mass? The mass of the disk without the holes is 6 kg

.View attachment 92585

Homework Equations


Center of mass equation: (1/M)(∫xdm)
Moment of inertia of a disk: I = 0.5mr2
Parallel axis theorem: I = Io + md2

The Attempt at a Solution


I tried to find the moment of inertia of the disk without the holes using m = 6 kg and r = 0.12 m.

I = 0.5(6 kg)(0.12 m)2 = 0.0432 kgm2

I think I'm supposed to subtract each hole's moment of inertia from 0.0432, but am unsure how to find each circle's radius. Is it simply r = 0.05m? Or is it 0.06m? Or is my line of thinking totally off?
The figure shows that the diameter of one of the circular cutouts is 6 cm. What's the radius of the circle then?

BTW, the 5 cm radius represents an imaginary circle, presumably on which the centers of the cutouts are located.
 
Definitely missed that. So r = 0.03m, and then the mass of each is 0.5kg.

The moment of inertia of each is I = mr2, so I = (0.5)(0.03)2 = 0.00045 kgm2

So I would just multiply that by 4, then subtract it from 0.0432? @SteamKing
 
tshah321 said:
Definitely missed that. So r = 0.03m, and then the mass of each is 0.5kg.

You might want to check that mass for each cutout.
The moment of inertia of each is I = mr2, so I = (0.5)(0.03)2 = 0.00045 kgm2

The MOI of each cutout is I = mr2 about its own centroid.
So I would just multiply that by 4, then subtract it from 0.0432? @SteamKing

How do you calculate the MOI when it is not taken about the centroid of the body?
 
SteamKing said:
You might want to check that mass for each cutout.

The mass without the cutouts of the entire disk is 6kg, and with the cutouts it is 4kg. So the mass of all 4 cutouts is 2kg, so each cutout is 2kg/4 = 0.5kg. Is there something wrong there?

The MOI of each cutout is I = mr2 about its own centroid.

Yes, so I believe I did that right, unless I missed something when finding the mass of each cutout.

How do you calculate the MOI when it is not taken about the centroid of the body?

I was under the impression that the center of mass of the disk was here: http://s7.postimg.org/hbvdnoygb/screenshot_54.png
So I would use the moment of inertia of the whole disk without the holes, 0.0432 kgm2 and then take the moment of inertia of each cutout and subtract it from the total moment of inertia.
 
tshah321 said:
The mass without the cutouts of the entire disk is 6kg, and with the cutouts it is 4kg. So the mass of all 4 cutouts is 2kg, so each cutout is 2kg/4 = 0.5kg. Is there something wrong there?

Yes, so I believe I did that right, unless I missed something when finding the mass of each cutout.

I missed the part of the OP which said that the mass w/cutouts was 4 kg.

I was under the impression that the center of mass of the disk was here: http://s7.postimg.org/hbvdnoygb/screenshot_54.png
So I would use the moment of inertia of the whole disk without the holes, 0.0432 kgm2 and then take the moment of inertia of each cutout and subtract it from the total moment of inertia.

The center of mass is indeed where you have marked it in the image. But this location is not the same as the centroid for each individual cutout.

The formula I = mr2 is applicable only when calculating the MOI of a circular disk about its own center. When the center of the cutout and the center of the disk do not coincide, what else must you do to calculate the correct MOI? (Hint: Parallel Axis Theorem).
 
SteamKing said:
The center of mass is indeed where you have marked it in the image. But this location is not the same as the centroid for each individual cutout.

The formula I = mr2 is applicable only when calculating the MOI of a circular disk about its own center. When the center of the cutout and the center of the disk do not coincide, what else must you do to calculate the correct MOI? (Hint: Parallel Axis Theorem).
I don't understand, though. Doesn't each cutout have its own center of mass, therefore making it okay to use I = mr2?
 
tshah321 said:
I don't understand, though. Doesn't each cutout have its own center of mass, therefore making it okay to use I = mr2?
Yes, but the problem is asking you to calculate the MOI of the large disk which contains the 4 cutouts. The center of that large disk and the center of each of the four cutouts is not in the same location. Simply subtracting the MOI of each cutout from the MOI of the large disk does not lead to the correct result.

BTW, did you examine what the parallel axis theorem is used for?
 
tshah321 said:

Homework Statement


What is the moment of inertia of the 4 kg disk below when it rotates about the center of mass? The mass of the disk without the holes is 6 kg

.View attachment 92585
Apparent INCONSISTENCY in the problem as stated.

If it's assumed that the original disk has uniform density and thickness, then there appears to be an inconsistency in the parameters given for the disk with the cutouts.

The total area of the disk before cutouts being removed: 144π cm2 .

The total area of the cutouts: 4×9π = 36π cm2.

Therefore, removing the cutout areas reduces the overall area by 1/4 .

According to the masses given, 1/3 of the material is removed.

This won't be important for solving the problem, but it would be important if you compare the moment of inertia of this disk with cutouts to the moment of inertia of a solid disk having the same mass and radius as the cutout disk.
 
  • #10
SammyS said:
Apparent INCONSISTENCY in the problem as stated.

If it's assumed that the original disk has uniform density and thickness, then there appears to be an inconsistency in the parameters given for the disk with the cutouts.

The total area of the disk before cutouts being removed: 144π cm2 .

The total area of the cutouts: 4×9π = 36π cm2.

Therefore, removing the cutout areas reduces the overall area by 1/4 .

According to the masses given, 1/3 of the material is removed.

This won't be important for solving the problem, but it would be important if you compare the moment of inertia of this disk with cutouts to the moment of inertia of a solid disk having the same mass and radius as the cutout disk.
You are certainly right about this point, SammyS.
 

Similar threads

Replies
11
Views
4K
  • · Replies 13 ·
Replies
13
Views
3K
Replies
3
Views
2K
  • · Replies 28 ·
Replies
28
Views
2K
  • · Replies 5 ·
Replies
5
Views
4K
  • · Replies 12 ·
Replies
12
Views
2K
Replies
13
Views
4K
Replies
8
Views
15K
Replies
2
Views
4K
  • · Replies 21 ·
Replies
21
Views
3K