Recognizing Gate, Source & Drain for NMOS & PMOS

  • Thread starter Thread starter nobrainer612
  • Start date Start date
  • Tags Tags
    Cmos
Click For Summary
SUMMARY

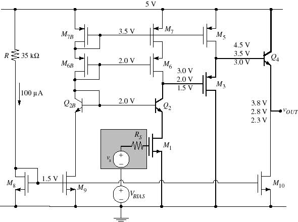
This discussion focuses on recognizing the gate, source, and drain terminals for NMOS and PMOS transistors. Participants confirm that the arrow direction indicates the source terminal, with NMOS having the arrow pointing out (M8) and PMOS having the arrow pointing in (M7B). It is established that the source is typically adjacent to the gate, although MOS devices can operate in inverted mode, which may reverse the source and drain designations. The discussion highlights the importance of understanding these conventions for accurate circuit design.

PREREQUISITES
  • Understanding of NMOS and PMOS transistor structures
  • Familiarity with LTSpice simulation software
  • Knowledge of basic semiconductor physics
  • Concept of MOSFET operation in normal and inverted modes
NEXT STEPS
  • Study NMOS and PMOS transistor characteristics in detail
  • Learn how to simulate NMOS and PMOS circuits using LTSpice
  • Research the implications of operating MOSFETs in inverted mode
  • Explore the role of built-in diodes in MOSFETs and their impact on circuit behavior
USEFUL FOR

Electrical engineers, students studying semiconductor devices, and circuit designers seeking to deepen their understanding of NMOS and PMOS transistor operation and characteristics.

nobrainer612
Messages
24
Reaction score
0

Homework Statement



I saw this image in the internet. I want to learn how to recognize the gate, source and drain for NMOS and PMOS.

24gknpd.jpg



The Attempt at a Solution



I don't know if I am correct or not.
M8 ( with an arrow coming out ) is NMOS. M7B (with an arrow going in) is a PMOS.
I know where the gate of a NMOS and PMOS. But I really have no idea how to recognize the source and drain for PMOS and NMOS.

I found that there are many version in the internet. Like in LTSpice, Source is always next to the gate. But I am not sure for the picture above.

Thank you
 
Physics news on Phys.org
nobrainer612 said:

Homework Statement



I saw this image in the internet. I want to learn how to recognize the gate, source and drain for NMOS and PMOS.

24gknpd.jpg



The Attempt at a Solution



I don't know if I am correct or not.
M8 ( with an arrow coming out ) is NMOS. M7B (with an arrow going in) is a PMOS.
I know where the gate of a NMOS and PMOS. But I really have no idea how to recognize the source and drain for PMOS and NMOS.

I found that there are many version in the internet. Like in LTSpice, Source is always next to the gate. But I am not sure for the picture above.

Thank you

Basically, the arrow is the source.

This assumes the drain (D) is more + than the source (S) for an N channel, and vice-versa for a P channel.

HOWEVER: MOS devices can be run in the inverted mode. So for example an N channel might have the drain more - than the source. In which case the device behaves as though it's got the S and D terminals reversed. But still, the convention is to call the arrowed terminal the source.

(There is often a built-in diode between the S and D so that operation in the inverted mode is limited to saturation conditions. The inverted mode is very seldom used. I once ran across it at work & it turned out to be an inadvertent connection!)
 

Similar threads

  • · Replies 6 ·
Replies
6
Views
3K
Replies
1
Views
5K
Replies
3
Views
5K
Replies
3
Views
6K
  • · Replies 1 ·
Replies
1
Views
2K
Replies
2
Views
3K
  • · Replies 5 ·
Replies
5
Views
7K
  • · Replies 1 ·
Replies
1
Views
5K
  • · Replies 1 ·
Replies
1
Views
3K
Replies
1
Views
2K