dayusimon
- 9
- 0
Hi,
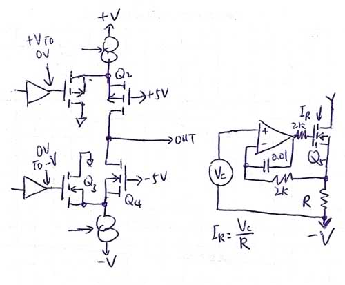
I want to build a current source capable of generating pulsed-DC current (unipolar square wave) and pulsed-AC current(bipolar square wave) .
The current frequency is from 100 Hz to 1 MHz.
The current amplitude is from 0.2 to 0.5 mA. (1 uA resolution preferred)
Adjustable duty factor prefeered.
separate solutions for pulsed-DC or pulsed-AC current sources are also welcome if a single solution is not possible.
The resistive load is 0.5K to 2K ohm.
(The load behaves as a variable resistor. Its resistance increases up to Mega ohms with time. However, I only need to measure its resistance between 0.5K and 2K ohm. Please take this into consideration in the design of the current source. We also want to know if something like two back-to-back zener diodes in series with the load which limit the voltage and bypass the current would work. )
Please help me if you have any idea. Thanks.
I want to build a current source capable of generating pulsed-DC current (unipolar square wave) and pulsed-AC current(bipolar square wave) .
The current frequency is from 100 Hz to 1 MHz.
The current amplitude is from 0.2 to 0.5 mA. (1 uA resolution preferred)
Adjustable duty factor prefeered.
separate solutions for pulsed-DC or pulsed-AC current sources are also welcome if a single solution is not possible.
The resistive load is 0.5K to 2K ohm.
(The load behaves as a variable resistor. Its resistance increases up to Mega ohms with time. However, I only need to measure its resistance between 0.5K and 2K ohm. Please take this into consideration in the design of the current source. We also want to know if something like two back-to-back zener diodes in series with the load which limit the voltage and bypass the current would work. )
Please help me if you have any idea. Thanks.

