Understanding Inductor Behavior When Transistors Are Off

Click For Summary

Homework Help Overview

The discussion revolves around the behavior of inductors in a circuit involving transistors and diodes, particularly focusing on the conditions when the transistors are switched off. Participants explore the implications of inductor current continuity and the role of induced voltage in maintaining current flow.

Discussion Character

  • Exploratory, Assumption checking, Conceptual clarification

Approaches and Questions Raised

  • Participants describe scenarios for when transistors are on and off, questioning the behavior of the inductor and the flow of current. There is confusion regarding the state of the circuit elements when the transistors are off and the implications for current continuity.

Discussion Status

Some participants have offered insights into the nature of inductor behavior, particularly regarding induced voltage and current flow. There is an ongoing exploration of the circuit's configuration and the roles of different components, with various interpretations being discussed without a clear consensus.

Contextual Notes

Participants express uncertainty about the circuit configuration, particularly regarding the presence of resistors for discharging the inductor and the conditions under which transistors are considered on or off. The original poster's homework statement includes specific values and asks for analysis of energy stored in the inductor and current graphs.

PhysicsTest
Messages
260
Reaction score
27
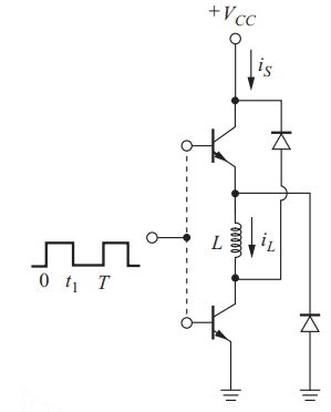
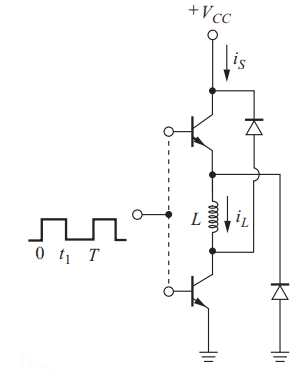
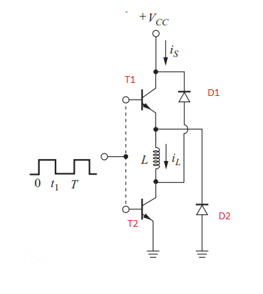
Homework Statement
An inductor is energized as in the circuit of Fig. The circuit has L = 50 mH, VCC= 90 V, t1= 4 ms, and T=50 ms. (a) Determine the peak energy stored in the inductor. (b) Graph the inductor current, source current, inductor instantaneous power, and source instantaneous power versus time. Assume the transistors are ideal.
Relevant Equations
P=V*I Watts
1614396497914.png

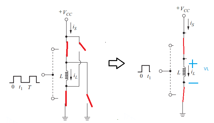
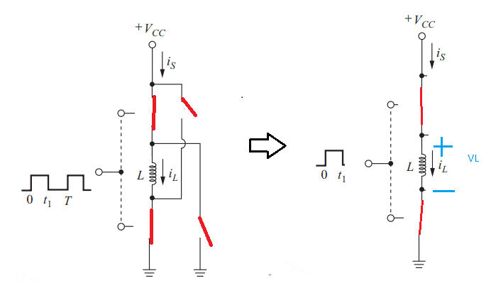
a. When the transistors are ON.

1614396913689.png

##V_{CC} = V_L##
##V_{CC} = L \frac{di_L} {dt} ##
##i_L = \frac{V_{CC}t} L ##

b. I am bit confused when the transistor is "OFF"

1614397742071.png

The point "A" is floating? The transistors and the diodes all the elements seem to be open is it correct? I am confused here.
 
  • Like
Likes   Reactions: Delta2
Physics news on Phys.org
Yes, you are a bit confused. If you include the power source, the inductor current must flow in a loop at all times (actually true for all currents, since we don't make electrons from nothing). You can't disconnect the inductor from some path for the current flow unless the inductor current is exactly zero. This is because the inductor will generate an induced voltage to maintain the continuity of the current flow. V = L⋅(di/dt), so interrupting the inductor current requires an infinite di/dt, and thus an infinite voltage. Passively switched (commutating) devices are usually controlled by the induced voltage from energy stored in the inductor current.
 
  • Like
Likes   Reactions: PhysicsTest
Thank you for the support,

1614439107893.png

Case: 0<t<t1
The applied voltage to the base of the transistor is positive. Hence
T1 = ON,
T2 = ON,
D1, Cathode=##V_{CC}## Volts is applied, Anode, Negative of inductor voltage is applied, hence it is reverse biased and open.
D2, Cathode is positive of inductor voltage and Anode it is grounded, hence it is reverse biased.

The inductor is charged to the voltage say ##V_L ##

Case: t1<t<T
The applied voltage to the base of the transistor is negative. Hence
T1 = OFF,
T2 = OFF,
D1 = OFF, (?)
D2 = ON
The inductor to maintain the continuity of current flow D2 will be ON, the inductor voltage polarity is reversed. One other mistake from my previous post the ##V_{CC}## power source is not completely disconnected as it can be connected through D2 ground. Is the analysis correct? Please help.
 
PhysicsTest said:
Thank you for the support,

View attachment 278793
Case: 0<t<t1
The applied voltage to the base of the transistor is positive. Hence
T1 = ON,
T2 = ON,
D1, Cathode=##V_{CC}## Volts is applied, Anode, Negative of inductor voltage is applied, hence it is reverse biased and open.
D2, Cathode is positive of inductor voltage and Anode it is grounded, hence it is reverse biased.

The inductor is charged to the voltage say ##V_L ##

Case: t1<t<T
The applied voltage to the base of the transistor is negative. Hence
T1 = OFF,
T2 = OFF,
D1 = OFF, (?)
D2 = ON
The inductor to maintain the continuity of current flow D2 will be ON, the inductor voltage polarity is reversed. One other mistake from my previous post the ##V_{CC}## power source is not completely disconnected as it can be connected through D2 ground. Is the analysis correct? Please help.
No, case 2 isn't right. If both D1 and T2 are off how will the current flow out of the inductor? Where will it go?
 
Perhaps when the transistors are off, the inductor has a emf big enough to create a closed loop the other way, upwards. This can happen if ##emf > Vcc##
PhysicsTest said:
Homework Statement:: An inductor is energized as in the circuit of Fig. The circuit has L = 50 mH, VCC= 90 V, t1= 4 ms, and T=50 ms. (a) Determine the peak energy stored in the inductor. (b) Graph the inductor current, source current, inductor instantaneous power, and source instantaneous power versus time. Assume the transistors are ideal.
Relevant Equations:: P=V*I Watts

View attachment 278761
a. When the transistors are ON.

View attachment 278762
##V_{CC} = V_L##
##V_{CC} = L \frac{di_L} {dt} ##
##i_L = \frac{V_{CC}t} L ##

b. I am bit confused when the transistor is "OFF"

View attachment 278763
The point "A" is floating? The transistors and the diodes all the elements seem to be open is it correct? I am confused here.
 
Still trying to figure out the solution, i refreshed the basics of the inductor,
Case1: The Peak current is
##i_L = \frac{90*4} {50} A = 7.2A ##
The voltage across the inductor is constant equal to ##V_{CC} = 90V## during the "ON" time.

In case 2 for the transistor OFF, the inductor will try to maintain the current ##i_L## and in the same direction the circuit will be like
1614519640597.png

I still don't understand why the transistor T2 is "ON"? And also will ##V_{CC}## will be part of the circuit in this case? The circuit is very confusing.
 
Case 2 looks good, edit: I think I can see now the high potential below ##L## means it's possible for a closed loop: L->T2->D2->L.

PhysicsTest said:
Still trying to figure out the solution, i refreshed the basics of the inductor,
Case1: The Peak current is
##i_L = \frac{90*4} {50} A = 7.2A ##
The voltage across the inductor is constant equal to ##V_{CC} = 90V## during the "ON" time.

In case 2 for the transistor OFF, the inductor will try to maintain the current ##i_L## and in the same direction the circuit will be like
View attachment 278869
I still don't understand why the transistor T2 is "ON"? And also will ##V_{CC}## will be part of the circuit in this case? The circuit is very confusing.
 
Last edited:
guv said:
Case 2 looks good, edit: I think I can see now the high potential below ##L## means it's possible for a closed loop: L->T2->D2->L.
So you mean T2 will be ON but the input base voltage to the transistor is low it means the transistor T2 should be cutoff? What am i missing?
 
The base drive to the two transistors is simplified to the point that you can only conclude their intent that those switches are on or off according to the waveform sketch. That part isn't a realistic circuit, hence the dashed lines. Just assume that T1 and T2 are on or off at the same time according to the drive waveform shown.
 
  • #10
I think you're having a hard time understanding that the inductor can generate and induced voltage across itself in order to maintain constant current flow. Remember v = L(di/dt). The only way to get large di/dt in an inductor is to have a large voltage applied to it.
 
  • Like
Likes   Reactions: PhysicsTest
  • #11
One final question is i don't see a resistor in the circuit for the inductor to discharge. I assume that a resistor is mandatory to discharge?
 
  • #12
PhysicsTest said:
One final question is i don't see a resistor in the circuit for the inductor to discharge. I assume that a resistor is mandatory to discharge?
Applying a voltage across an inductor will cause the current to change according to v = L(di/dt). That change can increase or decrease the current depending on the polarities; i.e. "charge" or "discharge". Resistors are one way to generate a voltage across an inductor, depending, of course, on how they are connected in the circuit. There are other ways too; it doesn't have to be a resistor.
 
  • Like
Likes   Reactions: PhysicsTest
  • #13
1614791802305.png

I tried searching for answer, i found above, i tried hard to do on my own but not successful.
 

Similar threads

  • · Replies 16 ·
Replies
16
Views
4K
  • · Replies 3 ·
Replies
3
Views
1K
  • · Replies 8 ·
Replies
8
Views
3K
  • · Replies 5 ·
Replies
5
Views
2K
Replies
1
Views
2K
  • · Replies 5 ·
Replies
5
Views
2K
  • · Replies 1 ·
Replies
1
Views
1K
Replies
12
Views
2K
  • · Replies 2 ·
Replies
2
Views
1K
  • · Replies 9 ·
Replies
9
Views
2K