Voltage in Parallel Circuits: Calculating Current through a Point

Click For Summary

Homework Help Overview

The discussion revolves around understanding the behavior of voltage in circuits, specifically focusing on a circuit that includes both series and parallel components. Participants are tasked with calculating the current through a specific point in the circuit, using principles from Ohm's Law and Kirchhoff's rules.

Discussion Character

  • Conceptual clarification, Assumption checking, Mixed

Approaches and Questions Raised

  • Participants explore the implications of voltage in parallel circuits, questioning the original poster's understanding of voltage constancy across components. Some suggest that the circuit may not be purely parallel, prompting a re-evaluation of definitions and relationships between series and parallel elements.

Discussion Status

The discussion is ongoing, with participants providing insights into the nature of the circuit and the relationships between voltage and current. There is a mix of attempts to clarify misconceptions and suggestions to revisit foundational concepts of circuit theory.

Contextual Notes

Some participants express frustration regarding the instructional background provided in their classes, indicating a gap in understanding the differences between series and parallel circuits. This context may influence the depth of the discussion and the assumptions made by participants.

nfcfox
Messages
36
Reaction score
0

Homework Statement


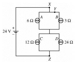
upload_2016-4-8_11-22-39.png
{image inserted in-line by mentor}
http://imgur.com/lnURBGX
Calculate the magnitude of the current through point Y.

Homework Equations


Ohm's Law: V=IR
Kirchoff's Junction: 1/Req=1/R+1/R2+1/R3+...

The Attempt at a Solution


I have been told that in parallel circuits the voltage remains the same therefore I should have 24= IRB
Rb= 3 ohms so 24/3= 8 A. However this is wrong because this problem is from AP Physics B 2012 FR. They actually had to find the total current by finding the voltage of the AB component... But why are we finding this voltage? Like I said I have been told voltage is constant throughout the entire circuit...
 
Physics news on Phys.org
nfcfox said:

Homework Statement


View attachment 98797{image inserted in-line by mentor}
http://imgur.com/lnURBGX
Calculate the magnitude of the current through point Y.

Homework Equations


Ohm's Law: V=IR
Kirchoff's Junction: 1/Req=1/R+1/R2+1/R3+...

The Attempt at a Solution


I have been told that in parallel circuits the voltage remains the same therefore I should have 24= IRB
Rb= 3 ohms so 24/3= 8 A. However this is wrong because this problem is from AP Physics B 2012 FR. They actually had to find the total current by finding the voltage of the AB component... But why are we finding this voltage? Like I said I have been told voltage is constant throughout the entire circuit...
No, your understanding of the relationship for voltage and parallel components is not correct. The rule is that components that are in parallel share the same potential difference across them.

In your circuit if you were to take a voltmeter and measure the potential difference across the 6 Ω lightbulb and then the 3 Ω lightbulb, you would read the same value for each. Similarly, you would read identical values for voltage across the 12 Ω and 24 Ω bulbs. But this would be a different voltage than for the other pair.
 
This circuit is NOT a parallel circuit, it is a series circuit with two sub-circuits that have parallel elements. For the voltage to be the same "throughout", you have to have all parallel elements. I suggest you go back and study what parallel and series mean.

EDIT: Ah, beat to it again :smile:
 
phinds said:
This circuit is NOT a parallel circuit, it is a series circuit with two sub-circuits that have parallel elements. For the voltage to be the same "throughout", you have to have all parallel elements. I suggest you go back and study what parallel and series mean.

EDIT: Ah, beat to it again :smile:
Our class didn't teach us this dang. When I look it up online it tells me that the voltage is the same across a parallel circuit...
 
nfcfox said:
Our class didn't teach us this ****. When I look it up online it tells me that the voltage is the same across a parallel circuit...
Yes, and the voltage IS the same across a parallel circuit. It just helps to know what a parallel circuit IS.
 
phinds said:
Yes, and the voltage IS the same across a parallel circuit. It just helps to know what a parallel circuit IS.
So then the voltage should be 24 V across the whole damn circuit??!??! That's how they did it in the videos they showed us.
 
gneill said:
No, your understanding of the relationship for voltage and parallel components is not correct. The rule is that components that are in parallel share the same potential difference across them.

In your circuit if you were to take a voltmeter and measure the potential difference across the 6 Ω lightbulb and then the 3 Ω lightbulb, you would read the same value for each. Similarly, you would read identical values for voltage across the 12 Ω and 24 Ω bulbs. But this would be a different voltage than for the other pair.
But they're saying voltage is the same across the circuit...
 
nfcfox said:
But why are we finding this voltage? Like I said I have been told voltage is constant throughout the entire circuit...
Voltage is constant across parallel resistors, but AB are serially connected to CD.

Calculate RAB = RA || RB and RCD = RC || RD.

The total current through the circuit will be Itot = 24V / ( RAB + RCD ), hence the voltage across RAB, VAB = Itot * RAB.

The current IB = VAB / RB.

Sketch the circuit step by step, following the above.
 
The voltage from X to Z is the voltage of the power supply. Between X and Z are two sub-circuits in series, each of which has to parallel elements.

AGAIN, I suggest that you go back to basics and learn about series and parallel circuits. I don't care if your class taught it or not --- look it up on the internet. You are not going to get very far without this basic understanding.
 
  • #10
phinds said:
The voltage from X to Z is the voltage of the power supply. Between X and Z are two sub-circuits in series, each of which has to parallel elements.

AGAIN, I suggest that you go back to basics and learn about series and parallel circuits. I don't care if your class taught it or not --- look it up on the internet. You are not going to get very far without this basic understanding.
So then what is a parallel circuit?
 
  • #11
upload_2016-4-8_11-49-14.png
 

Similar threads

  • · Replies 13 ·
Replies
13
Views
2K
  • · Replies 10 ·
Replies
10
Views
3K
  • · Replies 10 ·
Replies
10
Views
1K
  • · Replies 13 ·
Replies
13
Views
1K
Replies
3
Views
2K
  • · Replies 6 ·
Replies
6
Views
2K
  • · Replies 1 ·
Replies
1
Views
2K
Replies
7
Views
1K
Replies
4
Views
1K
Replies
3
Views
2K