What is the final voltage that a capacitor charges towards?

Click For Summary

Homework Help Overview

The discussion revolves around the behavior of capacitors in a circuit, particularly focusing on the final voltage a capacitor charges towards when connected in a specific configuration. The subject area includes concepts from circuit theory, specifically relating to capacitors and voltage dividers.

Discussion Character

  • Conceptual clarification, Assumption checking, Problem interpretation

Approaches and Questions Raised

  • Participants explore the implications of moving a lead in a circuit and the resulting current flow between components. Questions arise about the behavior of capacitors in relation to resistance and current paths, as well as the concept of voltage dividers.

Discussion Status

There is ongoing exploration of the assumptions regarding current flow and resistance in the circuit. Some participants have offered insights into how current behaves in parallel paths and the implications for capacitor charging. The discussion remains open, with participants questioning the final voltage that the capacitor will charge towards.

Contextual Notes

Participants are considering the effects of resistance in the circuit and the initial conditions of the capacitors. There is a mention of a voltage curve associated with capacitor charging, and the need to understand the voltage across specific points in the circuit is highlighted.

VaishnaviRam
Messages
5
Reaction score
0
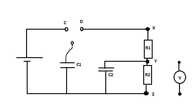
The related question says:http://[ATTACH=full]199761[/ATTACH]

[ATTACH=full]199762[/ATTACH]

The capacitor 1 is initially charged by having the flying lead attached to point C. Then, the flying lead is moved to point D. Capacitor 1 discharges.

C2 has no charge intially.

When the [B]flying lead is attached to D[/B], which one of these statements is true?

[LIST]
[*]Current flows from Y to C2
[*]Current flows from C2 to Y
[*]There is no current flowing between C2 and Y
[/LIST]
Explain why you have chosen this option.

I think it is option C. Because the path R2 and C2 the current could take has higher resistance than the current just passing through R2. But, my question is wouldn't the C2 get charged and hence making it the second option true.? Please help.
 

Attachments

  • PLAIN]%20[Broken].jpg
    PLAIN]%20[Broken].jpg
    9.7 KB · Views: 188
  • 11blsuq.jpg
    11blsuq.jpg
    9.7 KB · Views: 182
Last edited by a moderator:
Physics news on Phys.org
First off, do you not understand the concept of a voltage divider? Second off, do you think the cap C2 is an open circuit when you first move the switch to D ?

Also, your image doesn't show up for me.
 
phinds said:
First off, do you not understand the concept of a voltage divider? Second off, do you think the cap C2 is an open circuit when you first move the switch to D ?

Also, your image doesn't show up for me.

Yes. I know what a voltage divider is. But, how can you apply that on capacitors?
Plus, I think it is a closed circuit. But, wouldn't some current flow through capacitor 2 as that path has less resistance?
 
VaishnaviRam said:
Yes. I know what a voltage divider is. But, how can you apply that on capacitors?
Plus, I think it is a closed circuit. But, wouldn't some current flow through capacitor 2 as that path has less resistance?
If it is a closed circuit, how can current NOT flow through it?
 
phinds said:
If it is a closed circuit, how can current NOT flow through it?

Is this theory correct, Sir? current always passes through a path that low resistance. Since resistor has a resistance. Would it pass through Y to Capacitor 2? Is this correct?
 
VaishnaviRam said:
I think it is option C. Because the path R2 and C2 the current could take has higher resistance than the current just passing through R2.

Option C is not correct.

If you have two parallel paths electricity doesn't just take one with the least resistance - it's shared in proportion. So even if the C2 path has higher resistance than the R2 path some will still flow into C2.

But, my question is wouldn't the C2 get charged and hence making it the second option true.? Please help.

C2 would be charged (at least for awhile) but option 2 says "Current flows from C2 to Y". That's not correct.

Typically when a capacitor charges through a resistor you get a voltage curve that is asymptotic towards the supply voltage. That's not true in this case. What voltage is C2 charging towards?
 
CWatters said:
Option C is not correct.

If you have two parallel paths electricity doesn't just take one with the least resistance - it's shared in proportion. So even if the C2 path has higher resistance than the R2 path some will still flow into C2.
C2 would be charged (at least for awhile) but option 2 says "Current flows from C2 to Y". That's not correct.

Typically when a capacitor charges through a resistor you get a voltage curve that is asymptotic towards the supply voltage. That's not true in this case. What voltage is C2 charging towards?

I don't know the voltage. But, as you said, that's only one that makes sense. Thank you!
 
CWatters said:
Option C is not correct.

If you have two parallel paths electricity doesn't just take one with the least resistance - it's shared in proportion. So even if the C2 path has higher resistance than the R2 path some will still flow into C2.
C2 would be charged (at least for awhile) but option 2 says "Current flows from C2 to Y". That's not correct.

Typically when a capacitor charges through a resistor you get a voltage curve that is asymptotic towards the supply voltage. That's not true in this case. What voltage is C2 charging towards?
Can you also summarise a reason why?
 
To see what the final voltage that a particular capacitor is aiming for, as a general rule you an imagine: if that capacitor were not in the circuit what would be the voltage across the two points where we see it connected. Then that will be the voltage it is charging towards.

If you thoughtfuly apply that concept here, you'll get the answer.
 

Similar threads

  • · Replies 3 ·
Replies
3
Views
2K
  • · Replies 4 ·
Replies
4
Views
4K
  • · Replies 19 ·
Replies
19
Views
3K
  • · Replies 14 ·
Replies
14
Views
3K
  • · Replies 30 ·
2
Replies
30
Views
3K
  • · Replies 31 ·
2
Replies
31
Views
4K
  • · Replies 9 ·
Replies
9
Views
2K
  • · Replies 6 ·
Replies
6
Views
3K
  • · Replies 3 ·
Replies
3
Views
1K
  • · Replies 6 ·
Replies
6
Views
2K