Why Aren't My Calculated Currents Correct in This Circuit Analysis?

  • Thread starter Thread starter 1/2"
  • Start date Start date
  • Tags Tags
    Circuit Current
Click For Summary
SUMMARY

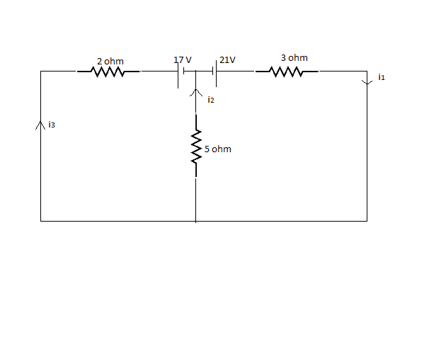
The discussion centers on calculating currents in a circuit using Kirchhoff's laws. The user initially attempted to simplify the problem by assuming a resultant EMF of 4V from two opposing batteries, neglecting the 17V cell. This approach led to incorrect calculations for the total resistance and currents. Participants emphasized the necessity of applying Kirchhoff's rules correctly, noting that the batteries are not in series due to the presence of a middle branch, which affects current distribution.

PREREQUISITES
  • Understanding of Kirchhoff's laws for circuit analysis
  • Familiarity with series and parallel resistor combinations
  • Basic knowledge of electromotive force (EMF) in circuits
  • Ability to perform circuit calculations involving voltage and resistance
NEXT STEPS
  • Study Kirchhoff's Voltage Law (KVL) and Kirchhoff's Current Law (KCL) in detail
  • Learn how to calculate equivalent resistance for complex circuits
  • Explore the impact of battery configurations on circuit behavior
  • Practice solving circuit problems with multiple branches and components
USEFUL FOR

Students studying electrical engineering, circuit designers, and anyone looking to improve their skills in circuit analysis and problem-solving using Kirchhoff's laws.

1/2"
Messages
98
Reaction score
0

Homework Statement


In the given circuit find the current i1,i2,i3.
(Image of the circuit is attached)

Homework Equations


current=(emf)/total resistance

The Attempt at a Solution


The original question actually asks me to find the currents using Kirchoff's laws .Since I feel this method to be a little tedious I tried to do it another way.
But the problem is the answers are not coming correct this way ,(which is as follows )

First since the two cells are connected opposite to each other i have assumed the resultant emf of the 21V to be 4V and I have neglected the other 17V cell.
then considering 2Ω and 5Ω resistances to be parallel to each other their resultant comes to be
(10/7)Ω .And this one being in series with 3Ω, The final resistance of the circuit comes out to be
(31/7)Ω.
Accordingly current should be i1=28/31 A
I am going seriously wrong somewhere , but can't figure out where.:cry: .
Can you please help?
Thanks in advance!
 

Attachments

  • Untitled.png
    Untitled.png
    3.1 KB · Views: 485
Last edited:
Physics news on Phys.org
1/2" said:

The Attempt at a Solution


The original question actually asks me to find the currents using Kirchoff's laws .Since I feel this method to be a little tedious I tried to do it another way.
But the problem is the answers are not coming correct this way ,(which is as follows )

First since the two cells are connected opposite to each other i have assumed the resultant emf of the 21V to be 4V and I have neglected the other 17V cell.

What you have presumed would have been correct if the two batteries would have been in series .Do you think the batteries are in series ?

Please be careful ,there is a middle branch between the two batteries.The current flowing through them will not be the same .

1/2" said:
then considering 2Ω and 5Ω resistances to be parallel to each other their resultant comes to be
(10/7)Ω .

Wrong .

1/2" said:
And this one being in series with 3Ω

Wrong .
 
  • Like
Likes   Reactions: 1 person
1/2" said:
The original question actually asks me to find the currents using Kirchoff's laws .Since I feel this method to be a little tedious I tried to do it another way.
But the problem is the answers are not coming correct this way ,(which is as follows )
.
.
.
I am going seriously wrong somewhere , but can't figure out where.:cry: .
Can you please help?
Thanks in advance!
You'll need to use Kirchhoff's rules here, tedious as they are.

As Tanya Sharma said, since the two batteries are not actually in series, you can't simply subtract their voltages.
 

Similar threads

  • · Replies 9 ·
Replies
9
Views
2K
  • · Replies 1 ·
Replies
1
Views
2K
  • · Replies 9 ·
Replies
9
Views
4K
  • · Replies 6 ·
Replies
6
Views
3K
  • · Replies 4 ·
Replies
4
Views
4K
Replies
11
Views
2K
  • · Replies 13 ·
Replies
13
Views
2K
  • · Replies 6 ·
Replies
6
Views
2K
  • · Replies 2 ·
Replies
2
Views
2K
  • · Replies 11 ·
Replies
11
Views
3K