A Kirchhoff problem: Find the currents and voltages in this circuit

Click For Summary

Homework Help Overview

The problem involves analyzing a circuit using Kirchhoff's laws to find the currents I1, I2, I3, I4, I5, and the voltage Ug. The original poster presents a series of equations derived from the circuit analysis but encounters difficulties with certain knot equations.

Discussion Character

  • Exploratory, Problem interpretation, Assumption checking

Approaches and Questions Raised

  • The original poster attempts to apply Kirchhoff's laws and superposition to set up equations for the currents and voltage. Some participants question the arrangement of the circuit and suggest considering alternative configurations to simplify the analysis.

Discussion Status

The discussion is ongoing, with the original poster expressing challenges in solving the knot equations. A participant has offered a suggestion to rearrange the circuit, which the original poster plans to try.

Contextual Notes

The original poster's equations indicate a potential misunderstanding or misapplication of Kirchhoff's laws, particularly in the knot equations. There is also a mention of a system of equations that does not yield a valid solution, highlighting possible assumptions or missing information in the setup.

Guillem_dlc
Messages
188
Reaction score
17

Homework Statement


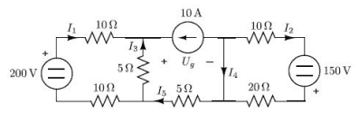
In the circuit of the figure, determine the intensities I1, I2, I3, I4, I5 and the voltage Ug.

Homework Equations


Superposition and Kirchoff

The Attempt at a Solution


20-10I1+5I3-10I1=0
5I3+Ug+5I5=0
20I2+10I2-150=0

From the last equation, 30I2 = 150, I2 = 5 A

KNOTS:

-10-I4-5=0 I4=-15 A

-I5+(-15)+5=0 I5=-10 A

System of knot equations of I3 and I5 does not work

-10-I1-I3=0
I3+I1-10=0

I3=-10-I1
-10-I1+I1-10=0 -20≠0

Here I have stayed, the part of the left is what resists me
 
Physics news on Phys.org
Guillem_dlc said:
In the circuit of the figure
 
Here it is:
 

Attachments

  • 1.png
    1.png
    6.5 KB · Views: 503
Have you considered rearranging the right hand side of the circuit temporarily?
 

Attachments

  • Modified.png
    Modified.png
    6.3 KB · Views: 471
Okay I try so, thanks!
 

Similar threads

Replies
4
Views
1K
  • · Replies 9 ·
Replies
9
Views
4K
Replies
8
Views
2K
Replies
10
Views
2K
  • · Replies 1 ·
Replies
1
Views
2K
  • · Replies 12 ·
Replies
12
Views
2K
  • · Replies 4 ·
Replies
4
Views
2K
  • · Replies 1 ·
Replies
1
Views
2K
  • · Replies 9 ·
Replies
9
Views
2K
  • · Replies 3 ·
Replies
3
Views
4K