Bode plot for active low pass filters

Click For Summary

Discussion Overview

The discussion revolves around generating Bode plots for active low pass filters, focusing on the transfer functions provided and the methods for plotting them in Excel or by hand. Participants explore the characteristics of first-order filters and the implications of normalizing frequency.

Discussion Character

  • Technical explanation
  • Homework-related
  • Conceptual clarification
  • Debate/contested

Main Points Raised

  • One participant expresses uncertainty about producing Bode plots in Excel without specific values for components.
  • Another suggests selecting appropriate frequencies and calculating gain and phase for each frequency to create the plots.
  • A different participant proposes normalizing the frequency to simplify the plotting process.
  • Concerns are raised about whether to use arbitrary values for resistors and capacitors, with some arguing that the transfer functions alone are sufficient for plotting.
  • One participant emphasizes that the Bode plot's shape is consistent across circuits with the same characteristics, regardless of specific axis markings.
  • Another participant shares their experience of sketching the plot by hand and seeking feedback from their lecturer, expressing uncertainty about the adequacy of their approach.
  • Some participants discuss the importance of understanding the key features of a low pass filter, such as the critical frequency and gain, rather than focusing solely on numerical values.

Areas of Agreement / Disagreement

Participants do not reach a consensus on the necessity of specific component values for plotting. There are differing opinions on whether hand sketches are sufficient for demonstrating understanding, and some express frustration over lack of feedback from instructors.

Contextual Notes

Participants mention various methods for plotting, including using Excel and hand sketches, but there is no agreement on the best approach. The discussion includes assumptions about the normalization of frequency and the implications of scaling factors on the gain axis.

Who May Find This Useful

Students and practitioners interested in circuit analysis, particularly those learning about filter design and Bode plots in the context of electrical engineering.

peasngravy
Messages
72
Reaction score
6
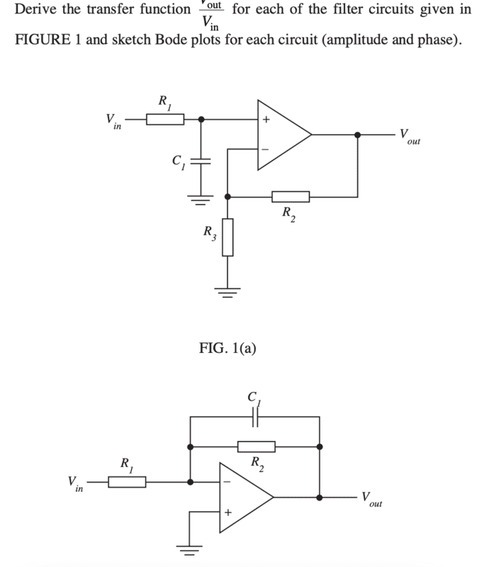
Homework Statement
Derive a transfer function for each of the filter circuits and sketch a bode plot
Relevant Equations
Av = Vout/Vin
Hi

Can anyone help with this? I understand what the bode plots should look like but I am not sure how to produce a plot in excel for them without any values

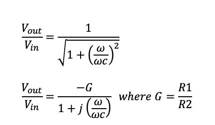
The transfer functions are:

Vout/Vin = 1/(SQRT(1+(ω/ωc)^2)
and
Vout/Vin = -G/(1+j(ω/ωc))

As both are first order filters they will have a roll-off of 20db per octave
1607457378973.png1607460211644.png

Thanks!

edited to add transfer function screenshot (still no good with Latex :) )
 
Last edited:
Physics news on Phys.org
peasngravy said:
As both are first order filters they will have a roll-off of 20db per octave decade
:smile:

What kind of plots have you done in Excel before? Also, have you downloaded a free copy of LTSpice yet? That can be a good way to check your work, plus it's a good skill to learn to be comfortable simulating circuits in Spice.
 
peasngravy said:
I am not sure how to produce a plot in excel for them without any values
You need to select a number of appropriate frequencies and calculate the gain (in dB) and the phase (typically degrees) for each frequency. Plot the results using linear (gain, phase, vertical axis) and log (frequency, horizontal axis) to show the "straight lines". Be sure to select frequencies above and below the 3dB frequencies - say plus and minus two decades as below..

As the frequency is plotted on a log axis it is useful to choose, say, four "logarithmically-equally-spaced" frequencies per decade as 1.78, 3.16, 5.62 and 10 Hz.

See Bode Plot in wiki.

If you must use Excel try a Google search with bode plot excel

bode.png
 
Last edited:
It is common, when values aren't given, to plot these after normalizing the frequency. You can define the normalized frequency ωn = ω/ωc, then you generate values of ωn around 1 to plot the filter response. Then label your frequency axis "ω/ωc".
 
Do I just make up values for the resistors and capacitors though? I don't understand how to calculate the gain at a certain frequency without replacing the values in the transfer function with actual numbers?
 
You have the transfer functions which you need to plot.

You don't need R1 and R2 because you are told G = R1/R2. G is therefore a scaling factor on the Gain axis - label it 1G, 2G, 3G etc.

You don't need C because you have ω/ωc. = see DaveE's post.

It says "sketch a bode plot" so do it by hand labelling the axes to show the 3dB point. You don't need Excel.

The question is testing your understanding of the shape of a Bode plot and the importance of the 3dB frequency.

Every circuit with a 3dB breakpoint and 20 dB/decade fall off has the identical shape Bode plot.

It is only the markings on the axis which change with different circuits. One circuit, say, has a 3dB point at 10kHz and a gain of 35dB; another circuit, say, has a 3dB point of 27MHz and a gain of 19dB. The Bode plots are identical - only the markings on the axes are different.

So the question is solved by

a) sketch a generic Bode plot - without axis markings they are all identical
b) now mark the axes with the graduations for the specific circuit

In my example plots, replace 100 by ωc, 1000 by 10ωc and 10000 by 100ωc.
 
Last edited:
Ok thank you - I had actually already sketched it by hand and asked my lecturer if this was enough, but he didn't reply and I assumed that meant he was unhappy with the question :D

I will go with the hand sketch as I know how they should look anyway. Thanks everyone for your time.
 
peasngravy said:
asked my lecturer if this was enough, but he didn't reply and I assumed that meant he was unhappy with the question
Not a great assumption. He may have just been occupied with other things. Give the guy a break, he has other things to do too.
 
Yeah maybe but this was 2 weeks ago :biggrin:

No big deal anyway and it's not like I harassed him or anything, just asked him and moved on when he didn't reply.
 
  • Like
Likes   Reactions: DaveE
  • #10
peasngravy said:
I will go with the hand sketch as I know how they should look anyway.
Please let us know how you get on so that if my advice of sketching was bad :frown: I don't give it again.

In principle, I think what the question is aiming at is trying to get you to see what is important and what isn't. A simple low pass filter is characterised by:

- a flat gain response up to a given critical frequency
- a straight line (on a log/linear graph) falling at 20 dB/decade beyond the critical frequency (so be sure to plot frequency on a log scale!)
- a 3dB drop in gain at the critical frequency
- a 45 degree phase shift at the critical frequency.

Hence the circuit is completely characterised by only two things: the critical frequency and the gain.
 
Last edited:

Similar threads

  • · Replies 4 ·
Replies
4
Views
1K
  • · Replies 3 ·
Replies
3
Views
3K
  • · Replies 4 ·
Replies
4
Views
2K
  • · Replies 3 ·
Replies
3
Views
3K
  • · Replies 8 ·
Replies
8
Views
4K
  • · Replies 3 ·
Replies
3
Views
4K
Replies
2
Views
2K
  • · Replies 16 ·
Replies
16
Views
2K
  • · Replies 10 ·
Replies
10
Views
3K
  • · Replies 4 ·
Replies
4
Views
5K