Boolean Expression for Relay Contacts and Lamp

Click For Summary
SUMMARY

The discussion focuses on deriving a Boolean expression for controlling a lamp (Y006) using relay contacts (X and R). The user presents an interim solution to visualize the logic involved in the circuit. The final answer is sought for validation, indicating a need for confirmation on the correctness of the Boolean expression derived. The context emphasizes the application of Boolean algebra in practical relay control scenarios.

PREREQUISITES
  • Understanding of Boolean algebra principles
  • Familiarity with relay circuits and their components
  • Knowledge of lamp control mechanisms
  • Basic skills in logic diagram interpretation
NEXT STEPS
  • Research Boolean algebra applications in relay control systems
  • Study logic gate configurations for lamp control
  • Explore circuit design software for visualizing relay circuits
  • Learn about troubleshooting techniques for relay-based systems
USEFUL FOR

Electrical engineering students, hobbyists working with relay circuits, and professionals involved in automation and control systems will benefit from this discussion.

cjm181
Messages
68
Reaction score
1

Homework Statement


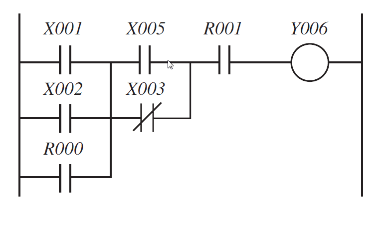
In the diagram, Y006 is a lamp, and X & R references are relay contacts. Write down a Boolean expression for the lamp to light.

Q3.png


Homework Equations

The Attempt at a Solution


This is what I have done as an interim step to help me visualise what's going on:

A3a.png


This is the final answer

A3b.png


Is this correct?

Thanks
 
Physics news on Phys.org
That is it!
 

Similar threads

  • · Replies 3 ·
Replies
3
Views
3K
  • · Replies 2 ·
Replies
2
Views
3K
  • · Replies 4 ·
Replies
4
Views
2K
  • · Replies 1 ·
Replies
1
Views
3K
  • · Replies 1 ·
Replies
1
Views
2K
  • · Replies 6 ·
Replies
6
Views
3K
Replies
4
Views
3K
Replies
1
Views
5K
  • · Replies 3 ·
Replies
3
Views
5K
  • · Replies 6 ·
Replies
6
Views
4K