Choosing the Right Wire for an Impulse Voltage Generator

  • Thread starter Thread starter corruptdna
  • Start date Start date
  • Tags Tags
    Type Wire
Click For Summary

Discussion Overview

The discussion revolves around selecting appropriate wire for an impulse voltage generator project, specifically focusing on the requirements for connecting resistors to a circuit powered by a high-voltage transformer and rectifier. The context includes considerations of wire gauge and insulation due to the high voltage involved.

Discussion Character

  • Technical explanation, Debate/contested

Main Points Raised

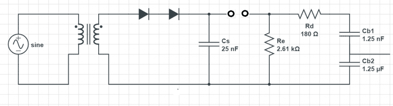
  • One participant inquires about suitable wire types for connecting components in a high-voltage circuit, specifying the use of a 1.25nF capacitor, resistors, and a spark gap.
  • Another participant references a wire size table, suggesting that 24g wire is acceptable and recommending 12g hookup or speaker wire, noting that stranded vs solid wire may not significantly impact performance.
  • A different participant emphasizes that while wire size may not be a concern, insulation is critical due to the high voltage of 140kV.
  • One participant advises that the original poster should consult their supervisor regarding the project rather than seeking advice in an online forum.

Areas of Agreement / Disagreement

Participants express differing views on the importance of wire size versus insulation, indicating a lack of consensus on the primary concern for the project.

Contextual Notes

The discussion does not resolve the specific requirements for wire insulation under high voltage conditions, and assumptions regarding safety and testing protocols are not fully explored.

Who May Find This Useful

Individuals involved in electrical engineering projects, particularly those related to high-voltage applications or impulse voltage generators.

corruptdna
Messages
7
Reaction score
1
Hi guys :)

I just wanted to ask you guys something. I am building a impulse voltage generator and it will be powered using a transformer and a rectifier that can handle up to 140kV. I just wanted to ask you guys, my job is to build a 1.25nF capacitor, one 180 ohm resistor, one 2667 ohm resistor and a spark gap. Ill upload the circuit to the thread. I wanted to ask you guys, what kind of wire can i use to connect the resistors to a pipe with a metal cap that will be used in the circuit?. Ill upload some pictures so you guys have a better idea. I believe the current will be 50mA. This project will be my final year project to complete my Electrical and Electronic Engineering bachelors :) I will not be doing any tests without my supervisor so do not worry.
 

Attachments

  • general circuit 1.png
    general circuit 1.png
    16.3 KB · Views: 571
  • 20160928_120551.jpg
    20160928_120551.jpg
    34.3 KB · Views: 525
Engineering news on Phys.org
http://www.powerstream.com/Wire_Size.htm

According to that table, you are good down to 24g. If it were me, I'd buy some 12g hookup wire or speaker wire (stranded vs solid won't matter) and use that.
 
corruptdna said:
I am building a impulse voltage generator and it will be powered using a transformer and a rectifier that can handle up to 140kV.

wire size won't be the issue ... insulation will be
 
corruptdna said:
This project will be my final year project to complete my Electrical and Electronic Engineering bachelors :) I will not be doing any tests without my supervisor so do not worry.

This is something you should bring up with them, not bring up to an online forum.

Thread locked for safety reasons.
 
  • Like
Likes   Reactions: davenn and berkeman

Similar threads

  • · Replies 19 ·
Replies
19
Views
4K
Replies
5
Views
3K
  • · Replies 20 ·
Replies
20
Views
4K
Replies
12
Views
2K
  • · Replies 10 ·
Replies
10
Views
3K
Replies
12
Views
2K
  • · Replies 13 ·
Replies
13
Views
3K
Replies
7
Views
9K
  • · Replies 7 ·
Replies
7
Views
2K
  • · Replies 9 ·
Replies
9
Views
3K