Confused about Kirchoff's Law: How is the current calculated in this problem?

Click For Summary

Homework Help Overview

The discussion revolves around the application of Kirchhoff's Law in a circuit involving resistors R1 and R2, which are in parallel. The original poster expresses confusion regarding the calculation of current and voltage across these resistors, particularly in relation to a variable Rx.

Discussion Character

  • Exploratory, Conceptual clarification, Assumption checking

Approaches and Questions Raised

  • Participants explore the relationship between voltage across R1 and R2 and the total voltage in the circuit. Questions arise about how to calculate the current through the combined resistance of R1 and R2 and the implications of the voltage drop across these resistors.

Discussion Status

Some participants provide clarifications regarding the shared potential difference across parallel resistors and the implications for current calculations. There is an ongoing exploration of how the total current divides among the resistors, but no explicit consensus has been reached on the original poster's understanding.

Contextual Notes

Participants note that the original poster is revisiting concepts after a significant time away from electrical engineering, which may contribute to the confusion. The discussion includes references to additional parallel resistors and their impact on the overall circuit behavior.

Ortix
Messages
63
Reaction score
0

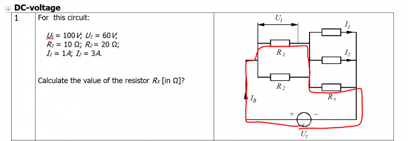
Homework Statement



upload_2015-2-12_16-25-51.png

Homework Equations



There is not really a relevant attempt at a solution. I do however have the following question: According to the solutions and some reverse 'engineering' I found out that the voltage across R2 is the same as U1 = 60V. It's been years since I've done electrical engineering and I need to refresh my brain. It looks as if though U1 is across both R1 and R2.

The equation for the solution:
[itex]R_x = \frac{U_t - U_1}{\frac{U_1}{\frac{R_1 \cdot R_2}{R_1 + R2}} -I_1 - I2}[/itex]

I'm not quite sure what's going on here..

From what I understand is that the voltage which is 'left' from passing through R1 and R2 is used to calculate the resistance of Rx. So Rx = U/I where U = U_t - U_1. How is that possible? What about the other parallel connected resistors?

Furthermore, in the denominator of the equation I1 and I2 are subtracted from a calculated current. This is where the confusion of the first part of my question comes back. It's as if though the current which would come out of a compound resistor of R1 and R2 is equal to the Voltage across R1 divided by the compound resistance... WHAT?! Am I losing my mind?

EDIT:
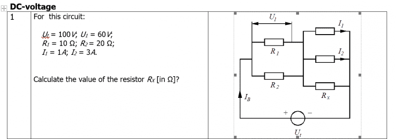
I think this is what's going on:
upload_2015-2-12_16-57-25.png

Still not sure how the current is calculated from which I1 and I2 are subtracted:
[itex]\frac{U_1}{\frac{R_1 \cdot R_2}{R_1 + R2}} -I_1 - I2[/itex]

As in, I don't understand how that's valid.
 
Last edited:
Physics news on Phys.org
Ortix said:

Homework Statement



View attachment 78977

Homework Equations



There is not really a relevant attempt at a solution. I do however have the following question: According to the solutions and some reverse 'engineering' I found out that the voltage across R2 is the same as U1 = 60V. It's been years since I've done electrical engineering and I need to refresh my brain. It looks as if though U1 is across both R1 and R2.
That is correct. R1 and R2 are in parallel so they must share the same potential difference.
The equation for the solution:
[itex]R_x = \frac{U_t - U_1}{\frac{U_1}{\frac{R_1 \cdot R_2}{R_1 + R2}} -I_1 - I2}[/itex]

I'm not quite sure what's going on here..

From what I understand is that the voltage which is 'left' from passing through R1 and R2 is used to calculate the resistance of Rx. So Rx = U/I where U = U_t - U_1. How is that possible? What about the other parallel connected resistors?
Note that the other three resistors are also in parallel so they too must share a common potential difference. Here it is equal to Ut - U1, the source voltage less the drop across R1||R2. As you say, it's "what's left" of the starting voltage Ut after passing through R1||R2.
Furthermore, in the denominator of the equation I1 and I2 are subtracted from a calculated current. This is where the confusion of the first part of my question comes back. It's as if though the current which would come out of a compound resistor of R1 and R2 is equal to the Voltage across R1 divided by the compound resistance... WHAT?! Am I losing my mind?
The current that passes through R1||R2 (your "calculated current") is the total current that reaches the three parallel resistors. That's the first term in the denominator of the expression. That current will split into three parts, one for each resistor. So ##I_1##, ##I_2##, and let's call it ##I_x## through ##R_x##. The current ##I_x## must be equal to the total current less the other two.
EDIT:
I think this is what's going on:
View attachment 78979
Still not sure how the current is calculated from which I1 and I2 are subtracted:
[itex]\frac{U_1}{\frac{R_1 \cdot R_2}{R_1 + R2}} -I_1 - I2[/itex]

As in, I don't understand how that's valid.
The sum of the currents through R1 and R2, or equivalently, the current through R1||R2, must equal the total current ##I_B## supplied by the source since these two resistors represent the only paths for ##I_B## to reach the rest of the circuit.

You are given the resistor values of R1 and R2 as well as the potential drop across them. So you can work out their currents individually or, after parallel-combining them, the total current through their equivalent resistance. The latter is what was done in the given expression. They could also have written:

##\frac{U_1}{R_1} + \frac{U_1}{R_2} - I_1 - I_2##
 
Sum of current in 1st parallel branch=2nd branch.
 
thank you gneill! I can now solve the rest of the problems with a breeze!
 

Similar threads

Replies
4
Views
2K
  • · Replies 9 ·
Replies
9
Views
4K
  • · Replies 6 ·
Replies
6
Views
3K
  • · Replies 12 ·
Replies
12
Views
2K
Replies
6
Views
1K
  • · Replies 8 ·
Replies
8
Views
2K
  • · Replies 18 ·
Replies
18
Views
3K
  • · Replies 11 ·
Replies
11
Views
3K
Replies
15
Views
10K
Replies
6
Views
1K