How Is Current Calculated in a Wheatstone Bridge Setup?

Click For Summary

Homework Help Overview

The discussion revolves around calculating current in a Wheatstone bridge setup, specifically focusing on the ammeter reading zero current when a variable resistor is set to 193Ω. Participants are exploring the implications of this setup on current flow through different branches of the circuit.

Discussion Character

  • Exploratory, Assumption checking, Problem interpretation

Approaches and Questions Raised

  • Participants discuss the calculation of equivalent resistance in the circuit, questioning the configuration of resistors and the resulting current values. There are attempts to clarify the connections between the diamond configuration and the other resistors, as well as the implications of series and parallel connections.

Discussion Status

The discussion is active, with participants raising questions about the values used in calculations and the configuration of the circuit. Some guidance has been offered regarding the relationships between voltages and currents in series and parallel circuits, but no consensus has been reached on the correct approach to the problem.

Contextual Notes

Participants are navigating through potential misunderstandings regarding the arrangement of resistors and the application of Kirchhoff's laws. There is a focus on ensuring clarity about the definitions of series and parallel connections, as well as the implications of current flow at junctions.

B3NR4Y
Gold Member
Messages
170
Reaction score
1

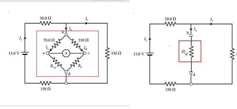
Homework Statement


The ammeter in the Wheatstone bridge of measures zero current when the resistance Rvar of the variable resistor is set to 193Ω .
What is the current IL through the left side of the bridge?

Homework Equations


V1 + V2 + V3 + V4 + ... + VN = E
Rx = Rvar*R3/R1
m0lzz0W.png

The Attempt at a Solution


To start, I calculated the equivalent resistance of the diamond part in the center, which is [itex](\frac{1}{70+139} + \frac{1}{210+579} )^{-1}[/itex], where I calculated the R6 to be 579 Ω.

I used this and V1 + V2 + V3 + V4 + ... + VN = E to find the voltage across the whole diamond part (using Kirchoff's Current Rule). The current into the diamond should be equivalent to the one out of it, 0.04 A. Using this knowledge, and the voltage I calculated across the diamond part, and divided it by the equivalent resistance on the left side, which should give me current. I found the current on the right side the same way, and sure enough they added to 0.04 A. I got an answer of 0.02382 A for the left side, which is wrong.

Another thing I tried is considering only the loop through the left side, it's voltages still will sum to zero, so I found the voltage across the left side in a similar manner and divided by the resistance and got 0.0324 A, a different number. But I have one attempt left and don't want to try it. Any EEs here to help?
 
Physics news on Phys.org
Is the variable resistance 193 ohm or 139 ohm?

How did you get 0.04 A for the current through the diamond?
 
ehild said:
Is the variable resistance 193 ohm or 139 ohm?

How did you get 0.04 A for the current through the diamond?
It is 193 ohms, to get 0.04 A for the current through the diamond I calculated the equivalent resistance of the diamond, then added it to the two other resistors that form a loop with the diamond (50 and 150), then I divided the Emf of the battery by this resistance and got my answer.
 
B3NR4Y said:
It is 193 ohms, to get 0.04 A for the current through the diamond I calculated the equivalent resistance of the diamond, then added it to the two other resistors that form a loop with the diamond (50 and 150), then I divided the Emf of the battery by this resistance and got my answer.

The diamond is not connected in series with the other two resistors to the left.
 
ehild said:
The diamond is not connected in series with the other two resistors to the left.
Then it's connected in parallel?
 
B3NR4Y said:
Then it's connected in parallel?
No. Not parallel either.

The diamond is in parallel with the 350 Ω resistor.
 
SammyS said:
No. Not parallel either.

The diamond is in parallel with the 350 Ω resistor.
I understand that, but the only two things we have learned about are parallel and series...
 
You can solve the problem with series and parallel resistors, but you need to know what series connection and parallel connection means. What do you know about the current flowing through series resistors? What do you know about the voltage across parallel resistors?
You calculated the resultant resistance of the diamond. You can replace it with the resultant.
 
ehild said:
You can solve the problem with series and parallel resistors, but you need to know what series connection and parallel connection means. What do you know about the current flowing through series resistors? What do you know about the voltage across parallel resistors?
Current through series resistors is the same, voltage through parallel resistors are the same.
 
  • #10
B3NR4Y said:
Current through series resistors is the same, voltage through parallel resistors are the same.
Splendid. Is the current through the diamond equal to I1? Is the voltage across the 350 ohm resistor equal to the voltage between b and d?
 
  • #11
ehild said:
Splendid. Is the current through the diamond equal to I1? Is the voltage across the 350 ohm resistor equal to the voltage between b and d?
I-1 is not the current through the diamond, because there's a junction there. And the voltage across the 350-ohm resistor is equal to the voltage across b and d... I think. Circuits confuse me.
 
  • #12
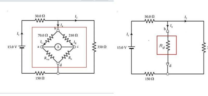
So how are the diamond (Rd) and the 350 ohm resistor connected?

wheatstone.jpg
 
  • #13
ehild said:
So how are the diamond (Rd) and the 350 ohm resistor connected?

View attachment 82176
The diamond and the 350 ohm resistor are connected in parallel, and therefore should have the same voltage across them? And from there I can find the current in the left side of the diamond because I know the voltage across it?
 
  • #14
B3NR4Y said:
The diamond and the 350 ohm resistor are connected in parallel, and therefore should have the same voltage across them? And from there I can find the current in the left side of the diamond because I know the voltage across it?
How do you know the voltage between b and d?
 
  • #15
ehild said:
How do you know the voltage between b and d?
Because voltages in parallel resistors are the same, and I can find the voltage through the 350-ohm resistor fairly simply, which is in parallel with the diamond.
 
  • #16
B3NR4Y said:
Because voltages in parallel resistors are the same, and I can find the voltage through the 350-ohm resistor fairly simply, which is in parallel with the diamond.
Yes, how do you find the voltage across the 350 ohm resistor? Show it, please.
 
  • #17
ehild said:
Yes, how do you find the voltage across the 350 ohm resistor? Show it, please.
Firstly, the 350 ohm resistor is in series with the two resistors in the left, if you ignore the diamond, so sum the resistances and get 550 ohms. Now divide the emf of the battery by this resistance to get the current through this loop, 0.027-A. Now, by kirchhoffs law, emf = V-1 + V-2 + V-3, or E-I(R-1 + R-3) = R-2 (where R-2 is the 350 ohm and R-1 is the 50, R-3 being the 150). This is equivalent to the voltage across the 350 ohm resistor. 9.5454 volts
 
  • #18
B3NR4Y said:
Firstly, the 350 ohm resistor is in series with the two resistors in the left,
No, it is not series with the two resistors on the left. Check the currents. Is I1 the same as I2?

Resistors are connected in series, if nothing else is connected to their common point. They must look as pearls of a necklace.

Determine the parallel resultant of the 350 ohm with the diamond. That resultant is in series with the 150 ohm and 50 resistors.
 
  • #19
ehild said:
No, it is not series with the two resistors on the left. Check the currents. Is I1 the same as I2?

Resistors are connected in series, if nothing else is connected to their common point. They must look as pearls of a necklace.

If they're not in series, and they're not in parallel, the only thing I can think of is 0 V across the 350 ohm resistor, and I don't think that makes sense.
 
  • #20
B3NR4Y said:
If they're not in series, and they're not in parallel, the only thing I can think of is 0 V across the 350 ohm resistor, and I don't think that makes sense.
Resistors in a circuit are not all parallel or all series. Why do you think that there is 0 V across the 350 Ω resistor? Does current flow through it? If the current is not zero, is the voltage across it zero?
 
Last edited by a moderator:
  • #21
ehild said:
Resistors in a circuit are not all parallel or all series. Why do you think that there is 0 V across the 350 Ω resistor? Does current flow through it? If the current is not zero, is the voltage across it zero?
If the current is nonzero, voltage can't be zero by Ohm's law.

What throws me off is calculating the currents when junctions happen, I suppose
 
Last edited by a moderator:
  • #22
Calculate the resultant resistances, and replace the circuit between the points b and d by the resultant. What is the resistance of the diamond? What is the resultant if it is connected parallel with 350 ohm? Show the numerical values, please.
 
  • #23
B3NR4Y said:
If the current is nonzero, voltage can't be zero by Ohm's law.

What throws me off is calculating the currents when junctions happen, I suppose
What does Kirchhoff's Nodal Law state? The algebraic sum of the currents at a node must be zero. Charges can not accumulate at the node. The net current flowing in must flow out.
 
  • #24
@ B3NR4Y,

Don't forget, you do know how to get the equivalent resistance for resistors in parallel. (That formula actually comes from knowing that the voltage is the same for both resistors.)

The "Diamond" is in parallel with the 350 Ω resistor, so what is that equivalent resistance?
 
  • #25
ehild said:
Calculate the resultant resistances, and replace the circuit between the points b and d by the resultant. What is the resistance of the diamond? What is the resultant if it is connected parallel with 350 ohm? Show the numerical values, please.
I will do this when I come back home, in about two hours, thank you so much for your help. I feel like I kind of understand what's going on now.

SammyS said:
@ B3NR4Y,

Don't forget, you do know how to get the equivalent resistance for resistors in parallel. (That formula actually comes from knowing that the voltage is the same for both resistors.)

The "Diamond" is in parallel with the 350 Ω resistor, so what is that equivalent resistance?
The total resistance of the "diamond" I calculated to be 579-ohms. So [itex]\frac{1}{R_{eq}} = \frac{1}{R_{diamond}} + \frac{1}{R_{350}}[/itex]
 
  • #26
B3NR4Y said:
I will do this when I come back home, in about two hours, thank you so much for your help. I feel like I kind of understand what's going on now.The total resistance of the "diamond" I calculated to be 579-ohms. So [itex]\frac{1}{R_{eq}} = \frac{1}{R_{diamond}} + \frac{1}{R_{350}}[/itex]
That can't be right for the "diamond". It was R6 that was 579Ω.

In the Original Post for this thread you wrote.
B3NR4Y said:
To start, I calculated the equivalent resistance of the diamond part in the center, which is (170+139+1210+579)−1 ##(\frac{1}{70+139} + \frac{1}{210+579} )^{-1}## , where I calculated the R6 to be 579 Ω.
Of course, there's a typo because later you told ehild that Rvar = 193 Ω.

So ##\displaystyle\ R_\text{diamond}=\left(\frac{1}{70+193} + \frac{1}{210+579} \right)^{-1}\ .\ ## That actually turns out to be 0.75(70+193) .
 

Similar threads

  • · Replies 2 ·
Replies
2
Views
6K
  • · Replies 7 ·
Replies
7
Views
2K
  • · Replies 1 ·
Replies
1
Views
2K
  • · Replies 8 ·
Replies
8
Views
4K
  • · Replies 7 ·
Replies
7
Views
4K
Replies
1
Views
3K
Replies
9
Views
1K
Replies
8
Views
4K
  • · Replies 7 ·
Replies
7
Views
5K