Determinant Zero, Saturated Bipolar Transistor

Click For Summary

Discussion Overview

The discussion revolves around analyzing a circuit involving a saturated bipolar transistor, specifically focusing on determining the base, collector, and emitter voltages. Participants explore various approaches to solving the problem, including matrix methods and assumptions regarding voltage values.

Discussion Character

  • Homework-related
  • Mathematical reasoning
  • Technical explanation

Main Points Raised

  • One participant notes that their matrix approach yielded a determinant of zero, suggesting infinite solutions, and questions whether this is typical for saturated bipolar transistors.
  • Another participant suggests that assuming an offset voltage of 0.7 V and a saturation voltage of 0.2 V simplifies the problem and leads to consistent results with CircuitLab.
  • There is a discussion about the validity of assuming Vbe is 0.7 V when the transistor is ON, referencing the diode model of a transistor.
  • One participant proposes checking if the transistor is saturated by comparing base and collector currents, suggesting a gain of greater than 50 for small signal transistors.
  • A more simplified model is presented, using a matrix based on the assumption that VBE is 0.7 V and the current gain is approximately 50 for a 2n2222 transistor.
  • Another participant mentions a more complex model using hybrid parameters and corrects a previous statement regarding Vbe to Vce.

Areas of Agreement / Disagreement

Participants express differing views on the assumptions regarding voltage values and the validity of the matrix approach. There is no consensus on whether the initial matrix method is appropriate for this scenario, and multiple models are proposed without resolution.

Contextual Notes

Some assumptions regarding the offset voltage and saturation voltage are not universally agreed upon, and the discussion highlights the dependency on specific transistor characteristics and conditions.

mishima
Messages
576
Reaction score
43

Homework Statement


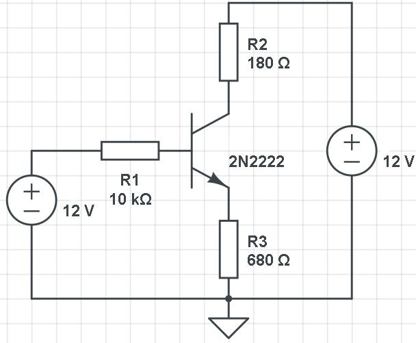
I am looking for the base, collector, and emitter voltages in the following circuit:
circ.jpg


Homework Equations


KCL
KVL
offset voltage = VB - VE
saturation voltage = VC - VE

The Attempt at a Solution


First I made a matrix without assuming any values for offset or saturation voltages. Doing so gave me this:

1 55.56 14.7 | 678.72 KCL with transistor as node
9/500 1 9/34 | 12.216 KVL right hand mesh
17/250 34/9 1 | 46.149 KVL left hand mesh

The determinant for this matrix is 0, and seems to have infinite solutions. So that was not a good approach here. I checked the circuit with CircuitLab, and sure enough the voltages work with my matrix. Its just that the matrix can't produce them unfortunately... (10.07, 9.539, 9.428 for Vbase, Vcollector, and Vemitter). First, I was wondering if this always happens with a saturated bipolar transistor. Or, this isn't a textbook problem, is that the only reason the matrix didn't work out?

A much easier solution was to just assume that the offset voltage was 0.7 V and saturation voltage (Vce) was 0.2 V. Those 2 equations

Vbase - Vemitter = 0.7
Vcollector - Vemitter = 0.2

along with the first equation in the matrix gave solutions consistent with CircuitLab to within a hundreth of a volt. So second, I'm just kind of wondering what makes the first assumption valid. I was told offset voltage is not a constant. The Vce assumption makes sense just looking at a datasheet for the 2n2222. But why can I say that Vbe is 0.7 with confidence here?

Thanks.
 
Physics news on Phys.org
I think I see what happened, I used the same equation in rows 1 and 2 of my matrix.

Actually they are all the same...
 
But why can I say that Vbe is 0.7 with confidence here?

If the transistor is ON then Vbe will be roughly 0.7V. Look at the diode model of a transistor.

It might seem obvious for this problem but it would be best to check the transistor is saturated by comparing the base and collector currents. For example most small signal transistors have a gain >50 so multiply the base current by 50 and if the answer is more than the collector current the transistor will be ON/saturated.
 
If you want the super simplified model, you consider the transistor is ON, That VBE=0.7V and that the current gain is 50 (approximate value for a 2n2222 at Ic=1mA)

That gives you the following matrix:

<br /> \left ( \begin{array}{ccc}<br /> 10680 &amp; 680&amp; 0\\<br /> 680 &amp; 860 &amp;1\\<br /> -50 &amp; 1 &amp;0<br /> \end{array} \right ) \cdot \left (<br /> \begin{array}{c}<br /> I_{b} \\<br /> I_{c} \\<br /> V_{CE}\end{array} \right ) = \left ( \begin{array}{c}<br /> 11.3\\<br /> 12\\0\end{array}\right )

If you want a model that's slightly more complex, you can use the hybridparameters. (See here)

(Edit, correct Vbe to Vce)
 

Similar threads

  • · Replies 2 ·
Replies
2
Views
4K