Equivalent capacitance:pentagon shape

  • Thread starter Thread starter gracy
  • Start date Start date
  • Tags Tags
    Equivalent Shape
Click For Summary

Homework Help Overview

The discussion revolves around the equivalent capacitance of a configuration involving five capacitors, each with capacitance value C, arranged in a pentagon shape. Participants are exploring the relationships between the capacitances at different terminals, specifically between points P and R, and P and Q.

Discussion Character

  • Exploratory, Assumption checking, Problem interpretation

Approaches and Questions Raised

  • Participants express uncertainty about the direction to consider the capacitors, questioning whether clockwise or counterclockwise analysis affects the outcome. There are discussions about identifying which capacitors are in series or parallel relative to the terminals P and R, and P and Q.

Discussion Status

Some participants have attempted to calculate the equivalent capacitance between the terminals and have shared their results, while others have provided encouragement and suggestions for further exploration. There is acknowledgment of the application of previous answers to the current problem.

Contextual Notes

There is a mention of potential confusion regarding the order of capacitors and how it may impact the calculations. Participants are also reflecting on the importance of verifying assumptions in their approach.

gracy
Messages
2,486
Reaction score
83

Homework Statement


Five capacitors ,each of capacitance value C are connected as shown in the figure.The ratio of capacitance between P and R,and the capacitance between P and Q is
P.png


Homework Equations


For Equivalent Capacitance in series

##\frac{1}{C}##=##\frac{1}{C_1}##+##\frac{1}{C_2}##

The Attempt at a Solution


But I don't know from which direction should I consider capacitors whether clockwise or anticloclwise?Because I will encounter different number of capacitors in each of these direction.
 
Physics news on Phys.org
gracy said:

Homework Statement


Five capacitors ,each of capacitance value C are connected as shown in the figure.The ratio of capacitance between P and R,and the capacitance between P and Q is
View attachment 92640

Homework Equations


For Equivalent Capacitance in series

##\frac{1}{C}##=##\frac{1}{C_1}##+##\frac{1}{C_2}##

The Attempt at a Solution


But I don't know from which direction should I consider capacitors whether clockwise or anticloclwise?Because I will encounter different number of capacitors in each of these direction.
Does it matter? is ##\frac{1}{C_1}+\frac{1}{C_2}## not the same as ##\frac{1}{C_2}+\frac{1}{C_1}##?What capacitors are connected in series and in parallel with respect to the terminals P and R, and in case when the terminals are P and Q?
Determine the equivalent capacitance between P and R. Then determine the equivalent capacitance between P and Q. What are they?
 
It seems to me that you are very interested in capacitors and resistors. I recommend that you buy multitester with capacitance measuring capability. Get few resistors and capacitors of different values and make a circuit of any configuration you like.
 
I will try to solve this with the help of answers I have received in my previous thread.
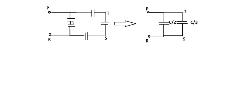
ehild said:
Determine the equivalent capacitance between P and R
P2.png


Now the two capacitors are in parallel
equivalent capacitance between P and R=C/2+C/3
=##\frac{5C}{6}##
ehild said:
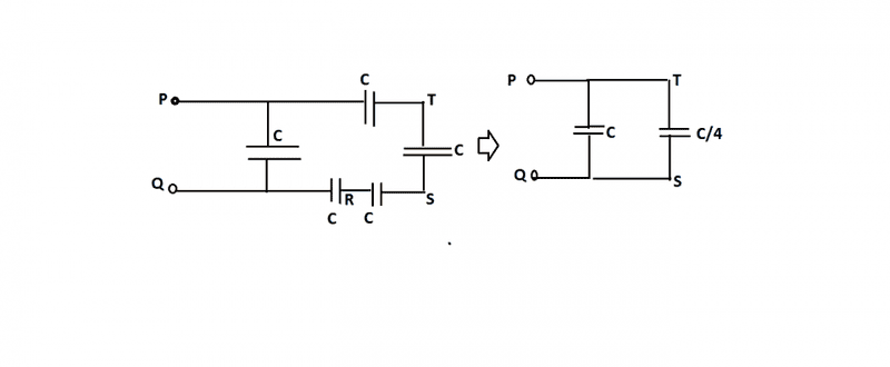
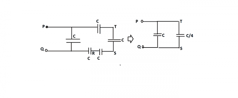
determine the equivalent capacitance between P and Q.
1P.png

Now the two capacitors are in parallel
equivalent capacitance between P and Q is =C+C/4
=##\frac{5C}{4}##
The ratio between the two are
##\frac{5C}{6}##÷##\frac{5C}{4}##

=##\frac{2}{3}##

Am I right?
 
gracy said:
I will try to solve this with the help of answers I have received in my previous thread.

View attachment 92647

Now the two capacitors are in parallel
equivalent capacitance between P and R=C/2+C/3
=##\frac{5C}{6}##

View attachment 92648
Now the two capacitors are in parallel
equivalent capacitance between P and Q is =C+C/4
=##\frac{5C}{4}##
The ratio between the two are
##\frac{5C}{6}##÷##\frac{5C}{4}##

=##\frac{2}{3}##

Am I right?

Looks good to me.
 
Splendid!
You did it right, the answers you got in one thread can be applied in an other thread. Do not forget them!
 
  • Like
Likes   Reactions: gracy
ehild said:
Splendid!
Thank you so much for this .:smile:
 
gracy said:
I will try to solve this with the help of answers I have received in my previous thread.

View attachment 92647

Now the two capacitors are in parallel
equivalent capacitance between P and R=C/2+C/3
=##\frac{5C}{6}##

View attachment 92648
Now the two capacitors are in parallel
equivalent capacitance between P and Q is =C+C/4
=##\frac{5C}{4}##
The ratio between the two are
##\frac{5C}{6}##÷##\frac{5C}{4}##

=##\frac{2}{3}##

Am I right?
Why did you not do this in OP ?

Then, if you were not sure about which order to use, you could have tried any order you were not sure about and compared answers.

That's generally how we know whether or not such things are important.
 

Similar threads

  • · Replies 11 ·
Replies
11
Views
3K
Replies
2
Views
2K
  • · Replies 6 ·
Replies
6
Views
3K
  • · Replies 8 ·
Replies
8
Views
2K
  • · Replies 67 ·
3
Replies
67
Views
13K
  • · Replies 4 ·
Replies
4
Views
6K
  • · Replies 14 ·
Replies
14
Views
2K
  • · Replies 92 ·
4
Replies
92
Views
8K
Replies
5
Views
2K
Replies
4
Views
2K