Finding minterms from Multiplexer

  • Thread starter Thread starter Blurpeys
  • Start date Start date
  • Tags Tags
    Multiplexer
Click For Summary
SUMMARY

The discussion focuses on identifying minterms from a multiplexer with specific input values. It establishes that inputs I(0) and I(7) yield no minterms, while I(1), I(2), I(6) produce minterms 2, 3, 5, 12, and 13. The uncertainty surrounding inputs I(3), I(4), and I(5) is noted, with suggestions to evaluate all 8 input terms, particularly the implications of XOR operations involving D (don't care condition).

PREREQUISITES
  • Understanding of multiplexer logic and minterm generation
  • Familiarity with XOR operations in digital logic
  • Knowledge of don't care conditions in Boolean algebra
  • Basic principles of combinational logic design
NEXT STEPS
  • Study the principles of minterm identification in multiplexers
  • Learn about the application of don't care conditions in logic design
  • Explore the effects of XOR operations on input combinations
  • Review comprehensive examples of combinational logic circuits
USEFUL FOR

Digital logic designers, electrical engineering students, and anyone involved in combinational circuit analysis will benefit from this discussion.

Blurpeys
Messages
1
Reaction score
0
Homework Statement
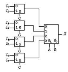
Determine the minterm list for Z(A,B,C,D) shown below. Assume the following values for the inputs: I(0)=0, I(1)=1, I(2)=D, I(3)=1⊕D, I(4)=0⊕D, I(5)=D⊕D, I(6)=1⊕0, I(7)=1⊕1. Also, assume that S(1) is the most significant select line for the 1-of-4 Mux.
Relevant Equations
N/A
I(0)=0, so 0 and 1 are not minterms.
I(1)=1, so 2 and 3 are minterms.
I(2)=D, so 5 is a minterm but 4 is not a minterm.
I(3) not sure
I(4) not sure
I(5) not sure
I(6)=1⊕0=1, so 12 and 13 are also minterms.
I(7)=1⊕1=0, so 14 and 15 are not minterms.

I don't know how to deal with the rest of them, I am not even sure if the one I mentioned are correct.
 

Attachments

  • 2022-03-14_17-50.png
    2022-03-14_17-50.png
    3.4 KB · Views: 197
Physics news on Phys.org
Start by evaluating all the 8 input terms;
These three XOR terms could generate; 0, 1, D, or NOT(D)
I(3)=1⊕D ;
I(4)=0⊕D ;
I(5)=D⊕D ;
 

Similar threads

  • · Replies 5 ·
Replies
5
Views
2K
  • · Replies 3 ·
Replies
3
Views
2K
Replies
6
Views
2K
Replies
2
Views
1K
  • · Replies 1 ·
Replies
1
Views
3K
  • · Replies 2 ·
Replies
2
Views
11K
  • · Replies 10 ·
Replies
10
Views
3K
  • · Replies 3 ·
Replies
3
Views
2K
  • · Replies 1 ·
Replies
1
Views
1K
  • · Replies 3 ·
Replies
3
Views
3K