Finding the charge for Capacitor

  • Thread starter Thread starter tony873004
  • Start date Start date
  • Tags Tags
    Capacitor Charge
Click For Summary

Homework Help Overview

The problem involves finding the charge on a specific capacitor (C4) in a circuit with multiple capacitors (C1, C2, C3, C4) and a battery. The circuit configuration includes both series and parallel arrangements of capacitors, which adds complexity to the analysis.

Discussion Character

  • Mixed

Approaches and Questions Raised

  • Participants discuss the configuration of capacitors in series and parallel, with attempts to simplify the circuit by combining capacitors. Questions arise about how to correctly apply the principles of charge and voltage in these configurations.

Discussion Status

Some participants have offered guidance on the relationships between charge and voltage for capacitors in series and parallel. There is ongoing exploration of different interpretations of the circuit setup, with no explicit consensus reached on the correct approach to find the charge on C4.

Contextual Notes

Participants express confusion regarding the arrangement of capacitors and the implications of the battery voltage. There is mention of an expected answer (24mC) that some participants are struggling to reconcile with their calculations.

tony873004
Science Advisor
Gold Member
Messages
1,753
Reaction score
143

Homework Statement


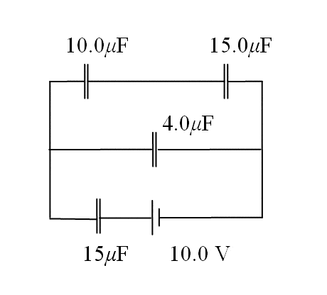
Find the charge on C4. (That's the 4.0 uF in the middle). C1=15 uF, C2=10uF, C3=15uF, C4=4uF, battery = 10 v

capacitor.GIF


Homework Equations


Q=CV


The Attempt at a Solution


The presence of C1 (the one next to the battery) is confusing me. It's in series with C2 and C3. It's also in series with C4, but C4 is parallel to C2,3. I can't find an example on how to do this type of problem.

The answer is 24mC, but I don't know how to get it.
 
Physics news on Phys.org
Deconstruct then reconstruct. Combine all resistors in series and parallel. Start with the inner-most part of the circuit (what looks to be the most complicated) and just start combining capacitors.
 
I tried that, but with no luck

The 10 and 15 are in series, so they make a combined 6uF capacitor
This new 6 and the 4 are in parallel, so they make a 10
The new 10 and the bottom 15 are in series, so they make a 6.
So the whole circuit simplifies to a single 6uF capacitor.

Q=CV = 6*10 = 60

The 15 on the bottom and the combined 10 are in series, so the charge must be the same. Is this 60? Or does it get divided?

Reconstructing it, the 4 and the combined 15 on the top are in parallel. So assuming that the total is 60, how do I compute the charge on each?
 
When computing charge, there are two important things to remember: Q is the same for capacitors in series and V is the same for capacitors in parallel. That should be enough ^^
 
I still don't get it. I don't see any opportunity to have a voltage other than 10. When I do it, I don't get 24.
 
Here's my effort showing where I get stuck

cap2.GIF
 
If you replace two series capacitors by a single one, and then calculate the charge on the replacement capacitor, both of the original capacitors will have the same charge as the replacement capacitor. (because the same current went through them at all times)
 
In my above diagram, I made a new capacator, c5, from the two series capacators. Assuming that the voltage is still 10, its charge is CV = 6*10 = 60. So c3 and c4 are both 60 also. But I need the charge on c4, so I'm not sure where to go from here.
 
you should replace c1, c2 and c4 with a capacitor with the equivalent capacitance, and THAT capacitor is in series with c3, and will have the same charge.
 

Similar threads

Replies
5
Views
1K
  • · Replies 11 ·
Replies
11
Views
3K
  • · Replies 1 ·
Replies
1
Views
4K
  • · Replies 3 ·
Replies
3
Views
2K
  • · Replies 8 ·
Replies
8
Views
2K
  • · Replies 2 ·
Replies
2
Views
14K
  • · Replies 7 ·
Replies
7
Views
3K
  • · Replies 3 ·
Replies
3
Views
3K
  • · Replies 19 ·
Replies
19
Views
3K
  • · Replies 9 ·
Replies
9
Views
2K