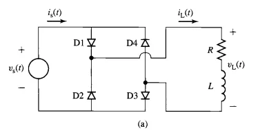
Full bridge circuit with inductor and resistor

  • Context: Engineering 
  • Thread starter Thread starter PhysicsTest
  • Start date Start date
Click For Summary

Discussion Overview

The discussion revolves around the analysis of a full bridge circuit that includes an inductor and resistor, focusing on the behavior of inductor current during positive and negative cycles of a sine input. Participants explore the implications of diode conduction, time constants, and the effects of different filtering methods on circuit performance.

Discussion Character

  • Technical explanation
  • Mathematical reasoning
  • Debate/contested

Main Points Raised

  • One participant questions the applicability of their equations during the transition from positive to negative cycles and raises doubts about the role of the time constant L/R.
  • Another participant suggests that the average voltage across the inductor will be zero and discusses the impact of resistance on inductor current.
  • A participant highlights the complexity of obtaining a closed form solution for the rectified sine wave source and suggests using simulators or Laplace transforms for analysis.
  • Concerns are raised about the accuracy of the rectified sine wave model, particularly regarding the induced voltage of the inductor affecting diode commutation timing.
  • Discussion includes the behavior of inductor current not falling to zero after the zero crossing of the applied voltage waveform, with all diodes conducting during the transition.
  • Participants discuss the advantages of choke input filters over capacitor-input filters, including better regulation and efficiency under load.
  • One participant notes the practical limitations of using large inductors in low power designs and mentions the preference for PFC SMPS front ends in modern designs.
  • There is a clarification about the operational frequencies of choke input filters in switched mode power supplies compared to traditional filters.

Areas of Agreement / Disagreement

Participants express a range of views on the effectiveness and applicability of different filtering methods, with no consensus reached on the best approach or the specific implications of the inductor's behavior in the circuit.

Contextual Notes

Participants acknowledge the complexity of the circuit analysis, including unresolved mathematical steps and the dependence on specific assumptions about component behavior and circuit conditions.

PhysicsTest
Messages
260
Reaction score
27
Homework Statement
Calculation of the inductor current in full bridge circuit
Relevant Equations
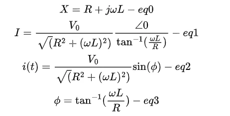
Impedance, X = R + jwL
1762422578143.webp

The above is the circuit i am calculating the inductor current.
During the positive half of the sine input D1 and D3 are conducting so the circuit becomes
1762422913511.webp

My calculations are as below
1762422972266.webp

Are the above equations ok? When transitioning from +Ve cycle to -Ve sine wave does the above equations still applicable? During the negative cycle the diodes D2 and D4 are conducting and the current direction is going into the inductor same as when diodes D1 and D3 are conducting. According to me the same equations can be used, but few doubts are when does the time constant L/R comes into picture and is it part of the above equation or it has to be treated separately and solved? And also the inductor current cannot change immediately where does that happen?
 
Last edited:
Physics news on Phys.org
The first approximation is that the diodes have zero forward voltage, that inductor current is limited by the resistance, and that the average voltage across the inductor will be zero.

The spectrum of the rectified voltage will have a fundamental at twice the supply frequency, with significant harmonics. The impedance of R and L in series, will limit the inductor current.
PhysicsTest said:
And also the inductor current cannot change immediately where does that happen?
The R is the load. The L is probably there to smooth the continuous current through the load. Compare XL to R to determine the magnitude of that effect.
 
  • Like
Likes   Reactions: PhysicsTest
The rectified sine wave source makes a closed form solution really messy, and honestly not very useful compared to approximations, as @Baluncore suggests. This is one of the few examples where I think simulators are good for understanding simple circuits. I guess I'd use Laplace transforms if I HAD to solve it. Even then I'd use a computer; there's no way I'm inverting the result by hand.

https://www.tutorialspoint.com/sign...e_laplace_transform_of_rectifier_function.htm
 
  • Like
Likes   Reactions: PhysicsTest
Also, I'm not sure my rectified sine wave source would be an accurate model. It's a good first step, and correct if R is big. The induced voltage of the inductor can alter the commutation timing of the diodes in some cases.
 
DaveE said:
The induced voltage of the inductor can alter the commutation timing of the diodes in some cases.
That is correct.
After the zero crossing of the applied voltage waveform (magenta), the diodes continue to conduct, the inductor current (green) therefore never falls to zero. Note that all diodes are conducting during the partial microsecond of transition. Also, Vout, (yellow), applied to the R+L load, goes negative by two forward junction voltages during the transition.
In general, at all times for the FW bridge; Vout = |V1| - 2·Vpn
That does change the spectrum of the rectified voltage only very slightly.

FWrectifier.webp
 
  • Like
Likes   Reactions: DaveE
The choke input filter is an excellent circuit because it has good regulation under load and uses the transformer efficiently. With a capacitor-input filter the current flows in short pulses, so that transfomer resistance has a large adverse effect. The choke greatly reduces the flow of AC to the load, whilst DC can flow easily. The output voltage is equal to the average value of the full-wave rectified waveform, which is 0.637 of peak, or about 90% of the RMS value. To be effective, the choke must have a minimum critical inductance of Rload /(6 pi f) Henries. This will ensure that the ripple is never large enough to exceed the DC output and so interrupt the flow of current. Ripple can be further reduced by a following shunt capacitor.
 
tech99 said:
The choke input filter is an excellent circuit because it has good regulation under load and uses the transformer efficiently. With a capacitor-input filter the current flows in short pulses, so that transfomer resistance has a large adverse effect. The choke greatly reduces the flow of AC to the load, whilst DC can flow easily. The output voltage is equal to the average value of the full-wave rectified waveform, which is 0.637 of peak, or about 90% of the RMS value. To be effective, the choke must have a minimum critical inductance of Rload /(6 pi f) Henries. This will ensure that the ripple is never large enough to exceed the DC output and so interrupt the flow of current. Ripple can be further reduced by a following shunt capacitor.
Yes, true. But those inductors are big, heavy, and expensive. So you'll do well to leave them out in low power designs. If you care about performance most designers these days will choose a PFC SMPS front end, partly because they have to to meet EMC regulations.

Also, EVERY time you use these you'll have a shunt capacitor to make a LC 2nd order LPF, which the OP circuit doesn't have. It looks more like a HW problem than a real PS; IDK maybe a solenoid drive or such?

On the left front in this picture you can see the LC input filter for a 15KW linear PS. That choke is heavy!

1762817411431.webp
 
I understand that for switched mode power supplies, the choke input filter is more possible because the frequency is high.
 
tech99 said:
I understand that for switched mode power supplies, the choke input filter is more possible because the frequency is high.
There's a sematic thing here. If you call it an input filter, most everyone will think it works at 50/60/100/120 Hz. But if it's a PFC front end it's part of a switching power supply that controls the input current with a very much smaller inductor that is PWM controlled by switches that are operating at 50-200KHz or so. But topologically, they are very different things.

PS: Often not exactly PWM, there are a few other schemes, like constant off time, PFM, etc. Definitely beyond the scope of this thread.
 

Similar threads

  • · Replies 1 ·
Replies
1
Views
2K
  • · Replies 15 ·
Replies
15
Views
3K
  • · Replies 7 ·
Replies
7
Views
3K
  • · Replies 3 ·
Replies
3
Views
3K
  • · Replies 19 ·
Replies
19
Views
5K
  • · Replies 8 ·
Replies
8
Views
2K
  • · Replies 4 ·
Replies
4
Views
2K
  • · Replies 3 ·
Replies
3
Views
2K
  • · Replies 4 ·
Replies
4
Views
2K
  • · Replies 8 ·
Replies
8
Views
3K