Help With Pulleys: Answers to Acceleration Questions

Click For Summary
SUMMARY

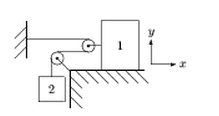
The discussion focuses on the dynamics of two blocks, m1 and m2, connected by a massless rope over frictionless pulleys. Participants are tasked with determining the relationships between the accelerations of the blocks and how these depend on the tension in the rope. Key expressions include the acceleration of block 1 being influenced by the tension T and the acceleration of block 2 being described as T divided by its mass. The correct relationships for the accelerations and forces acting on both blocks are critical for solving the problem accurately.

PREREQUISITES
  • Understanding of Newton's laws of motion
  • Familiarity with basic concepts of tension in ropes
  • Knowledge of acceleration and its relation to mass
  • Ability to analyze free-body diagrams
NEXT STEPS
  • Study the principles of Newton's second law of motion
  • Learn how to draw and interpret free-body diagrams for multi-body systems
  • Explore the concept of tension in ropes and its effects on connected masses
  • Investigate the kinematic equations related to acceleration and motion
USEFUL FOR

Physics students, educators, and anyone interested in understanding the mechanics of pulleys and connected systems in classical mechanics.

stephhm
Messages
1
Reaction score
0
Member advised to use the homework template for posts in the homework sections of PF.
A block of mass m1 is attached to a block of mass m2 by a massless rope (see diagram); the pulleys and surfaces are frictionless. When the blocks are let go, they move. Answer the following three questions using the choices given below.

i) Select the correct expression for the relationship between the accelerations of blocks 1 and 2.
ii) Select the correct expression that describes how the magnitude of the acceleration of block 1, a1, depends on the tension in the rope, T.
iii) Select the correct expression that describes how the magnitude of the acceleration of block 2, a2, depends on the tension in the rope, T.

The expressions and diagram are attached.

For i) I said O because acceleration of 2 must be going down?
For ii) I have no idea
For iii) I said A because the tension must be divided by mass 2 since it's the one going down?
 

Attachments

  • Screen Shot 2016-10-14 at 1.37.53 PM.png
    Screen Shot 2016-10-14 at 1.37.53 PM.png
    7.5 KB · Views: 533
  • Screen Shot 2016-10-14 at 1.38.00 PM.png
    Screen Shot 2016-10-14 at 1.38.00 PM.png
    1.8 KB · Views: 544
Physics news on Phys.org
stephhm said:
For i) I said O because acceleration of 2 must be going down?
In the given coordinates, is 1's acceleration positive or negative? Is 2's acceleration positive or negative?
If 1 moves left a distance s, how does 2 move?
stephhm said:
For ii) I have no idea
What forces act on 1?
stephhm said:
For iii) I said A because the tension must be divided by mass 2 since it's the one going down?
What forces act on 2?
 

Similar threads

  • · Replies 22 ·
Replies
22
Views
3K
Replies
15
Views
2K
  • · Replies 3 ·
Replies
3
Views
2K
  • · Replies 18 ·
Replies
18
Views
2K
Replies
3
Views
1K
  • · Replies 5 ·
Replies
5
Views
1K
  • · Replies 17 ·
Replies
17
Views
3K
Replies
19
Views
2K
  • · Replies 2 ·
Replies
2
Views
2K