How Do Multiple Wires Affect Stress Distribution in Steel Brackets?

  • Thread starter Thread starter DYLAN4321
  • Start date Start date
  • Tags Tags
    Steel Stress
Click For Summary

Discussion Overview

The discussion revolves around the effects of multiple wires on stress distribution in steel brackets, particularly in the context of mounting arrangements and the calculation of stresses in various applications. Participants explore the complexities involved in designing brackets that accommodate multiple tension forces.

Discussion Character

  • Technical explanation
  • Debate/contested
  • Mathematical reasoning

Main Points Raised

  • One participant has developed catenary software to calculate tension forces and seeks guidance on stress calculations for attached applications involving multiple wires.
  • Another participant requests clarification on the assembly and the specifics of the wires and drawings provided.
  • A participant describes a mounting arrangement involving a Dee shackle and a turnbuckle with a catenary wire, but further clarification is still needed by others.
  • One participant suggests that several cases need to be calculated when designing brackets, including bolt shear, compressive failure, shear failure, and tension failure.
  • A quote from a manual highlights the complexity of stress distribution and prying action in bracket design, suggesting reliance on established codes and procedures for safe connections.

Areas of Agreement / Disagreement

Participants express varying levels of understanding regarding the assembly and calculations involved, with some seeking further clarification while others provide technical insights. There is no consensus on the best approach to analyze the stress distribution or the specific design considerations needed.

Contextual Notes

The discussion reflects limitations in the clarity of the initial assembly description and the complexity of stress distribution in brackets, which may depend on specific configurations and assumptions not fully articulated by participants.

DYLAN4321
Messages
4
Reaction score
0
TL;DR
Plate with hole help
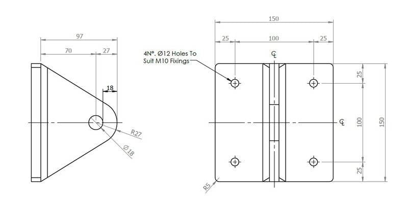
Hi,

I have developed a catenary software that calculates the tension force resulting from the wire and now I am working on suitable fixing methods and including the option for this within the software.

Has anyone got any guidance on working out the stresses applied on the attached applications? Also how would the circular plate act if there were multiple wires pulling in different directions?

I have done a quick mock up for a plate with multiple holes, but this isn`t really applicable to these applciations given the holes are positioned close to the edge of the plates.

Any help will be appreciated
 

Attachments

  • Example A.jpg
    Example A.jpg
    20 KB · Views: 181
  • Example B.jpg
    Example B.jpg
    26.7 KB · Views: 166
  • Example C.jpg
    Example C.jpg
    19.6 KB · Views: 203
Last edited:
Engineering news on Phys.org
Welcome!
It is difficult for me to make sense of the wires you mention and the three attached drawings.
Could you explain the assembly a little more?
Thank you.
 
Hello,

Thank you for your reply.

I have attached an image of an example of the mounting arrangement. Basically a Dee shackle fits through the hole in the plate and then the turnbuckle with the centenary wire is fitted to the shackle.

Thanks
 

Attachments

  • Catenary Mounting Arrangement.jpg
    Catenary Mounting Arrangement.jpg
    12.3 KB · Views: 167
  • Example Mounting.jpg
    Example Mounting.jpg
    21.7 KB · Views: 159
Sorry, I am still lost; perhaps another member will be able to help.
 
Thanks anyway.

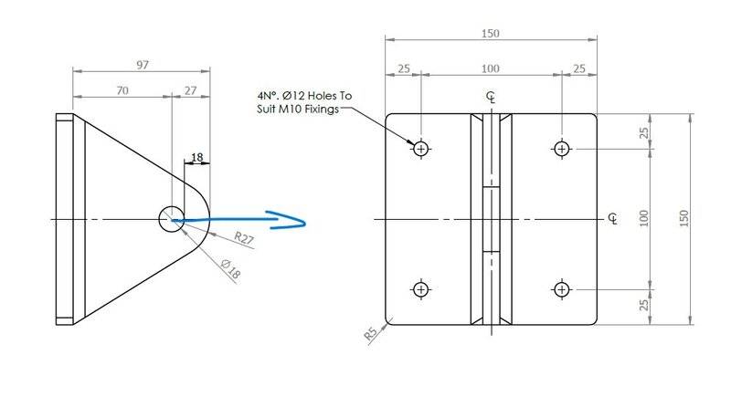
I have attached another sketch which shows the direction of the tension force applied.

Say as an arbitrary force of 1kN applied in all directions?
 

Attachments

  • Example A Force Direction.jpg
    Example A Force Direction.jpg
    22.6 KB · Views: 151
  • Example B Force Direction.jpg
    Example B Force Direction.jpg
    30.6 KB · Views: 137
  • Example C Force Direction.jpg
    Example C Force Direction.jpg
    20.2 KB · Views: 166
Several cases need to be calculated when designing brackets. For the region around the attachment holes, the following need to be calculated:
1) Bolt shear
2) Compressive failure in bracket
3) Shear failure in bracket
4) Tension failure in bracket

The rest of the bracket is complex. The following quote from my copy of Manual of Steel Construction, 9th Edition illustrates the point:

The actual distribution of stress in the tee flange or angle leg and the extent of prying action are extremely complex. ... Good correlation between estimated connection strength and observed test results has been obtained using theory of Ref. 1. Design and analysis procedures based on this theory have been developed in Refs. 2 and 3.

I recommend that you study the CE Machinery Directive and applicable codes relevant to steel construction in your country. The codes have standard procedures for designing connections that result in safe connections. Those standard procedures have been tested and are proven to work. Trying to do your own analysis is what we call "reinventing the wheel", and can lead to unsafe results.
 

Similar threads

  • · Replies 4 ·
Replies
4
Views
8K
  • · Replies 3 ·
Replies
3
Views
855
  • · Replies 10 ·
Replies
10
Views
8K
Replies
1
Views
5K
  • · Replies 2 ·
Replies
2
Views
2K
  • · Replies 8 ·
Replies
8
Views
6K
  • · Replies 6 ·
Replies
6
Views
3K
  • · Replies 1 ·
Replies
1
Views
11K
  • · Replies 94 ·
4
Replies
94
Views
15K