How Do You Determine Equivalent Capacitance in Complex Circuits?

Click For Summary

Homework Help Overview

The discussion revolves around determining equivalent capacitance in a complex circuit with multiple capacitors arranged in parallel and some in series. Participants explore the implications of circuit configuration and the behavior of current flow in relation to the arrangement of components.

Discussion Character

  • Exploratory, Conceptual clarification, Assumption checking

Approaches and Questions Raised

  • Participants discuss the possibility of additional paths in the circuit and question the assumptions about current flow direction. There are suggestions to redraw the circuit for clarity, and some express confusion about the equivalence of different circuit configurations. The role of ideal connecting wires and equipotential points is also examined.

Discussion Status

The discussion is ongoing, with participants providing clarifications and visual aids to enhance understanding. There is a focus on the connectivity of components rather than their geometric arrangement. Some participants have raised questions about color coding and its implications for understanding potential differences in the circuit.

Contextual Notes

Participants are navigating the complexities of circuit analysis, including the treatment of wires as ideal and the implications of moving endpoints in circuit diagrams. There is an emphasis on understanding the potential differences and connectivity in the circuit.

jolly_math
Messages
51
Reaction score
5
Homework Statement
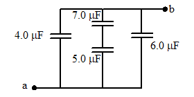
Find the equivalent capacitance between points a and b in the combination of capacitors shown in the figure.
Relevant Equations
parallel: C = C1 + C2 + ...
series: 1/C = 1/C1 + 1/C2 + ...
1674325274705.png

There are 3 parallel paths: one through 4.0 µF, one through 6.0 µF, and one through 5.0 µF and 7.0 µF.

Why wouldn't there be another path through 4.0 µF, 7.0 µF, 5.0 µF, and 6.0 µF? Also, what determines the direction of current flow when there is a diagonal across parallel paths? Thank you.
 
Physics news on Phys.org
You can redraw the circuit to make things clearer. The endpoints a and b can be moved anywhere along the lines they connect to, so move them to the bottom and top points as follows:
Image 1.png


Then straighten out the bends to make the image more clear:
1674328506678.png


You should be able to work out the combined capacitance from there?
 
Last edited:
  • Like
Likes   Reactions: Nway, berkeman, jolly_math and 2 others
gneill said:
You can redraw the circuit to make things clearer. The endpoints a and b can be moved anywhere along the lines they connect to, so move them to the bottom and top points as follows:
View attachment 320824

Then straighten out the bends to make the image more clear:
View attachment 320825

You should be able to work out the combined capacitance from there?
Sorry please explain @gneill how you got from the top image to the bottom image. I don't see how they are equivalent. Why are you allowed to move the end points a and b around and the diagonal wire in the middle?
 

Attachments

  • 1674356128023.png
    1674356128023.png
    6.8 KB · Views: 152
This might help.

Treat the connecting wire as ideal.
If you take a voltmeter with one probe fixed,
you can move the other probe along the wire of the same color
without changing the voltage reading.

Update: For clarity, I recolored the middle equipotential with a more distinct shade of green
and the bottom equipotential with a more distinct shade of blue.
(It wasn't my intention to shade according to numerical sizes of the potential,
just according to unequal potentials.) Thanks.

1674379765402.png
1674379772298.png


Focus on connectivity... not shape or geometry.
 
Last edited:
  • Like
Likes   Reactions: Nway and nasu
The color coding to denote equipotential conductor is nice to show the connectivity, however I think that that the floating piece between the 7.0 μF and 5.0 μF capacitors should be labeled by a different color from the other two because when the capacitors are charged, it will be at an intermediate potential between blue and magenta.
 
  • Like
Likes   Reactions: Nway
kuruman said:
The color coding to denote equipotential conductor is nice to show the connectivity, however I think that that the floating piece between the 7.0 μF and 5.0 μF capacitors should be labeled by a different color from the other two because when the capacitors are charged, it will be at an intermediate potential between blue and magenta.
I think the intermediate wire in @robphy post is green not blue. A rather subtle difference in the two colors .
 
  • Like
Likes   Reactions: Nway and Tom.G
robphy said:
This might help.

Treat the connecting wire as ideal.
If you take a voltmeter with one probe fixed,
you can move the other probe along the wire of the same color
without changing the voltage reading.

Update: For clarity, I recolored the middle equipotential with a more distinct shade of green
and the bottom equipotential with a more distinct shade of blue.
(It wasn't my intention to shade according to numerical sizes of the potential,
just according to unequal potentials.) Thanks.

View attachment 320885View attachment 320886

Focus on connectivity... not shape or geometry.
Sir thank you.
 

Similar threads

  • · Replies 4 ·
Replies
4
Views
2K
  • · Replies 7 ·
Replies
7
Views
2K
Replies
4
Views
3K
Replies
1
Views
4K
Replies
9
Views
4K
Replies
8
Views
6K
  • · Replies 11 ·
Replies
11
Views
3K
  • · Replies 12 ·
Replies
12
Views
2K
Replies
20
Views
2K
  • · Replies 12 ·
Replies
12
Views
8K